Така , здравейте първо.
Искам да ви споделя моя лек проект за отварянето на багажника (без намесата на човешка ръка) на моя СЕДАН -Passat B5.5 2004г.
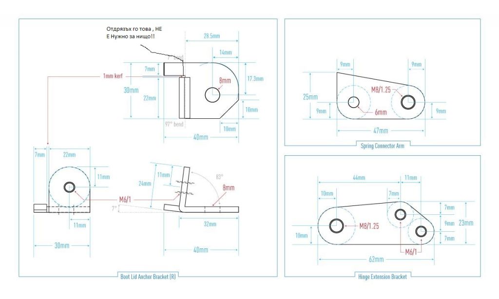
Нужни неща:
1. Нови амортисьори за багажник с характеристики (по-силни от оригиналните които са 500N)
изтласкваща сила [N]: 630 Нютон
обща дължина [mm]: 278 мм
височина [mm]: 90 мм - това е хода на амортисьора
диаметър 1 [mm]: 8 мм - на стержена
диаметър на корпуса [mm]: 18,5 мм
(Audi A6 Sedan (4B, C5) - от ето тази кола са такива амортисьорите)
2.Пружинки на натиск 2бр - със следните характеристики и размери (спираловидна - не е с кръгло сечение)
-външен диаметър - 20мм
-вътрешен - 10мм
-дължина на пружинката - 51мм
-широчина на спиралата - 4,3мм (отгоре погледната пружинката)
-дебелина или по точно височина на тела - 1,7мм
-сила на пружинката при сгънато положение F=279N
-Максимална дължина на пружинката при сгънато положение =25,5мм
3. 2бр пружинки на опън - за тях нз характеристиките им (намерих ги в сервиз за автомобили - за някаква Лада или нещо подобно са - (после ще премеря дебелината на тела и разстоянието от център отвор до център отвор)
4. чертежа приложен към снимките трябва да се изпълни
На снимката е показано къде трябва да се дупчат 2 малки дупки в пантата с 6мм-аз лично ги хванах с гайки отзад - не съм им правил резба ( останалото е лесно) - лично аз използвах железни планки за дървени греди с дебелина 2мм - неръждаеми са.
5. болтове - 8мм/40 2бр+(4-6гайки аз подложих по 2 от страна , може и да завиете пружината , но тя никъде няма да мръдне)- долу горе върши работа - гледа се да не опира никъде
6мм/8мм-дължина -4бр +гайки
Развиват се мпастмасовата част която се държи на едната пъпка на пантата с клещи , като предварително сте сложили парцал под тях - да не надраскате стержена - развива се лесно , слагате пружините вътре и завивате обратно и готово .
След това чертежа като се изпълни го сглобявате (гледайте снимката на колата ми) и готово , ЧЕСТИТО!
Ето и нагледно какво се случва - https://www.youtube.com/watch?v=t4xMRrPLmaI&feature=youtu.be
Автоматично отваряне на багажник Passat 3BG (2001-2005)SEDAN
Правила на форума
Натисни тук за да прочетеш Правилата на форума
Натисни тук за да прочетеш Правилата на форума
- plameney
- Мнения: 397
- Регистриран на: Вто 25 май 2010 21:46
- Автомобил: Passat B5 1.6
- Двигател: ARM 2000
- Местоположение: Асеновград
- Контакти:
Re: Автоматично отваряне на багажник Passat 3BG (2001-2005)S
Отлично изпълненеие колега!
Благодарство че го споделяш.
Аз искам да си направя същото.Много завиждах на кумът ми че той има на БМВ-то тая благинка пък аз не :)Сега чак като разгледах твоето решение разбрах колко е простичко и в същото време добре измислено.
Станало е професионално.
Благодарство че го споделяш.
Аз искам да си направя същото.Много завиждах на кумът ми че той има на БМВ-то тая благинка пък аз не :)Сега чак като разгледах твоето решение разбрах колко е простичко и в същото време добре измислено.Станало е професионално.
Re: Автоматично отваряне на багажник Passat 3BG (2001-2005)S
Браво колега
благодарско за споделянето.
Амортесьорите трябва да са и за двете посоки ли? или при отварянето има някакъв ограничител, за да не се "блъска" капака.
благодарско за споделянето. Амортесьорите трябва да са и за двете посоки ли? или при отварянето има някакъв ограничител, за да не се "блъска" капака.
-
Founder
- Мнения: 93
- Регистриран на: Сря 03 яну 2007 12:48
- Автомобил: Vw Passat 1.9TDI
- Двигател: AVF 2004
- Местоположение: ....
Re: Автоматично отваряне на багажник Passat 3BG (2001-2005)S
Колега , амортисьорите силата им е на натиск - дефакто когато е затворен са под напрежение и с отварянето се освобождава енергията от сгъстеното масло в тях , НЯМА да ти се удари капака горе - те когато стигнат до средата плавно освобождават тази енергия (много хора си мислят че със сила я освобождава и капака им ще се качи на тавана , няма такова нещо)
- К.Одаджийски
- VW експерт

- Мнения: 12170
- Регистриран на: Пон 11 сеп 2006 20:11
- Автомобил: Saab 9-3 SS ARC
- Двигател: B207L
- Местоположение: София / Берковица
Re: Автоматично отваряне на багажник Passat 3BG (2001-2005)S
Много находчиво в стил направи си сам, какъвто е и раздела, евала за идеята и изпълнението 

Re: Автоматично отваряне на багажник Passat 3BG (2001-2005)S
ми освен да пробвам тези чертежи дали ще ми свършат работа за Бората и да влизам в поредната заигравка 

-
Founder
- Мнения: 93
- Регистриран на: Сря 03 яну 2007 12:48
- Автомобил: Vw Passat 1.9TDI
- Двигател: AVF 2004
- Местоположение: ....
Re: Автоматично отваряне на багажник Passat 3BG (2001-2005)S
Значи другите пружинки са с кръгло сечение на тела с дебелина 3мм и разстояние център ухо до другия център ухо 95мм — опънова пружинка диаметъра и е 16—18мм (на ръка не може да се отвори да знаете , защото първия път купих същите размери , но меки и се разтвряха на ръка и нищо не става — слабички са.
- dnp
- Мнения: 10
- Регистриран на: Чет 13 яну 2011 12:07
- Автомобил: Passat B5.5
- Двигател: BAU
- Местоположение: Велико Търново / София
Re: Автоматично отваряне на багажник Passat 3BG (2001-2005)S
Здравей Колега,
Много добфре се е получило! Можеш ли да кажеш от къде си взел пружините?
Много добфре се е получило! Можеш ли да кажеш от къде си взел пружините?
- betaserk
- Мнения: 1261
- Регистриран на: Нед 09 мар 2014 9:57
- Автомобил: Renault Zoe
- Двигател: electric 2014
- Контакти:
Re: Автоматично отваряне на багажник Passat 3BG (2001-2005)S
За комби дали ще стане нещо подобно
много ми се иска и аз да си я направя тая екстра на комбито.
- hi4umir4uu
- Мнения: 191
- Регистриран на: Вто 23 юни 2009 13:28
- Автомобил: Passat b7
- Двигател: EcoFuel
- Местоположение: София
Re: Автоматично отваряне на багажник Passat 3BG (2001-2005)S
Колега да те попитам правил ли си настройки с VAG-COM, защото при мен като натисна това копче и само ми се отключва багажника и за да го отворя трябва да се натисне бравата. На голф 5 примерно като се прави тази процедура се правят настройки с VAG-COM и тук ли е така или само от напъна на пружината се преодолява бравата. Мерси предварително.
-
Founder
- Мнения: 93
- Регистриран на: Сря 03 яну 2007 12:48
- Автомобил: Vw Passat 1.9TDI
- Двигател: AVF 2004
- Местоположение: ....
Re: Автоматично отваряне на багажник Passat 3BG (2001-2005)S
Колега с комбито - ами 100% ще стане и там , но трябва да гледаш силата на амортисьорите си и да видиш какъв модел пружинки ще ти свършат работа , а планките едва ли ще ти трябват , мисля че вашия багажник е по-лек от нашия причината е в разстоянието на захвата на амортисьора - колкото повече разстояние толкова по-лек става.
Колега с Ваг-ком не съм барал нищо по автомобила - когато натисна копчето било то от вътре или на дистанционното багажника ми искаше само вдигане без да барам нищо друго, нито повторно копче нито брава или там каквото имаш предвид !
Колега с Ваг-ком не съм барал нищо по автомобила - когато натисна копчето било то от вътре или на дистанционното багажника ми искаше само вдигане без да барам нищо друго, нито повторно копче нито брава или там каквото имаш предвид !
- hi4umir4uu
- Мнения: 191
- Регистриран на: Вто 23 юни 2009 13:28
- Автомобил: Passat b7
- Двигател: EcoFuel
- Местоположение: София
Re: Автоматично отваряне на багажник Passat 3BG (2001-2005)S
Ок Мерси колега
- betaserk
- Мнения: 1261
- Регистриран на: Нед 09 мар 2014 9:57
- Автомобил: Renault Zoe
- Двигател: electric 2014
- Контакти:
Re: Автоматично отваряне на багажник Passat 3BG (2001-2005)S
Мерси, колега!
Ще видя колко нютона са моите и ще пробвам с едни такива пружини, имам няколко, дано станат. Ако не, ще търся нещо евтино по магазините, ако стане ще се похваля тук.
Ще видя колко нютона са моите и ще пробвам с едни такива пружини, имам няколко, дано станат. Ако не, ще търся нещо евтино по магазините, ако стане ще се похваля тук.
Кой е на линия
Потребители, разглеждащи този форум: Няма регистрирани потребители и 66 госта