Генератор на ТОК за възбуждане на акумулатор

Споделете опит за собственоръчно направени подобрения или ремонти на вашият Volkswagen или попитайте как да ги направите сами
Потребителски аватар
fox_vt
Мнения: 2788
Регистриран на: Съб 22 мар 2008 18:22
Автомобил: Seat Toledo
Двигател: AHU 97
Местоположение: Велико Търново

Re: Генератор на ТОК за възбуждане на акумулатор

Мнениеот fox_vt » Сря 08 фев 2012 18:14


Cern Swiss написа:Добре, опитвам се да го обясня разбираемо, но ако държиш на пунктуалността:
- Електрическото напрежение предизвиква протичането на електрически ток.
- Физичната величина, характеризираща протичането на електрическия ток, се нарича сила на тока.
- Силата на тока се мери в ампери.

Така добре ли е? Който се интересува, ще намери всички в уикито.

И ти си на мнение, че е все едно една батерия дали се зарежда с 5-10А или със 120А, така ли? :shock Независимо кой тип, да не изпадаме в подробности.

Колега я като толкова ползваш уикити ми кажи може ли да има само ток без напрежение?А обратното може ли?След като разбереш смисъла на тези два въпроса ще ти се изяснят и други работи.И да аз съм на мнение както и електротехниката че ако имаш източник можещ да даде 120А при напрежение14 волта като го включиш към акумулатор тока който ще протече е БЕЗОПАСЕН за акумулатора и не се регулира от нищо повече освен от самия акумулатор.




Потребителски аватар
Cern Swiss
Мнения: 397
Регистриран на: Пон 15 ное 2010 18:39
Автомобил:
Двигател:

Re: Генератор на ТОК за възбуждане на акумулатор

Мнениеот Cern Swiss » Чет 09 фев 2012 8:27


fox_vt написа: ми кажи може ли да има само ток без напрежение
Естествено, че не - това (наред с други - посока, сила, съпротивление, мощност, вид и т.н.) са различни параметри на едно и също нещо - електр. ток (на база физ. явление електромагнетизъм). Но това са уроци от 7ми клас и който ги е пропуснал, има как да ги навакса от нета.

На мен ми е интересно какво ще сподели леонардо за тази сутрин, когато при него е -23 градуса. Дали му е помогнало да запали.
Защото никой не ми отговори на въпроса за 10 мин колко Ah от капацитета на батерията ще възстанови...


Потребителски аватар
bobocamaro
R.I.P
Мнения: 7510
Регистриран на: Вто 01 юли 2008 16:21
Автомобил: Golf 3 GTI
Двигател: 2E
Местоположение: София

Re: Генератор на ТОК за възбуждане на акумулатор

Мнениеот bobocamaro » Чет 09 фев 2012 9:49


Cern Swiss написа:
Защото никой не ми отговори на въпроса за 10 мин колко Ah от капацитета на батерията ще възстанови...

Кой го интересува това? Така, като слезна при окостената барака искам да пали.
Ако не запали, закони за цела верига и част от такава.....са ми баш през дедовия.
10 минути са точно, да има душица да подгрее некой тракалник и да врътне два,три пъти.
Айде малко по към чуковете и теслите, да се насочиме. Един вид.


Потребителски аватар
leonardo_vd
Мнения: 3022
Регистриран на: Съб 07 апр 2007 17:04
Автомобил: Golf mk1 VR6 TURBO
Двигател: AAA
Местоположение: Видин
Контакти:

Re: Генератор на ТОК за възбуждане на акумулатор

Мнениеот leonardo_vd » Чет 09 фев 2012 10:05


Cern Swiss написа:
fox_vt написа: ми кажи може ли да има само ток без напрежение
Естествено, че не - това (наред с други - посока, сила, съпротивление, мощност, вид и т.н.) са различни параметри на едно и също нещо - електр. ток (на база физ. явление електромагнетизъм). Но това са уроци от 7ми клас и който ги е пропуснал, има как да ги навакса от нета.

На мен ми е интересно какво ще сподели леонардо за тази сутрин, когато при него е -23 градуса. Дали му е помогнало да запали.
Защото никой не ми отговори на въпроса за 10 мин колко Ah от капацитета на батерията ще възстанови...

Еми понеже до в къщи е непроходимо оставих буса на центъра и не ми се занимаваше да мъкна боклуците с мен и пробвах с отличен акумулатор, но нафтата е замръзнала и като въртях ми плювна масло между охладитела и филтъра. Отказах се по термометър бе почти -30.
На комшията му е замръзнало парното. Тръбите в стаите и радиаторите. Не го е палил снощи.


Потребителски аватар
Cern Swiss
Мнения: 397
Регистриран на: Пон 15 ное 2010 18:39
Автомобил:
Двигател:

Re: Генератор на ТОК за възбуждане на акумулатор

Мнениеот Cern Swiss » Чет 09 фев 2012 11:11


По тоя повод искам да питам - ако стар дизел върти и отзад пуши яко черно, това гаранция ли е, че нафтата не е замръзнала. Или просто си издухва нагара по изпускателната? Идеята ми е, дали ако пуши черно мога да разчитам, че стига нафта до цилиндрите.


Потребителски аватар
muns61
Мнения: 7965
Регистриран на: Чет 01 юли 2010 8:45
Автомобил:
Двигател:
Местоположение: pleven

Re: Генератор на ТОК за възбуждане на акумулатор

Мнениеот muns61 » Чет 09 фев 2012 11:29


Вместо тези заигравки, вземи една горелка, направи стойка, за да не клечиш в снега и подгрей картера. След едно яко подгряване, да почне да пари, газовете от горелката подгряват нагоре мотора и така при -25 палеха даже ония Форд Транзит 2.5, без подгревните свещи.


Потребителски аватар
milmar
Мнения: 4935
Регистриран на: Съб 22 мар 2008 2:57
Автомобил: Passat B4 and B6 Variant
Двигател: 1Z and CBDC
Местоположение: Русе

Re: Генератор на ТОК за възбуждане на акумулатор

Мнениеот milmar » Чет 09 фев 2012 11:36


Cern Swiss написа:
milmar написа:...дори и само след 2-3 мин заряд с тази машина...
:shock С колко Ah ще се повиши капацитетът на акумулатора според теб за 2-3-5-10 мин????????? :shock
Но меракът се гаси само като направиш това, което искаш...


Нещо те интересува и питаш или се заяждаш :D ?
Ако наистина питаш нещо , попитай както трябва :idea: .
Аз написах , че при свестен , но измръзнал от студ и поизтощен акумулатор , дори 2-3 мин. заряд плюс помощтата на генератора са достатъчни за да запалиш . Още по-добре е да изчакаш 5-10 мин . Казвам това и технически обосновано и от опита си , паля кола вече двадесет и не знам коя си зима :D .


Потребителски аватар
fox_vt
Мнения: 2788
Регистриран на: Съб 22 мар 2008 18:22
Автомобил: Seat Toledo
Двигател: AHU 97
Местоположение: Велико Търново

Re: Генератор на ТОК за възбуждане на акумулатор

Мнениеот fox_vt » Чет 09 фев 2012 13:17


Cern Swiss написа:
fox_vt написа: ми кажи може ли да има само ток без напрежение
Естествено, че не - това (наред с други - посока, сила, съпротивление, мощност, вид и т.н.) са различни параметри на едно и също нещо - електр. ток (на база физ. явление електромагнетизъм). Но това са уроци от 7ми клас и който ги е пропуснал, има как да ги навакса от нета.

На мен ми е интересно какво ще сподели леонардо за тази сутрин, когато при него е -23 градуса. Дали му е помогнало да запали.
Защото никой не ми отговори на въпроса за 10 мин колко Ah от капацитета на батерията ще възстанови...

Защо мислиш че всичко това се прави да се зареди акумулатора,тук става въпрос за събуждане или просто за разджуркване на електролита и затопляне на същия.Ако не ти е известно има едно понятие-стартов ток,това е токът който може да отдаде акумулатора без да се повреди,но зависи от температурата,колкото е по ниска толкова повече намалява стартовия ток.И тук стигаме до ключа за палатката-може да се натовари аку то преди старта със фаровете напр,може да се закачи към зарядно за известно време 0,5-1 час,може да му се пусне по голям събуждащ ток с устройсво като на колегата или стартерна количка,или зарядно с бърз заряд.Нз какво толкова имаш против системата на колегата не е икономически оправдана но няма причина да не работи.


Потребителски аватар
leonardo_vd
Мнения: 3022
Регистриран на: Съб 07 апр 2007 17:04
Автомобил: Golf mk1 VR6 TURBO
Двигател: AAA
Местоположение: Видин
Контакти:

Re: Генератор на ТОК за възбуждане на акумулатор

Мнениеот leonardo_vd » Чет 09 фев 2012 20:34


Колеги как да не е икономически оправдана? В моя случай е много изгодна даже. Имам 3 генератора, няколко електромотора / и трифазен даже/ Ремъци стари колкото поискаш и шайби доста с различни размери така че и с оборотите мога да играя, но мисля че около 3000 са екстра. Утре се захващам че много студ при нас.

ПП. Интересен случай с масления филтър. Докато въртях при -30 просълзя масло между него и охладителя, около 20грама капна на земята. Зарязах буса и отдиох чак в 14 часа когато времето беше омекнало. Запалих а от филтъра и капка не потече :shock Филтъра е нов, маслот на около 500км. 10в40 за турбо дизел
Некви идеи?


Потребителски аватар
Cern Swiss
Мнения: 397
Регистриран на: Пон 15 ное 2010 18:39
Автомобил:
Двигател:

Re: Генератор на ТОК за възбуждане на акумулатор

Мнениеот Cern Swiss » Чет 09 фев 2012 20:42


Защото ако един от тия мотори харчи поне 10тина 20 пъти повече ток (~220V) от нормално зарядно. Зарядните са по 50-60W обикновено, електромоторите - ти си ги знаеш.
Отделно се занимаваш всяка сутрин, вместо като отидеш само да палиш и да тръгваш.
Но ако кажеш, че и ток не плащаш, вече нямам доводи против... :Mr Green Fun

Последна промяна от Cern Swiss на Чет 09 фев 2012 20:45, променено общо 1 път.


Потребителски аватар
leonardo_vd
Мнения: 3022
Регистриран на: Съб 07 апр 2007 17:04
Автомобил: Golf mk1 VR6 TURBO
Двигател: AAA
Местоположение: Видин
Контакти:

Re: Генератор на ТОК за възбуждане на акумулатор

Мнениеот leonardo_vd » Чет 09 фев 2012 20:45


Cern Swiss написа:Защото ако един от тия мотори харчи поне 10тина 20 пъти повече ток от нормално зарядно. Отделно се занимаваш всяка сутрин, вместо като отидеш само да палиш и да тръгваш.
Но ако кажеш, че и ток не плащаш, вече нямам доводи против... :Mr Green Fun

Е да де ама се ползва 10-тина дни в годината. До -20 нямам проблем, ама пусто време виж как ни го забучи. Зарядното трябва да го държа поне час а "адската машина" само 2 мин...."Кое ще изхарчи повече ток и време?


Потребителски аватар
Cern Swiss
Мнения: 397
Регистриран на: Пон 15 ное 2010 18:39
Автомобил:
Двигател:

Re: Генератор на ТОК за възбуждане на акумулатор

Мнениеот Cern Swiss » Чет 09 фев 2012 20:51


Пак казвам, явно не ме разбра - купуваш си за 5лв. един таймер за контакт (има го по магазините за електроматериали). Включваш го в контакта и го правиш в 5-6ч сутринта да включи зарядното за акумулатора, което предварително е закачено към колата. Зарядни бол - от 20лв. до много. Зарядното се включва в 5-6ч и до 9 примерно зарежда 3-4ч. Така акумулаторът ти е възстановен и в 9ч. палиш и заминаваш, вместо в студа да се занимаваш с глупости, които няма гаранция дали ще дадат резултат.

Относно цената на консумирания ток:
- зарядно - 4ч по 60-80W са към 0,24-0,32kWh. 4 часа заряд на 5А са ти 20Ah;
- мотор 1000W (примерно) за 15 мин ти е пак 0,25kWh. 15 мин заряд дори на 40А (което е много) са 10Аh - наполовина на зарядното;

Т.е. 15 мин работа на 1kW електромотор ти харчи ток поне колкото 4 часа зарядно и ще зареди наполовина, дано си ме разбрал.


batVenci
Мнения: 919
Регистриран на: Пет 09 дек 2011 19:55
Автомобил:
Двигател:

Re: Генератор на ТОК за възбуждане на акумулатор

Мнениеот batVenci » Чет 09 фев 2012 21:46


Колега във фирмата, в която работя продаваме зарядни. Почти всички зарядни имат амперметър. При продажба на зарядно го свързваме към произволен акумулатор за да види клиента, че зарядното работи. Досега не съм виждал акумулатор да поеме по-вече от 10 Ампера заряд за по-вече от няколко секунди. След първоначалният заряден пик, следва плавно спадане на зарядния ампераж на акумулатора. Създадената от теб система ел.мотор - генератор, обезпечава максимум ампераж, колкото е максималния ток на използвания генератор (80-120 ампера). Кагато първоначално се включи системата към акумулатора, последния се възбужда. Просто за десетина минути акумулатора не може да поеме голяма порция заряд (за съжаление такива са възможностите на обикновените оловни акумулатори). Освен това на -20 градуса химическите реакции в оловните акумулатори са изключително тромави. Кагато започне стартирането се реализира подпомагане на акумулатора от страна на генератора с неговите максимални 120 Ампера помощен ток. Да енергични 120 Ампера, които подпомагат много трудния стартов процес на -20 градуса. При нас продавахме немско зарядно Absaar за 200 лв., което обезпечава за максимум 10 секунди при старт до 200 Ампера помощен ток. Практиката показва, че дори и така често имаме рекламации, защото и тези 200 Ампера на -20 градуса са малко. Друг вариант се оказва ползването на помощно стартерно, реализирано на базата вграден акумулатор. Разбира се такъв вариант струва по-вече от 60-70 лв, но и тук успеха често не е на лице. На времето в автопарковете се използваха така наречените "тягови колички". Устройство представляващо мощен трансформатор, абе един вид разновидност на мощен електрожен, обезпечаващо 500 Ампера и по-вече стартов ток (след изправяне от мощен изправител). С такова устрайство просто няма как да не развъртиш ДВГ, дори и при -20 градуса без проблем. Проблемът тук е, че тези своего рода постоянно-токови електрожени разказват играта на стартера и най-вече на акумулатора. Но в ония времена в соц автопарковете това не бе проблем. Затова според мен колега най-добре си зареждай акумулатора винаги на макс. Преди студен старт подгрей акумулатора. Най-добре чрез включване акумулатора да работи известно време (около минута, две) с по-малки консуматори (фарове, вентилатор, подгряване и т.н.). На -20 градуса вътрешното съпротивление на акумулатора е много високо и така съответно електролита му се подгрява чрез включване на по-горе посочените консуматори. След минута, две температурата на електролита вече не е -20 градуса и така вече стартерния процес ще протече много по-лесно. При студен старт всяко съпротивление в ДВГ трябва да се елиминира, т.е. задължително е ползването на качествено масло и изключването на съединителя. Ако след максимум три опита от по 10 секунди на интервал от половин минута ДВГ не запали трябва да се търси причината в ДВГ (свещи, гориво и т.н.). Ако двигателя след такава манипулация не запали, то трябва акумулатора задължително да се прибере на топло. Инак на -20 градуса разредения електолит замръзва и следва покупка на нов акумулатор. В заключение ще кажа, че зимата, а и не само, при старт от първостепенна важност е правилния заряд на акумулатора. За целта аз всяка вечер си зареждам акумулатора с това зарядно:
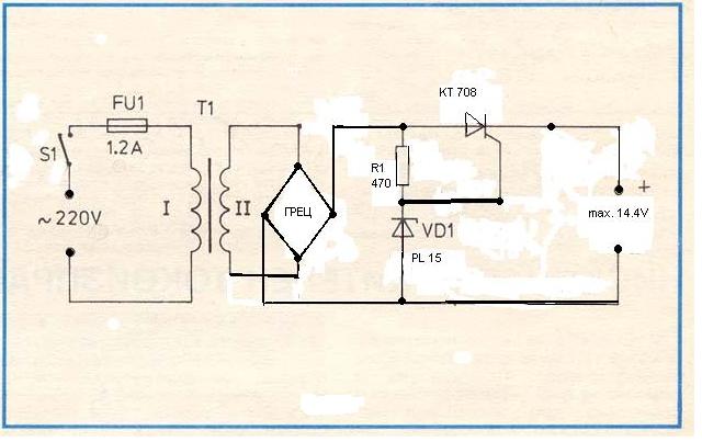
Схемата се състои от грец 1000V/50A - китайски (продава се в електронните магазини). "Автоматиката" е съставена от три елемента - чешки тиристор КТ 708, ценер PL 15 за 15 V опорно напрежение, и накрая резистор 470 ома/ 1 ват. Целият монтаж е обемен, като на тиристора е необходим радиатор (някаква ламарина). Заряда изключва при достигане на 14,4 V. Използвам кутията и трансформатора на 30 годишно пернишко зарядно "Кракра" - добре познато на старите автомобилисти (стария селенов грец съм заменил с по-горе посочения). Предполагам, че изработката няма да е проблем на по-вечето колеги.
Прикачени файлове
St115_13SN5.jpg

Последна промяна от batVenci на Чет 09 фев 2012 23:29, променено общо 1 път.


joro135
Мнения: 7
Регистриран на: Пон 16 авг 2010 21:04
Автомобил:
Двигател:
Местоположение: Смолян

Re: Генератор на ТОК за възбуждане на акумулатор

Мнениеот joro135 » Чет 09 фев 2012 22:23


Това с генератор+ел.мотор си го замислил добре,но генератора трябва да е с вградено реле-регулатор или ти трябва да му сложиш допълнително такова.А и на -20 да мъкнеш това зарядно па отваряш капаци включваш и чакаш 5 минути си е мъчение,иначе за бърз заряд на изтощен акумолатор е идеално.Идеята за часовник и зарядно ми се струва доста по добра но с малки доработки-зарядното е монтирано на колата+ел.нагревател монтиран в тръба която е свързана с малкия охладителен кръг на колата, така че антифриза да може да циркулира термосифонно(топлото нагоре студеното надолу).Нагревателя около 1-1.5кв трява да се контролира от терморегулатор за по сигурно.Нагревателя и зарядната вързани заедно на един щепсъл който се включват сутрин един час преди палене от часовника.Така минусите на тази система са че ще гори по ~2кв ток на сутрин по 0.20лв=0.40лв.Плюсовете са че акумолатора е с позатоплен електролит и отдава повече ток,двигателя е подгрят и се развърта по лесно а и оттам пали по лесно(особено дизелите с избягала компресия)и накрая но не и по значение веднага след като запалиш имаш парно.А и двигателя щом е топъл не те набутва с допълнително гориво да загрее което да кажем е половин литър-и вече си на далавера без значение на какво гориво си.А ти излизаш на студа изкючваш щепсела,прибираш кабела палиш колата и се кефиш на парното. :D Май линейки и пожарни имат такава система за подгряване за да могат веднага след палене да натиснат педала до ламарината.


Потребителски аватар
fox_vt
Мнения: 2788
Регистриран на: Съб 22 мар 2008 18:22
Автомобил: Seat Toledo
Двигател: AHU 97
Местоположение: Велико Търново

Re: Генератор на ТОК за възбуждане на акумулатор

Мнениеот fox_vt » Чет 09 фев 2012 22:30


leonardo_vd написа:...ПП. Интересен случай с масления филтър. Докато въртях при -30 просълзя масло между него и охладителя, около 20грама капна на земята. Зарязах буса и отдиох чак в 14 часа когато времето беше омекнало. Запалих а от филтъра и капка не потече :shock Филтъра е нов, маслот на около 500км. 10в40 за турбо дизел
Некви идеи?


Идеята е тази http://www.youtube.com/watch?v=ggJvsHqYGCo&feature=relatedи това е 5W 30,имаше един по интересен ама не мога да го намеря като мед е 10W40,и като напъне маслената помпа налягането доста се покачва и байпасния клапан не може да помогне.Иначе ти какви коли имаш и палиш със това твое устройство,и нямаш ли гараж.



Върни се в “Направи си сам!”

Кой е на линия

Потребители, разглеждащи този форум: Няма регистрирани потребители и 65 госта