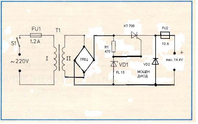
ktamen написа:Krasi написа:Имам проблем с подбора на ценера - напрежението не е толкова колкото трябва, сега е около 13.7 и спира заряда там.
Дали не е възможно това опорно напрежение да го изработим с нещо то стабило, например LM317 за да ги няма тия нестабилности с ценеровото опорно напрежение?
Преди две години разбрах за съществуването на TL 431. Това е интегрална схема с три извода (корпуса и е като на маломощен пластмасов транзистор). Оттогава и през ум не ми минава да използвам ценерови диоди. Тя лесно може да се сложи на мястото на всеки ценер и осигурява изключително стабилно напрежение от 2,49 до 36В. Между крачетата и се връзват два резистора, единия 1килоом, а другия се подбира в зависимост какво напрежение ни трябва - на негово място може да се сложи и потенциометър. В повечето компютърни захранвания има по няколко броя такива интегралчета.
Като правя някакво подобно устройство се старая да го събера в кутия от компютърно захранване като запазя вентилатора.
С тази интеграла сигурно става супер ,но искам пак да кажа ,че и с ценера няма проблеми поне при мен.Вече заредих 5 акумулатора като единия беше 72АЧ другия 45АЧ и напрежението не превишава 14,5В.
Схемата е направо "убиец"
