VW Скенер
Правила на форума
Натисни тук за да прочетеш Правилата на форума
Натисни тук за да прочетеш Правилата на форума
- absent
- Мнения: 427
- Регистриран на: Вто 29 май 2007 18:37
- Автомобил:
- Двигател:
- Местоположение: Свищов
VW Скенер
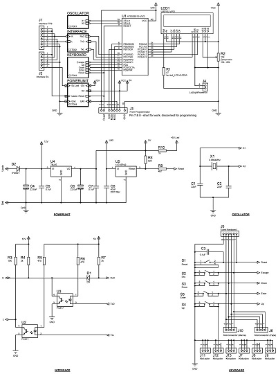
Здравейте колеги , реших да си покажа проекта който е още в процес на изработка , идеята е взаимствана от http://www.vw-scaner.narod.ru/ Георгием Гайдаренко подобрена от Павлом Лавровичем (Cyber_RAT) и накрая малко от мен
. Това е скенер VAG 1551 който работи с ECU по протокол KWP1281 , на кратко това е портативен скенер със собствен дисплей на базата на микроконтролер Atmega 8515. Със него могат да се четат и изтриват грешки от ECU , четене и изтриване на грешки на спирачната система ( ABS ), Както казах в момента е в процес на реализиране ( направена е хардуерната част ) все още не е изпробвано с връзка към ECU на колата ( В случая Golf 3 AAM ) . Ето като начало две снимки :
- nebeto
- Мнения: 988
- Регистриран на: Пет 18 дек 2009 17:46
- Автомобил: VW Passat B4 1.9TDI
- Двигател: AFN 1996
- Местоположение: Варна
Re: VW Скенер
бларово,изглежда полезно.Каква е разликата между този скенер и ВАГ-КОМ кабела?
- absent
- Мнения: 427
- Регистриран на: Вто 29 май 2007 18:37
- Автомобил:
- Двигател:
- Местоположение: Свищов
Re: VW Скенер
Не е нужен компютър включва се директно към диагностичната букса , може да се носи дори в джоба .
- kris11
- VW експерт

- Мнения: 13570
- Регистриран на: Нед 06 фев 2005 23:04
- Автомобил: VW Sharan 7M8
- Двигател: ADY_DBU_LPG LANDIRENZO OMEGAS
- Местоположение: Варна
- Контакти:
Re: VW Скенер
няма и графика
- horor1991
- Мнения: 100
- Регистриран на: Вто 01 дек 2009 17:02
- Автомобил:
- Двигател:
- Местоположение: Перник/Кладница
Re: VW Скенер
Извинявай за глупавия ми въпрос. А примерно може ли да го поставиш в колата и да седи като бордови компютър 

- da4ko
- Мнения: 52
- Регистриран на: Чет 10 дек 2009 21:31
- Автомобил: Golf 3
- Двигател: AEX 1995
- Местоположение: pazardjik
Re: VW Скенер
Това е много интересно! Ще следя развитието на темата с интерес! Обаче повечето от препратките в тоя линк не работят и не успях да му разгледам схемата та да разберем какви са му възможностите
...
Успехи!
Успехи!
- absent
- Мнения: 427
- Регистриран на: Вто 29 май 2007 18:37
- Автомобил:
- Двигател:
- Местоположение: Свищов
Re: VW Скенер
horor1991 написа:Извинявай за глупавия ми въпрос. А примерно може ли да го поставиш в колата и да седи като бордови компютър
Може аз съм замислил нещо подобно , Иначе в момента няма развитие по устройството защото чакам другата седмица да ми доставят два елемента
- absent
- Мнения: 427
- Регистриран на: Вто 29 май 2007 18:37
- Автомобил:
- Двигател:
- Местоположение: Свищов
Re: VW Скенер
da4ko написа:Това е много интересно! Ще следя развитието на темата с интерес! Обаче повечето от препратките в тоя линк не работят и не успях да му разгледам схемата та да разберем какви са му възможностите...
Успехи!
- absent
- Мнения: 427
- Регистриран на: Вто 29 май 2007 18:37
- Автомобил:
- Двигател:
- Местоположение: Свищов
Re: VW Скенер
Скенера е завършен и вече работи свързва се с колата
по късно като завърша и кутията ще сложа клип как работи .
сега съм се заел с правенето на кутия от стар мултимер . ще съм благодарен за идеи относно изгледа на уреда отпред , сега съм се спрял на това :
Бутони от стара елка 13 на 13 мм
ресет и контраст отвори 2.5 мм
размери на лепенката 11,1 на 7,2 см
Така изглежда оригиналната лепенка на мултимера след като се измисли дизайна ще я дам на рекламна фирма за изработката и ще я залепя на нейно място .
Мултимера.
Колеги ще съм благодарен за идеи на изгледа на лепенката
http://vwts.ru/forum/index.php?showtopic=27073
по късно като завърша и кутията ще сложа клип как работи .сега съм се заел с правенето на кутия от стар мултимер . ще съм благодарен за идеи относно изгледа на уреда отпред , сега съм се спрял на това :
Бутони от стара елка 13 на 13 мм
ресет и контраст отвори 2.5 мм
размери на лепенката 11,1 на 7,2 см
Така изглежда оригиналната лепенка на мултимера след като се измисли дизайна ще я дам на рекламна фирма за изработката и ще я залепя на нейно място .
Мултимера.
Колеги ще съм благодарен за идеи на изгледа на лепенката
http://vwts.ru/forum/index.php?showtopic=27073
Последна промяна от absent на Сря 16 юли 2014 18:06, променено общо 2 пъти.
- absent
- Мнения: 427
- Регистриран на: Вто 29 май 2007 18:37
- Автомобил:
- Двигател:
- Местоположение: Свищов
Re: VW Скенер
Изработката на кутията е готова
остана ми да дам на някой рекламна фирма изработката на лепенката .
Ето и какви грешки ми дава при свързването
След като измисля и дизайна на лепенката ще кача клип как работи
остана ми да дам на някой рекламна фирма изработката на лепенката .Ето и какви грешки ми дава при свързването
След като измисля и дизайна на лепенката ще кача клип как работи

Кой е на линия
Потребители, разглеждащи този форум: Няма регистрирани потребители и 41 госта