понеже много скоро карането на фарове ще е задължително както и глобите си спретнах сигнализация за изгорели крушки дълги/къси на старото и вярно поло 2ф
крушките са Н4 но предполагам че с лека доработка ще става и за ксенони и двусекциони фарове
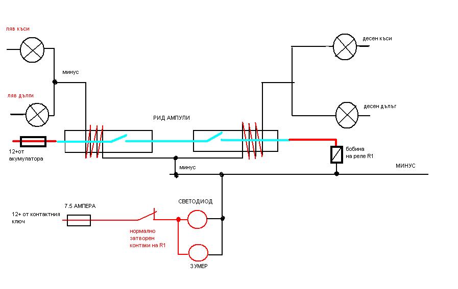
досега бях си сложил реле което включва фаровете с стартирането на двигателя и съответно изгасват с изгасянето на двигателя
но с тоя новия закон се налагат да се вземат други мерки
конкретно:
набавяме си рид ампули,в случая на мен ми трябват 2 броя като тези http://tpetrov.com/search.php?prod=%D0% ... 0%B0+10+MN контактната система е за 2ампера ток ,но повечето са по слаби и незнам доколко ще устискат
върху ампулата се навива 6-7-8 навивки бобинажен лакиран проводник с диаметър около 2мм/ориентир-колкото е минуса на фаровете/
минуса на всеки фар се прекъсва и се съединява с навивките върху рид ампулата,така тока който протича при включени къси/дълги затваря контактната система на ампулата
здрава крушка---протича ток---рид контакта затваря веригата---сработва реле---сигналния светодиод не свети
при изгоряла крушка
няма ток---рид контакта прекъсва---релето изключва---светва светодиод /може и зумер/
по времена стартиране контаактния ключ прекъсва фаровете и съответно визуално се прави преценка дали сигнализацията работи
сигнализация за изгорели/забравени да се включат/фарове
Правила на форума
Натисни тук за да прочетеш Правилата на форума
Натисни тук за да прочетеш Правилата на форума
-
madnes
- Мнения: 4
- Регистриран на: Пет 25 ное 2011 21:48
- Автомобил:
- Двигател:
- Местоположение: Стара Загора
Re: сигнализация за изгорели/забравени да се включат/фарове
благодаря колега 
- kris11
- VW експерт

- Мнения: 13575
- Регистриран на: Нед 06 фев 2005 23:04
- Автомобил: VW Sharan 7M8
- Двигател: ADY_DBU_LPG LANDIRENZO OMEGAS
- Местоположение: Варна
- Контакти:
Re: сигнализация за изгорели/забравени да се включат/фарове
Ще имаш лек спад на напрежението в/у късите и дългите - намалена осветеност.
Хората слагат релета на къси и дълги за подобряване на осветеността -ти я намаляш.
И ляв и десен фар едновременно да изгори нишка е голяма рядкост. И да те спрат сменяш за 2-5 мин изгорялата на място и тръгваш без проблеми от КАТ.
Хората слагат релета на къси и дълги за подобряване на осветеността -ти я намаляш.
И ляв и десен фар едновременно да изгори нишка е голяма рядкост. И да те спрат сменяш за 2-5 мин изгорялата на място и тръгваш без проблеми от КАТ.
- porko
- Мнения: 337
- Регистриран на: Съб 28 окт 2006 19:58
- Автомобил: VW POLO
- Двигател: AAU 1994
- Местоположение: Русе
Re: сигнализация за изгорели/забравени да се включат/фарове
Не знам тези 2 ампера на ридампулата как ще издържат 55 вата на лампата,които са близо 5 ампера.Плюс дългите...При това ако си на дълъг път...Ако си с ЛЕД светлини-да.Но с 55 ватова крушка...
- moimoimoi
- Мнения: 2418
- Регистриран на: Сря 21 мар 2007 21:05
- Автомобил:
- Двигател:
- Местоположение: В голф2 VR6 турбо
Re: сигнализация за изгорели/забравени да се включат/фарове
върху рид ампулата се навиват 5-6-7 навивки от проводник през който минава тока от крушките
а през контакта на рид ампулата минава само тока за бобинката на релето-0.22ампера,което е 10 пъти по малко от 2ампера който може да понесе ампулата
пп:до kris11, добавянетона 10-15 см проводник в веригата на масата ще влоши работоспособноста на фаровете по малко от 1%
а през контакта на рид ампулата минава само тока за бобинката на релето-0.22ампера,което е 10 пъти по малко от 2ампера който може да понесе ампулата
пп:до kris11, добавянетона 10-15 см проводник в веригата на масата ще влоши работоспособноста на фаровете по малко от 1%
- kris11
- VW експерт

- Мнения: 13575
- Регистриран на: Нед 06 фев 2005 23:04
- Автомобил: VW Sharan 7M8
- Двигател: ADY_DBU_LPG LANDIRENZO OMEGAS
- Местоположение: Варна
- Контакти:
Re: сигнализация за изгорели/забравени да се включат/фарове
moimoimoi написа:пп:до kris11, добавянетона 10-15 см проводник в веригата на масата ще влоши работоспособноста на фаровете по малко от 1%
да 0,1- 0,12В, но пада осветеността. Плюс това тази тел е тънка- нпоне 2,5 мм2. Излишни усложнения.
- plameney
- Мнения: 397
- Регистриран на: Вто 25 май 2010 21:46
- Автомобил: Passat B5 1.6
- Двигател: ARM 2000
- Местоположение: Асеновград
- Контакти:
Re: сигнализация за изгорели/забравени да се включат/фарове
kris11 написа:да 0,1- 0,12В, но пада осветеността. Плюс това тази тел е тънка- нпоне 2,5 мм2. Излишни усложнения.
Колегата е писал проводник с диаметър 2мм,т.е. сечението на проводника е 3.14 кв.мм (формула за лице на кръг П.r^2 или 3,14.1.1=3,14кв.мм)Идеята на колегата за такъв контрол на консумацията е добра.Аз ще се възползвам.
- moimoimoi
- Мнения: 2418
- Регистриран на: Сря 21 мар 2007 21:05
- Автомобил:
- Двигател:
- Местоположение: В голф2 VR6 турбо
Re: сигнализация за изгорели/забравени да се включат/фарове
всъщност ползвах по тънка,1.5мм2 и няма проблем,важното е да е лакирана-каквато се ползва за пренавиване на двигатели
реално през нея минават 5ампера най много
реално през нея минават 5ампера най много
- porko
- Мнения: 337
- Регистриран на: Съб 28 окт 2006 19:58
- Автомобил: VW POLO
- Двигател: AAU 1994
- Местоположение: Русе
Re: сигнализация за изгорели/забравени да се включат/фарове
Прав си.Не съм догледал схемата.
- kris11
- VW експерт

- Мнения: 13575
- Регистриран на: Нед 06 фев 2005 23:04
- Автомобил: VW Sharan 7M8
- Двигател: ADY_DBU_LPG LANDIRENZO OMEGAS
- Местоположение: Варна
- Контакти:
Re: сигнализация за изгорели/забравени да се включат/фарове
porko написа:Прав си.Не съм догледал схемата.
Споко - не си само ти.

-
sashot
- Мнения: 529
- Регистриран на: Чет 07 фев 2008 16:09
- Автомобил:
- Двигател:
- Местоположение: Бургас
Re: сигнализация за изгорели/забравени да се включат/фарове
Подходът на колегата - топикстартер е правилен и по мое скромно мнение по-добър от стандартно използваното във фабричните реализации решение с мощни резистори, върху които се мери пад на напрежението. Единствен възможен недостатък е евентуално лъжливо сработване на индикацията от затваряне на рид-контакта при силни вибрации - например преминаване през сериозна неравност, но това е по-скоро теоретична възможност.
Схемата може да се упрости, особено ако се откажем от зумера, като от нея се изключи релето, а двете, последователно свързани ампули се включат успоредно на светодиода. По този начин, когато контактите им са затворени, вседствие на протичащия през здрави спирали на крушките на фаровете номинален ток те ще го шунтират и той няма да свети, а ако някой от контактите се отвори, токът ще протича през светодиода и той ще свети. Естествено такава реализация е възможна само ако се използват светодиоди с токогасящ резистор, но не и 12 Волтови индикаторни крушки.
Схема:
+ 12 V ---###----a----\ ---\ ----b--- маса
a----!>----b
където с -###- е изобразен токогасящия резистор, формиращ номиналния док през светодиода,
с -\ - контактите на рид-ампулите и с -!>- светодиодът.
Естествено схемата може да се използва за контрол на всички светлини в колата, а не само за фаровете, като е необходимо да се определи точния брой навивки върху рид-ампулите, които да осигурят сработването им за всяка контролирана верига.
Ех пък ако някой се хване да направи мод на софтуера на таблото, така че систематично то, при работещ двигател, да "опипва" светлинните вериги за проблем и при евентуален такъв, това да се индицира на дисплея...
))))
Бих бил признателен на автора за пояснение по въпроса за важността от използването на проводник с лакова изолация. Защо не може да се използва такъв с ПВХ? Само защото заема повече място или и други съображения?
Схемата може да се упрости, особено ако се откажем от зумера, като от нея се изключи релето, а двете, последователно свързани ампули се включат успоредно на светодиода. По този начин, когато контактите им са затворени, вседствие на протичащия през здрави спирали на крушките на фаровете номинален ток те ще го шунтират и той няма да свети, а ако някой от контактите се отвори, токът ще протича през светодиода и той ще свети. Естествено такава реализация е възможна само ако се използват светодиоди с токогасящ резистор, но не и 12 Волтови индикаторни крушки.
Схема:
+ 12 V ---###----a----\ ---\ ----b--- маса
a----!>----b
където с -###- е изобразен токогасящия резистор, формиращ номиналния док през светодиода,
с -\ - контактите на рид-ампулите и с -!>- светодиодът.
Естествено схемата може да се използва за контрол на всички светлини в колата, а не само за фаровете, като е необходимо да се определи точния брой навивки върху рид-ампулите, които да осигурят сработването им за всяка контролирана верига.
Ех пък ако някой се хване да направи мод на софтуера на таблото, така че систематично то, при работещ двигател, да "опипва" светлинните вериги за проблем и при евентуален такъв, това да се индицира на дисплея...
Бих бил признателен на автора за пояснение по въпроса за важността от използването на проводник с лакова изолация. Защо не може да се използва такъв с ПВХ? Само защото заема повече място или и други съображения?
- alexass13
- Мнения: 83
- Регистриран на: Вто 26 фев 2008 20:03
- Автомобил:
- Двигател:
- Местоположение: Sofia
Re: сигнализация за изгорели/забравени да се включат/фарове
На Фиат Типо съм виждал модул за контрол на лампите.Мисля че бяха само за габарити и стоп светлина/ 5ват. и 21ват./Дали може да се преработи за 55ват.лампа?Мен също ме интересува контрола на лампите на фаровете дали светят. Другото за което се сещам на мястото на габаритната лампа, но не знам дали ще е ефективно да ги контролирам по осветеност/регулируем фото сензор/ или по температура,също DC преобразувател ТОК/НАПРЕЖЕНШЕ с минм.спад ?
- porko
- Мнения: 337
- Регистриран на: Съб 28 окт 2006 19:58
- Автомобил: VW POLO
- Двигател: AAU 1994
- Местоположение: Русе
Re: сигнализация за изгорели/забравени да се включат/фарове
moimoimoi написа:върху рид ампулата се навиват 5-6-7 навивки от проводник през който минава тока от крушките
а през контакта на рид ампулата минава само тока за бобинката на релето-0.22ампера,което е 10 пъти по малко от 2ампера който може да понесе ампулата
пп:до kris11, добавянетона 10-15 см проводник в веригата на масата ще влоши работоспособноста на фаровете по малко от 1%
Днес правих опит с рид ампули.Навих 8 навивки от бобинажен проводник с Ф1.5-лакиран.Толкова събрах върху ампулата.Опитах с 21 ватова крушка-ядец.В първия момент леко проблясва в дълбочина светодиода и край-никой вече няма.С 100 ватова крушка-същия ядец.Не свети светодиода.Сложих мултицета на двата края на ампулата да меря за късо.Ядец.Изобщо не помръдна.А с магнит работи,че се къса.Не знам при теб как е проработило...Струва ми се,че навивките трябва да са бая повече-като в рид реле за да проработи.Но с дебелия проводник едва ли ще се съберат поне 100 навивки.
- vlad1.8mi
- Мнения: 201
- Регистриран на: Чет 18 ное 2004 12:39
- Автомобил: VW Passat Variant
- Двигател: 1.8T+ AEB 1999
- Местоположение: ,Плевен,София
Re: сигнализация за изгорели/забравени да се включат/фарове
Ако си използвал схемата на Колегата,светодиода НЕ трябва да свети(при включени лампи,изправни)! 
-
pav4omed
- Мнения: 70
- Регистриран на: Пон 02 юли 2012 16:42
- Автомобил:
- Двигател:
- Местоположение: София
Re: сигнализация за изгорели/забравени да се включат/фарове
Има и друг вариянт: с оптиченк кабел. Буташ го във фара на другия край нещо да му поразсее светлината, и като спре да свети значи има инфекция.
Само дето не мога да намеря такъв кабел по магазините. Ако някой знае къде в София мога да намеря такова чудо да пише.
А иначе идеята на колегата е много интересна, не ме бива много по тоците, така че ако е надежна схемата мога и това да пробвам. Някой който я е изпълнил да каже бачка ли, че много противоречиви мнения се събраха.
Само дето не мога да намеря такъв кабел по магазините. Ако някой знае къде в София мога да намеря такова чудо да пише.
А иначе идеята на колегата е много интересна, не ме бива много по тоците, така че ако е надежна схемата мога и това да пробвам. Някой който я е изпълнил да каже бачка ли, че много противоречиви мнения се събраха.
Кой е на линия
Потребители, разглеждащи този форум: Няма регистрирани потребители и 61 госта