VW Gamma V AUX-In
- batkotivalio
- Мнения: 597
- Регистриран на: Съб 12 май 2007 20:56
- Автомобил: VW Golf TDI
- Двигател: AJM
- Местоположение: София
- Контакти:
Re: VW Gamma V AUX-In
..................
Последна промяна от Pichaga на Чет 21 май 2015 19:46, променено общо 1 път.
Причина: такива мнения на по бира, не тук!
Причина: такива мнения на по бира, не тук!
- dancing_niki
- Скиора
- Мнения: 2107
- Регистриран на: Нед 24 сеп 2006 17:55
- Автомобил: VW Touareg V6 TDI Individual
- Двигател: CASA
- Местоположение: София
Re: VW Gamma V AUX-In
Не разбирам от електроника, но ако сложиш някакъв консуматор със сходни параметри на консумираната мощност на моторчето няма ли да стане. Друго за което се сещам е евентуално моторчето да е с енкодер, за да може да му сменя скоростта в зависимост от това колко е навита лентата на ролката. Идея си нямам. Колко кабела влизат в моторчето?
Re: VW Gamma V AUX-In
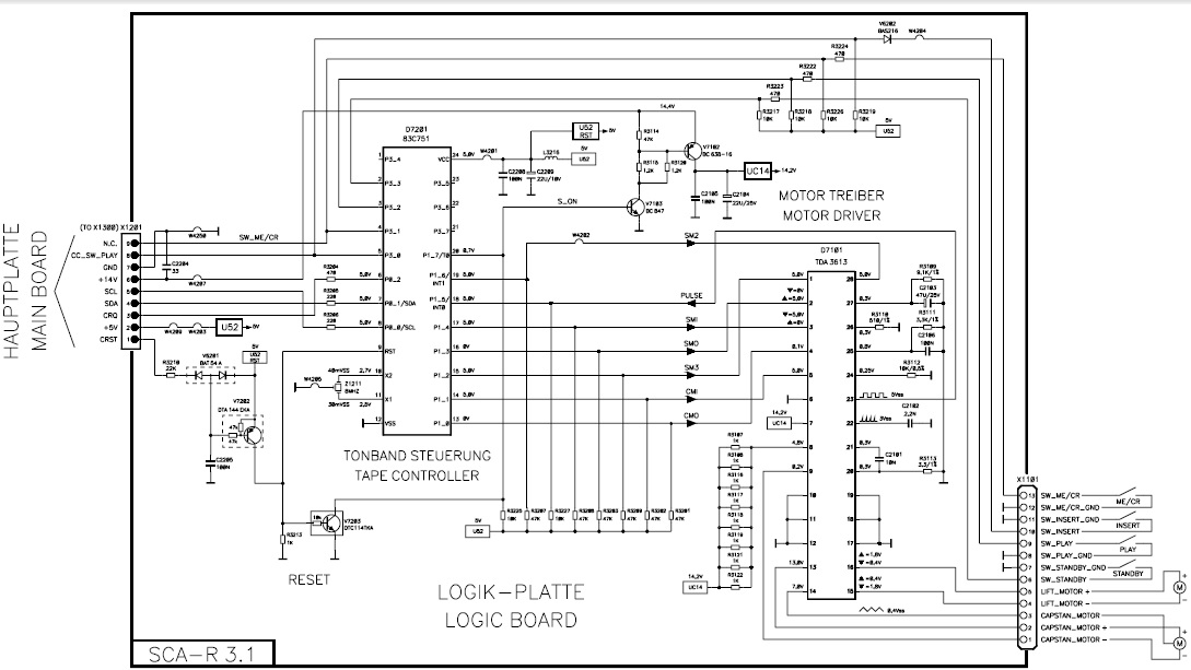
Пробвах и с консуматор и не стана! Тръгва за момент и след 5 секунди излиза грешка! След много търсене в нета открих схема на цялото радио и разбрах горе доло какво се случва, но нямам идея с какво да излъжа електроника, че моторчето върти. В него влизат два кабела, но има обратен импулсен сигнал който следи дали се движи и с каква скорост! Четох за някакъв тригер, но как става не можах да открия. Качвам схемата, ако някой по на Ти с електрониката измисли нещо, Моля да сподели! Да ама не, фаила е прекалено голям и не става, за това качвам само снимка на схемата!
Re: VW Gamma V AUX-In
Ето как много лесно може да си направите инструментите от тази картинка, за демонтаж на плеъра:

https://www.youtube.com/watch?v=XqNvhGTyT4c
https://www.youtube.com/watch?v=XqNvhGTyT4c
- Atreyu
- Мнения: 20
- Регистриран на: Съб 06 окт 2007 0:49
- Автомобил:
- Двигател:
- Местоположение: София
- Контакти:
Re: VW Gamma V AUX-In
Прекрасна тема, нека я съживя малко. За по-мързеливите собственици на Gamma, на които не им се занимава със запояване и т.н. Някой знае ли къде има такива:
http://www.tme.eu/bg/details/int.aux-08/interfeysi-aux/#
Очевидно само с кабел не става >> http://www.aliexpress.com/item/Audew-Black-Becker-Blaupunkt-AUX-Audio-Input-Cable-Adaptor-3-5mm-For-VW-Golf-Passat-B5/32442658696.html?spm=2114.30010308.3.1.MQHsz4&ws_ab_test=searchweb201556_2,searchweb201644_4_10001_505_10002_506_10016_503_504_10005_10006_10003_10004_502,searchweb201560_2,searchweb1451318400_-1,searchweb1451318411_6449&btsid=dadb39e2-6449-4c04-9471-6d161c766f51
Благодаря!
http://www.tme.eu/bg/details/int.aux-08/interfeysi-aux/#
Очевидно само с кабел не става >> http://www.aliexpress.com/item/Audew-Black-Becker-Blaupunkt-AUX-Audio-Input-Cable-Adaptor-3-5mm-For-VW-Golf-Passat-B5/32442658696.html?spm=2114.30010308.3.1.MQHsz4&ws_ab_test=searchweb201556_2,searchweb201644_4_10001_505_10002_506_10016_503_504_10005_10006_10003_10004_502,searchweb201560_2,searchweb1451318400_-1,searchweb1451318411_6449&btsid=dadb39e2-6449-4c04-9471-6d161c766f51
Благодаря!
Върни се в “CAR Audio, Video & Navigation”
Кой е на линия
Потребители, разглеждащи този форум: Няма регистрирани потребители и 34 госта