поло 1.9 Д 96 година подгряващо реле
- mario91
- Мнения: 164
- Регистриран на: Пет 21 мар 2008 22:33
- Автомобил:
- Двигател:
- Местоположение: Перник
Re: поло 1.9 Д 96 година подгряващо реле
Колега с бутон няма да знаеш колко да подгряваш, принципно може да се замени с реле за време, и от него да си въртиш секундите на който да подгрява колата, но не е препорачително
-
radcoff
- Мнения: 10
- Регистриран на: Вто 17 авг 2010 18:34
- Автомобил:
- Двигател:
- Местоположение: Pazardzhik
Re: поло 1.9 Д 96 година подгряващо реле
mario91 написа:Релето се намира най горе при бушоните , то е продълговато, най лесно може да се ориентират по кабелите от бушона дето влизат в купето, и кат загледате кабела той трябва да е червен с бяло, или червен и ще видите релето. При мен релето беше 103 а новото дето го сложих е 109 от друг пасат. Ето го как изглежда ново е към 45-50 лева.
А това твоето реле с колко крачета е.Аз го намерих в един каталог на евро 07 със същата снимка дето си качил, а като ходих в магазина те не можаха да го намерят.Ако твоето е с 18 крачета може утре да им звънна и да им пратя линк към техния каталог.
- mario91
- Мнения: 164
- Регистриран на: Пет 21 мар 2008 22:33
- Автомобил:
- Двигател:
- Местоположение: Перник
Re: поло 1.9 Д 96 година подгряващо реле
Моето е с по малко, непомним колко точно бяга, тря погледна старото в колата ми. На голф 3-ка 1.9 тди се различаваше от моето с 1 краче в повече, но броя и е далеч по малко от 18 
-
velsi
- Мнения: 3
- Регистриран на: Нед 02 окт 2011 11:41
- Автомобил:
- Двигател:
- Местоположение: В. Търново
Re: поло 1.9 Д 96 година подгряващо реле
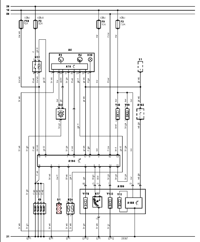
Колеги, освен релето К22, което комутира веригата на подгряващите свещи R5 в схемата участва и модула А104 (този с 18-те крака). В него влиза сигнала от температурния датчик В24, който се намира на пластмасовия тройник на главата. Възможно е проблема да е в този модул или в датчика или в лоши връзки. Аз бих тръгнал от датчика първо.
- mr_green
- Мнения: 32
- Регистриран на: Съб 01 дек 2007 23:33
- Автомобил:
- Двигател:
- Местоположение: Троян
- Контакти:
Re: поло 1.9 Д 96 година подгряващо реле
Здравейте ,имах същия проблем и моето Поло е с този мотор-АЕФ .Та номера на релето ми е 104 и е с 4 крачета,купих си ново за 14 лева и проблема се реши.Пиша ви защото като гледам ,какви цифри споменавате малий това е от мен успех! 
-
radcoff
- Мнения: 10
- Регистриран на: Вто 17 авг 2010 18:34
- Автомобил:
- Двигател:
- Местоположение: Pazardzhik
Re: поло 1.9 Д 96 година подгряващо реле
Релето е долу вдясно 105 е мойто от моргата от него се е бъзикало (нямало е хубажа маса на крачетата) взех за 5 лв. и го оправих.
-
doko6699
- Мнения: 11
- Регистриран на: Съб 01 яну 2011 19:32
- Автомобил:
- Двигател:
- Местоположение: Jambol
Re: поло 1.9 Д 96 година подгряващо реле
колега провери си дачика за температура може проблема да е там при мен беше така
Върни се в “Дизелови агрегати”
Кой е на линия
Потребители, разглеждащи този форум: Google [Bot] и 60 госта