Голф 3 1.9ТДИ 90кс с чип странно свистене - РЕШЕНО
- val4o_00
- Мнения: 36
- Регистриран на: Вто 25 дек 2007 9:32
- Автомобил:
- Двигател:
- Местоположение: там,до реката
Голф 3 1.9ТДИ 90кс с чип странно свистене - РЕШЕНО
колата е Голф 3 1.9ТДИ 90кс с чип.значи когато се включи турбото започва да се чува едно свистене,нали турбината си свири,но паралелно с нея се чува и звук наподобяващ въздух които излиза от някаде под голямо налягане.огледах маркучи и съединения,но са здрави.интересното е че когато форсирам на място го няма това свистене,само в движение се чува и то доста силно.ако някои се е срещал с подобен проблем....може да сподели
- mr_bush
- Мнения: 3523
- Регистриран на: Съб 05 май 2007 19:59
- Автомобил: Vw Transporter T6
- Двигател: 2016
- Местоположение: Bg
Re: странно свистене
имах същия проблем... беше спукан маркуч 
- krasio00o
- Мнения: 765
- Регистриран на: Нед 14 окт 2007 0:52
- Автомобил: Passat B5
- Двигател: ADR 1998
- Местоположение: Варна
Re: странно свистене
val4o_00 написа:значи когато се включи турбото започва да се чува едно свистене,нали турбината си свири,но паралелно с нея се чува и звук наподобяващ въздух които излиза от някаде под голямо налягане.
И на моята голфетка имам същия проблем.Гледал съм 10 пъти турбо пътища и генерацията всичко изглежда нормално.Имам някакви съмнения в меката връзка на ауспуха ,но без смяна няма как да разбера.При теб колега при отнемане на газта шума изчезва ли?
- val4o_00
- Мнения: 36
- Регистриран на: Вто 25 дек 2007 9:32
- Автомобил:
- Двигател:
- Местоположение: там,до реката
Re: странно свистене
значи днес разбрах какво е.горе,дебелите маркучи дето вкарват въздуха към кулера,единия беше пробит,но от вътрешна страна и от там излиза въздуха.за сега е увит с изолирбан докато намеря нов,но важното е че открих проблема.благодаря за напътствията,а за колегата..чуваше се само когато подам газ,не и като я върна.
- krasio00o
- Мнения: 765
- Регистриран на: Нед 14 окт 2007 0:52
- Автомобил: Passat B5
- Двигател: ADR 1998
- Местоположение: Варна
Re: странно свистене
ммм интересното при мен ,че се чува ясно долу в дясно около турбината или от генерацията някъде.Лошото е,че няма нищо видимо ,а на място не го прави.При теб щом си имал пробив в турбо пътищата пушеше ли ти колата или дупката е била малка?
- BRUKLLIN
- Мнения: 363
- Регистриран на: Пон 15 сеп 2008 21:31
- Автомобил:
- Двигател:
- Местоположение: Passat- TDI 110hp. AFN
Re: странно свистене
Когато е малка дупката не пуши!
Огледаи си колега гумените турбо пътища и закрепващите скоби,от генерацията не мисля че може да е това свистене!
Огледаи си колега гумените турбо пътища и закрепващите скоби,от генерацията не мисля че може да е това свистене!
- Stoyanov_Vw
- Мнения: 528
- Регистриран на: Вто 06 дек 2011 1:31
- Автомобил: Golf Mk4
- Двигател: 1.9 TDI AHF
- Местоположение: Bourgas
Re: странно свистене
Много е стара темата, но и аз го имам същия проблем. Намерихте ли решение? Огледал съм навсякъде, всичко е стегнато и изглежда нормално 

- Stoyanov_Vw
- Мнения: 528
- Регистриран на: Вто 06 дек 2011 1:31
- Автомобил: Golf Mk4
- Двигател: 1.9 TDI AHF
- Местоположение: Bourgas
Re: странно свистене
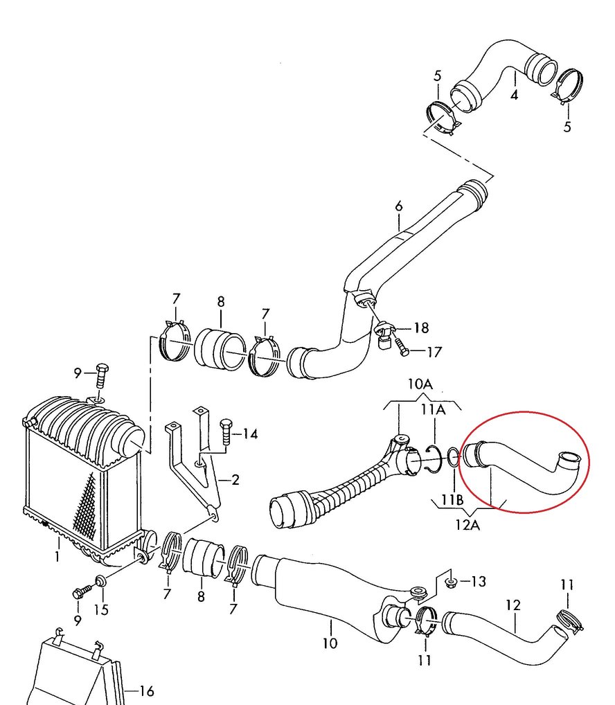
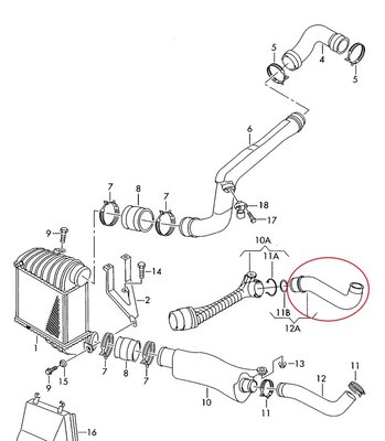
Проблема е намерен. Оказа се спукан мъркуч между турбото и интеркулера.
ПП: Зада съм полезен на колегите след мен каталожния му номер е: 1J0145828T. Ето и нагледно
ПП: Зада съм полезен на колегите след мен каталожния му номер е: 1J0145828T. Ето и нагледно
Върни се в “Дизелови агрегати”
Кой е на линия
Потребители, разглеждащи този форум: licho58 и 51 госта