Иначе са ми сложили свещи БОШ..а реле щели да ми преправят от ПЕЖО (около 50лв)..било съвместимо.
Питали си доставчика..ново реле за моята колица е 600 лв

-----------------
POLO 1.9D 99г AEF

tisho_tch написа:
Питали си доставчика..ново реле за моята колица е 600 лв![]()
![]()
![]()
-----------------
POLO 1.9D 99г AEF

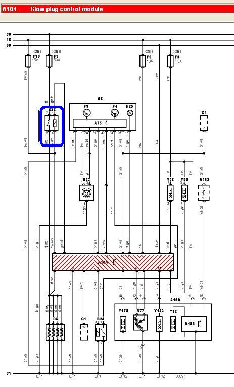
tisho_tch написа:Колеги от няколко дни колата отказа напълно да пали: акумолатор-6, стартер-6..бял пушек отзад...и никакви надежди за палене. Издърпах я до един сервиз на БОШ (наблизо) за ремонт. Казаха ми че 4-те свещи (ориг. БЕРУ) са изгоряли заради неизправно реле..подавало ток постоянно. Въпросът ми е: Възможно ли е това при положение, че 15 сек. след въртене на ключа релето го чувам да ЦЪК-а всеки път ???
Иначе са ми сложили свещи БОШ..а реле щели да ми преправят от ПЕЖО (около 50лв)..било съвместимо.
Питали си доставчика..ново реле за моята колица е 600 лв![]()
![]()
![]()
-----------------
POLO 1.9D 99г AEF
Andonov написа:Щом имаш нови 4бр свещи карай и не сменяйте релето.За това пак казвам, че НЯМАШ проблем по колата. Проблема е бил само в изгорелите свещи.

tisho_tch написа:...ами нали съм я оставил в оторизиран сервиз на БОШ уж знаят какво правят
Върни се в “Дизелови агрегати”
Потребители, разглеждащи този форум: batteto.1984 и 67 госта