Ауди а3 2.0тди пд 170кс 2006г тракане като шевна машина

Печките са на мода. Дори и дизела да е по-скъп феновете му са много...
vip65
Мнения: 28
Регистриран на: Вто 10 дек 2013 14:26
Автомобил:
Двигател:

Ауди а3 2.0тди пд 170кс 2006г тракане като шевна машина

Мнениеот vip65 » Пет 20 дек 2013 19:32


Здравеите колеги,пуснах тази тема и в този форум нали сме все от ваг групата.От скоро съм собственик на този автомобил.Отскоро се появи едно тракане на мотора като шевна машина при подаване на газ независимо в движение или на място.В движение се усешта по ясно.Дюзите ги смених с нови по акцията безплатно но тракането си остана.Вкарвах е в сервиз за смяна на биелни лагери но се оказа че там е всичко ок.Моля за вашето мнение.Отначало това чукане се появяваше по рядко но сега си чука постоянно особено при подаване на газ в движение,като отнемеш гаста чукането изчезва.




Golfardo
Мнения: 92
Регистриран на: Нед 08 юни 2008 17:05
Автомобил:
Двигател:
Местоположение: София

Re: Ауди а3 2.0тди пд 170кс 2006г тракане като шевна машина

Мнениеот Golfardo » Нед 22 дек 2013 8:50


Колега така стана и с моя голф 4 алх мотор, съ6тото описание,което дава6.Мога да ти кажа,че и до ден дне6ен си трака така от 5 години .Тракането се получи, когато турбината си замина,вкара масло в цилиндрите и се самофорсира двигателя.Та така и не разбрах,какво трака :)Аз предполагам,че при теб се е получилоследното:- Купил си колата наскоро и са и били сипали някаква добавка. Затова не ти е чукала в началото.Ако някой има други идеи по случая да пи6е.При мен поне знам от какво се се получи този проблем.


vip65
Мнения: 28
Регистриран на: Вто 10 дек 2013 14:26
Автомобил:
Двигател:

Re: Ауди а3 2.0тди пд 170кс 2006г тракане като шевна машина

Мнениеот vip65 » Нед 22 дек 2013 17:56


Днес ходих в друг сервиз да ми замерят компресията на цилиндрите и се оказа че и там няма проблем,всичките бяха с едни и същи показания и казаха ,че всичко е ок.Маистора я слуша снякакви слушалки и каза че чукането наѝ много се усещало около тандем помпата.Иска по нататък да проверява повдигачите и лагерите на валовете.


Потребителски аватар
DoH_KuXoT
Мнения: 6316
Регистриран на: Пон 12 сеп 2005 14:01
Автомобил:
Двигател:

Re: Ауди а3 2.0тди пд 170кс 2006г тракане като шевна машина

Мнениеот DoH_KuXoT » Нед 22 дек 2013 23:43


сигурен ли си, че чукането не идва от лагера на съединителя ? При моя спортбек се чуваше точно така описаното чукане и определено не беше от двигателя, а от скоростната кутия и като е по-топло се усилваше.


Потребителски аватар
Steels
Мнения: 430
Регистриран на: Пон 28 юли 2008 17:59
Автомобил: Arteon SB 280hp
Двигател: DNFE
Местоположение: Бургас/София

Re: Ауди а3 2.0тди пд 170кс 2006г тракане като шевна машина

Мнениеот Steels » Пон 23 дек 2013 0:14


Този двигател задвижването с верига ли е на маслената помпа? При мен като бях с верига се чуваше едно тракане. Ако си с верига ходи я преравяй на зъбни колела или профилактично си смени обтегача веригата и шестограма на маслената помпа


vip65
Мнения: 28
Регистриран на: Вто 10 дек 2013 14:26
Автомобил:
Двигател:

Re: Ауди а3 2.0тди пд 170кс 2006г тракане като шевна машина

Мнениеот vip65 » Пон 23 дек 2013 11:01


Значи чукането не се променя при натискане на съединителя независимо на място или в движение е колата.То тросто чука с оборотите на двигателя,при повишаване на об.се увеличава и то.С верига съм на маслената помпа но тя е друг модел без шестограм и балансиращи валове.Като сваляха картера ги погледнахме и нямаха проблем.
Може ли да е от тандем помпата.


Потребителски аватар
ifidik
Мнения: 1709
Регистриран на: Пон 05 ное 2007 18:34
Автомобил: Corrado TDI 4x4
Двигател:
Местоположение: Варна
Контакти:

Re: Ауди а3 2.0тди пд 170кс 2006г тракане като шевна машина

Мнениеот ifidik » Пон 23 дек 2013 20:16


не, не може да е от тандемпомпата, но 2,0 тди без шестограм :screwy ,трябва да е гаражно изпълнение


vip65
Мнения: 28
Регистриран на: Вто 10 дек 2013 14:26
Автомобил:
Двигател:

Re: Ауди а3 2.0тди пд 170кс 2006г тракане като шевна машина

Мнениеот vip65 » Пон 23 дек 2013 20:34


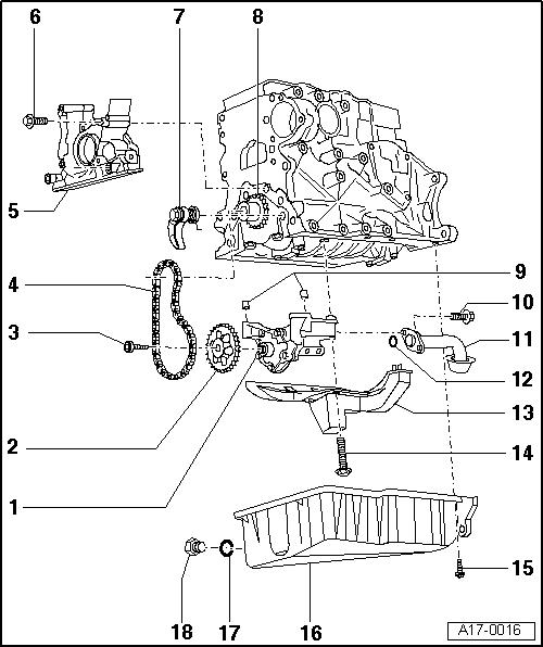
A17-0016.png
Преди да отворя картера рещих предварително да си взема шестограма защото съм чувал че бил консуматив,поръчах го в Ауто+ по номера на мотора BMN и след малко ми се обадиха да им кажа и номера на рамата и казаха че по рама няма такъв шестограм бил съм с друга помпа.


Потребителски аватар
ifidik
Мнения: 1709
Регистриран на: Пон 05 ное 2007 18:34
Автомобил: Corrado TDI 4x4
Двигател:
Местоположение: Варна
Контакти:

Re: Ауди а3 2.0тди пд 170кс 2006г тракане като шевна машина

Мнениеот ifidik » Вто 24 дек 2013 8:19


да не обидя някой колега , но поне във варна като си поръчаш части от ауто плюс , уцелват само маслото.


gamble
Мнения: 389
Регистриран на: Пон 26 ное 2012 13:43
Автомобил:
Двигател:

Re: Ауди а3 2.0тди пд 170кс 2006г тракане като шевна машина

Мнениеот gamble » Вто 24 дек 2013 8:54


2.0 TDI на VW да са със тоя смотан шестограм, а на Audi да не са... :screwy Ай да беше comman-rail щеше да е друго ама, точно па п.д. и то от 2006 година - трябва да е с 77мм шестограм в маслената помпа. Ако е било пипан това е друго. Някой колега с ЕТКА да провери маслената помпа на BMN. Иначе в чертежа на vip65 няма шестограм, ама няма да е зле да погледнат още няколко души :th_up


Потребителски аватар
boichopavlov
Мнения: 215
Регистриран на: Чет 13 юли 2006 21:37
Автомобил: Touran
Двигател: BSX 2006
Местоположение: Плевен

Re: Ауди а3 2.0тди пд 170кс 2006г тракане като шевна машина

Мнениеот boichopavlov » Вто 24 дек 2013 9:15


Няма шестограм - със сигурност!


Потребителски аватар
maimo
Мнения: 966
Регистриран на: Пон 12 ное 2007 22:26
Автомобил: GOLF 5 GTI
Двигател: AXX-2005
Местоположение: Варна

Re: Ауди а3 2.0тди пд 170кс 2006г тракане като шевна машина

Мнениеот maimo » Вто 24 дек 2013 15:19


колеги колата е а3 двигателите са като при голф 5 :smile а не а4 или а6 там вече има балансиращи валове тоест и шестограм.


vip65
Мнения: 28
Регистриран на: Вто 10 дек 2013 14:26
Автомобил:
Двигател:

Re: Ауди а3 2.0тди пд 170кс 2006г тракане като шевна машина

Мнениеот vip65 » Вто 24 дек 2013 16:16


Ами имам приятел с автосервиз и той отваря картера и замерва лагерите и вала.Центровката на ангр.ремък и валовете е ок.На диагностика синхр.на валовете е 0.0.Дюзите на 13канал са и 4 те между 0.– 0.10 след като го смениха преди отиваха и до 0.60.След празниците ше сваляме капака на клапаните да видим валовете и повдигачи.Някои ме съветват да сменя маслото с по-гъсто и да видя какъв ще е ефекта.А някой знае ли как се проверяват тия хидр.повдигачи кои е добър и кои заминал.предполагам че и на място могат да се проверят без да се свалят всичките.


Потребителски аватар
vasko__2
Мнения: 1019
Регистриран на: Чет 19 фев 2009 0:05
Автомобил:
Двигател:
Местоположение: sofia

Re: Ауди а3 2.0тди пд 170кс 2006г тракане като шевна машина

Мнениеот vasko__2 » Вто 24 дек 2013 21:47


А3, Голф 5 и Шкода не са с този шестограм, нямат и балансиращи валове.


Потребителски аватар
tonkogtd
Мнения: 358
Регистриран на: Съб 04 май 2013 12:14
Автомобил: Golf GTD Polo GTI
Двигател: JR-1991 BJX-2006
Местоположение: Ямбол

Re: Ауди а3 2.0тди пд 170кс 2006г тракане като шевна машина

Мнениеот tonkogtd » Сря 25 дек 2013 2:19


:flag_bulgaria



Върни се в “Дизелови агрегати”

Кой е на линия

Потребители, разглеждащи този форум: Няма регистрирани потребители и 78 госта