PASSAT B6 2005140 HP не пали - решен

Печките са на мода. Дори и дизела да е по-скъп феновете му са много...
LordOfTheS7R337
Мнения: 18
Регистриран на: Чет 03 юли 2014 11:13
Автомобил: vw passat B6
Двигател: BMP 2005

PASSAT B6 2005140 HP не пали - решен

Мнениеот LordOfTheS7R337 » Вто 02 сеп 2014 11:12


Колата е със сменено еку със същия софтуер и не иска да запали!Казаха ми че всички релета и маси са в изправност и при диагностика не се открива еку-то и при опит за свързване пищше че няма комуникация с еку-то!!Благодаря за отделеното време!

Последна промяна от LordOfTheS7R337 на Вто 02 сеп 2014 14:24, променено общо 1 път.




Потребителски аватар
Andonov
Мнения: 3929
Регистриран на: Вто 06 мар 2007 8:44
Автомобил:
Двигател:
Местоположение: Ямбол
Контакти:

Re: PASSAT B6 2005140 HP НЕ ПАЛИ!!!

Мнениеот Andonov » Вто 02 сеп 2014 11:21


Със оригиналното ЕКУ пак ли не направихте връзка?


Kalin72
Мнения: 1320
Регистриран на: Пет 03 мар 2006 22:14
Автомобил:
Двигател:
Местоположение: България, 2006 VW Touran 1.9 TDI DSG

Re: PASSAT B6 2005140 HP НЕ ПАЛИ!!!

Мнениеот Kalin72 » Вто 02 сеп 2014 11:23


Пореден пример на "майстори"...


LordOfTheS7R337
Мнения: 18
Регистриран на: Чет 03 юли 2014 11:13
Автомобил: vw passat B6
Двигател: BMP 2005

Re: PASSAT B6 2005140 HP НЕ ПАЛИ!!!

Мнениеот LordOfTheS7R337 » Вто 02 сеп 2014 11:24


Със оригиналното еку отново няма връзка да


Kalin72
Мнения: 1320
Регистриран на: Пет 03 мар 2006 22:14
Автомобил:
Двигател:
Местоположение: България, 2006 VW Touran 1.9 TDI DSG

Re: PASSAT B6 2005140 HP НЕ ПАЛИ!!!

Мнениеот Kalin72 » Вто 02 сеп 2014 11:37


Стартера върти ли? Свети ли една икона с ключе на таблото?


LordOfTheS7R337
Мнения: 18
Регистриран на: Чет 03 юли 2014 11:13
Автомобил: vw passat B6
Двигател: BMP 2005

Re: PASSAT B6 2005140 HP НЕ ПАЛИ!!!

Мнениеот LordOfTheS7R337 » Вто 02 сеп 2014 11:46


Стартера върти без проблем


Kalin72
Мнения: 1320
Регистриран на: Пет 03 мар 2006 22:14
Автомобил:
Двигател:
Местоположение: България, 2006 VW Touran 1.9 TDI DSG

Re: PASSAT B6 2005140 HP НЕ ПАЛИ!!!

Мнениеот Kalin72 » Вто 02 сеп 2014 11:49


Как точно се случи това, че да не пали? По време на движение угасна и повече не запали, или постепенно паленето стана по-трудно и накрая съвсем спря да пали?

Ако си на "Ти" с английския, заповядай да си четеш и изолираш причините.
http://forums.tdiclub.com/showthread.php?t=199398
Обикновено е нещо сравнително дребно, но аман от пишман майстори, дето се правят на разбирачи, само защото са отворили и затворили без проблеми един двигател...по случайност, очевадно.


LordOfTheS7R337
Мнения: 18
Регистриран на: Чет 03 юли 2014 11:13
Автомобил: vw passat B6
Двигател: BMP 2005

Re: PASSAT B6 2005140 HP НЕ ПАЛИ!!!

Мнениеот LordOfTheS7R337 » Вто 02 сеп 2014 12:13


Колата не я бях карал 4 5 дни и се качам вътре запалих я оставих я 3 4 минути да поработи и при тръгване изгасна и не запали повече когато дам на контакт таблото започва да пищи,стартера върти но колата не иска да запали!При опит за диагностика не се открива еку-то след което сложихме друго еку и отново същата работа.Когато дам на контакт перката на мотора се включва и майстор ми каза че това е нормално защото или няма захранванен на еку-то или неможе да стартира програмата и мотора така е измислен че да се охлажда като няма управление от еку-то.Проверени са релетата и кабелите към еку-то и всичко е изправно отделно и еку-то е свалено и проверено и то работи нормално но при опит за диагностика не може да се осъществи връзка между еку-то и лаптопа.Много странна история всичко да работи а да няма комуникация...


Потребителски аватар
Andonov
Мнения: 3929
Регистриран на: Вто 06 мар 2007 8:44
Автомобил:
Двигател:
Местоположение: Ямбол
Контакти:

Re: PASSAT B6 2005140 HP НЕ ПАЛИ!!!

Мнениеот Andonov » Вто 02 сеп 2014 12:22


Най-вероятно няма захранване до ЕКУ-то.

В другите модули влизате ли?


LordOfTheS7R337
Мнения: 18
Регистриран на: Чет 03 юли 2014 11:13
Автомобил: vw passat B6
Двигател: BMP 2005

Re: PASSAT B6 2005140 HP НЕ ПАЛИ!!!

Мнениеот LordOfTheS7R337 » Вто 02 сеп 2014 12:24


В другите модули влизаме да там няма проблем намира ги


Kalin72
Мнения: 1320
Регистриран на: Пет 03 мар 2006 22:14
Автомобил:
Двигател:
Местоположение: България, 2006 VW Touran 1.9 TDI DSG

Re: PASSAT B6 2005140 HP НЕ ПАЛИ!!!

Мнениеот Kalin72 » Вто 02 сеп 2014 12:27


А преди правил ли си диагностика с връзка с ЕКУ-то?
Провери си горивната помпа в резервоара, чува ли се как шуми, когато дадеш на контакт?
Какво си правил по колата няколко км преди да спре, смяна на нещо?


LordOfTheS7R337
Мнения: 18
Регистриран на: Чет 03 юли 2014 11:13
Автомобил: vw passat B6
Двигател: BMP 2005

Re: PASSAT B6 2005140 HP НЕ ПАЛИ!!!

Мнениеот LordOfTheS7R337 » Вто 02 сеп 2014 12:31


Преди е правена диагностика и всичко е било наред, дпф-а е свален от колата и след това си работеше нормално до деня в които отказа да върви и запали.иначе се чува да


Потребителски аватар
Andonov
Мнения: 3929
Регистриран на: Вто 06 мар 2007 8:44
Автомобил:
Двигател:
Местоположение: Ямбол
Контакти:

Re: PASSAT B6 2005140 HP НЕ ПАЛИ!!!

Мнениеот Andonov » Вто 02 сеп 2014 12:35


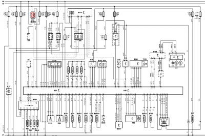
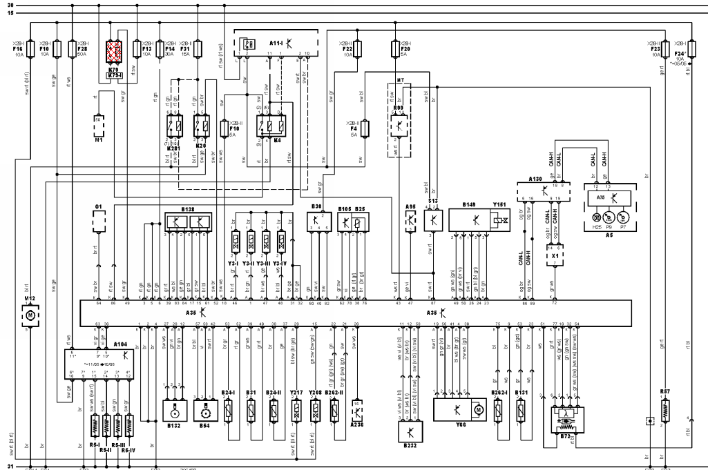
BMP.png


LordOfTheS7R337
Мнения: 18
Регистриран на: Чет 03 юли 2014 11:13
Автомобил: vw passat B6
Двигател: BMP 2005

Re: PASSAT B6 2005140 HP НЕ ПАЛИ-РЕШЕН

Мнениеот LordOfTheS7R337 » Вто 02 сеп 2014 14:25


Оказа се че проблема е бил в софтуера!Имало е бъг.Сменен е и колата заработи отново!



Върни се в “Дизелови агрегати”

Кой е на линия

Потребители, разглеждащи този форум: bultrastyle и 63 госта