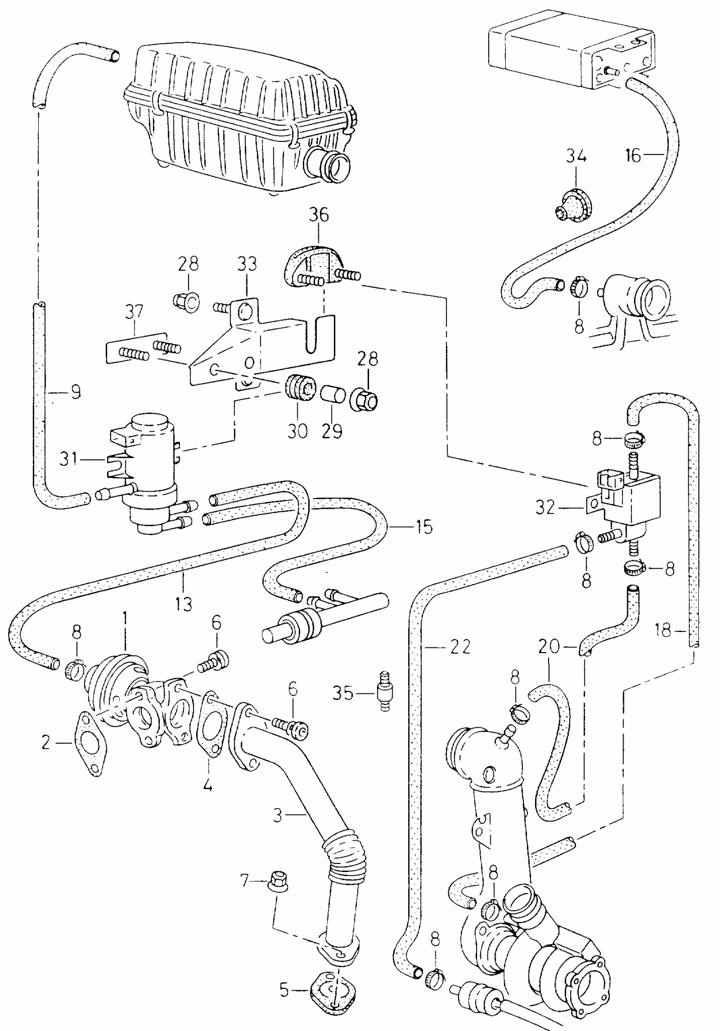
Здравейте колеги колата е vw polo variant 97 1.9tdi 90 ahu днес смених вакуумите на н75 и видях една схема в форума .Видях че при мен горния и долния са наобратно и ги вързах по схемата после пробвах колата и ми се стори една идея по мудна после попаднах на друга схема
И видях че има разлика точно по втората схема бяха оригинално маркучите в крайнасметка си ги направих по втората но все още се чудя коя е правилната.
Въпрос за вакууми на клапан н75
- goppa
- VW експерт

- Мнения: 8032
- Регистриран на: Вто 04 сеп 2012 19:25
- Автомобил: Seat Alhambra
- Двигател: CFFB
- Местоположение: Горна Оряховица
Re: Въпрос за вакууми на клапан н75
Явно втората.

Върни се в “Дизелови агрегати”
Кой е на линия
Потребители, разглеждащи този форум: Няма регистрирани потребители и 62 госта