Polo 1,9 SDI решаване проблем с мигачите

Печките са на мода. Дори и дизела да е по-скъп феновете му са много...
dinkata
Мнения: 3
Регистриран на: Пон 06 сеп 2010 7:15
Автомобил:
Двигател:
Местоположение: Zlatograd

Polo 1,9 SDI решаване проблем с мигачите

Мнениеот dinkata » Съб 13 юни 2015 13:25


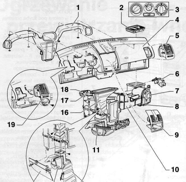
VW Polo 1.9 sdi модел 10.1999 - 11.2001 .
Периодично мигачите спираха да работят,веднъж ги има ,друг път ги няма.Аварийни също .
Как се справих
PoloAvariini.jpg

Демонтира се радиото и рафтчето под него.Сваля се детайл 9 на който е триъгълния бутон
за аварийните (релето е под него ).Бутона заедно с куплунга се изважда от детайл 9.
Разкача се куплунга с кабелите и на удобно място се разглобява самия бутон.
Първо щифтоветв на куплунга ,внимателно има 2 пружини,след това и самото реле ,което излиза
към червения триъгълник .Оглежда се платката за студени спойки .В моя случай крачетата на релето
бяха със спукани спойки.Презапояване и готово.




Върни се в “Дизелови агрегати”

Кой е на линия

Потребители, разглеждащи този форум: Няма регистрирани потребители и 74 госта