Голф 4 1,9 ТДИ 90 кс проблем в турбото

Печките са на мода. Дори и дизела да е по-скъп феновете му са много...
Потребителски аватар
stanimir.malinov
Мнения: 3
Регистриран на: Сря 11 яну 2017 9:01
Автомобил:
Двигател:

Голф 4 1,9 ТДИ 90 кс проблем в турбото

Мнениеот stanimir.malinov » Сря 11 яну 2017 9:16


Здравейте колеги.Имам следния проблем с турбото долтана клапа е постоянно отворена.Свалих турбото,кулера,agr и колектора изчистих ги и клапата почна да се движи без проблем след като всичко заложих пак същото постоянно е отворена и като я запалих да пробвам всичко ли е на ред се дави,присецва и от ауспоха излиза много пушек .Въпросат ми е какъв може да е проблема дали е възможно ако вакомите не са свързани правилно.Благодаря предварително.

Последна промяна от stanimir.malinov на Сря 11 яну 2017 9:23, променено общо 1 път.




Потребителски аватар
vlado_tonev
Мнения: 5497
Регистриран на: Нед 18 ное 2007 1:54
Автомобил: GOLF MK4 1.9TDI
Двигател: ALH 2000
Местоположение: София
Контакти:

Re: Голф 4 1,9 ТДИ 90 кс проблем в турбото

Мнениеот vlado_tonev » Сря 11 яну 2017 10:42


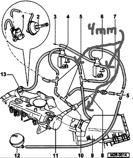
Най-вероятно е от вакуума,щом си чистил геометрията.Но може и самия актуатор да е прецакан.Първо провери маркучита,може да си ги пообъркал.Сега ще ти постна схема на маркучетата.
Прикачени файлове
vacuum_diagram1.gif


Потребителски аватар
stanimir.malinov
Мнения: 3
Регистриран на: Сря 11 яну 2017 9:01
Автомобил:
Двигател:

Re: Голф 4 1,9 ТДИ 90 кс проблем в турбото

Мнениеот stanimir.malinov » Сря 11 яну 2017 12:27


Не е от него работи си


Потребителски аватар
okti_1
Мнения: 891
Регистриран на: Вто 04 сеп 2012 21:08
Автомобил:
Двигател:
Местоположение: Асеновград

Re: Голф 4 1,9 ТДИ 90 кс проблем в турбото

Мнениеот okti_1 » Сря 11 яну 2017 21:21


От турбината е.
Намери си нова турбина и колата ще стане без проблем.


Потребителски аватар
stanimir.malinov
Мнения: 3
Регистриран на: Сря 11 яну 2017 9:01
Автомобил:
Двигател:

Re: Голф 4 1,9 ТДИ 90 кс проблем в турбото

Мнениеот stanimir.malinov » Сря 11 яну 2017 21:37


Защо реши че е от турбината



Върни се в “Дизелови агрегати”

Кой е на линия

Потребители, разглеждащи този форум: Няма регистрирани потребители и 72 госта