Golf 4 1.9TDI AHF Вакуумна схема

Печките са на мода. Дори и дизела да е по-скъп феновете му са много...
Потребителски аватар
TDIpower_
Мнения: 144
Регистриран на: Чет 16 мар 2017 20:05
Автомобил: Vw Golf 4 TDI
Двигател: 110hp AHF
Местоположение: Варна

Golf 4 1.9TDI AHF Вакуумна схема

Мнениеот TDIpower_ » Чет 16 мар 2017 20:32


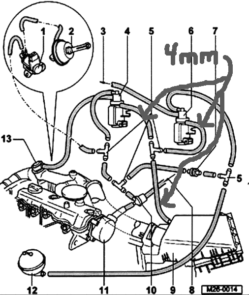
Търся правилна вакуум схема за Golf 4 1.9TDI AHF също така колко метра маркучета ще ми трябват и колко мм?





Потребителски аватар
vlado_tonev
Мнения: 5497
Регистриран на: Нед 18 ное 2007 1:54
Автомобил: GOLF MK4 1.9TDI
Двигател: ALH 2000
Местоположение: София
Контакти:

Re: Golf 4 1.9TDI AHF Вакуумна схема

Мнениеот vlado_tonev » Чет 16 мар 2017 22:12


3 мм-около 3 метра
5(4)мм-1.3 метра
Вземи си силиконови,ще останеш доволен
Прикачени файлове
vacuum_diagram1.gif


Потребителски аватар
TDIpower_
Мнения: 144
Регистриран на: Чет 16 мар 2017 20:05
Автомобил: Vw Golf 4 TDI
Двигател: 110hp AHF
Местоположение: Варна

Re: Golf 4 1.9TDI AHF Вакуумна схема

Мнениеот TDIpower_ » Чет 16 мар 2017 22:32


Благодаря колега! :)



Върни се в “Дизелови агрегати”

Кой е на линия

Потребители, разглеждащи този форум: Няма регистрирани потребители и 66 госта