Seat alhambra 1.9 TDI AUY проблем с ускорението
-
busof95
- Мнения: 19
- Регистриран на: Пет 15 окт 2010 20:33
- Автомобил:
- Двигател:
- Местоположение: razgrad
Seat alhambra 1.9 TDI AUY проблем с ускорението
Здравейте колеги имам един проблем наскоро закупих един сеат алхамбра 1.9тди 115кс auy код на мотора имаше проблем със ускоряването и вървежа на колата предишния собственик сменял клапани на вакуумните маркучи и всичко е объркано сменил е също и клапана на турбото търсих в интернет но не намерих схеми какво аз съм правил до сега смених турбото геометрията беше зацапана катализатора се е счупил явно е задръстил изпускателната система изкормих го изцяло смених тандем помпата в момента се усеща напредване колата взе да набира но мисля че не е това което трябва да е при цялата процедура като запаля колата хрябваше да форсирам до 2к оборота за да тръгна иначе изгасваше но в момента мога да потеглям нормално но спирачките се втърдяват моля ако някой може да ми услужи със схема или помогне живея в Германия и се извинявам за правописа поръчал съм гарнитури за дюзите възнамерявам и тях да ги сменя благодаря много
- Traytor
- Мнения: 2161
- Регистриран на: Пон 24 авг 2009 3:09
- Автомобил: Passat B8
- Двигател: DSRB
- Местоположение: София
Re: Seat alhambra може би не е тука мястото но имам нужда от помощ
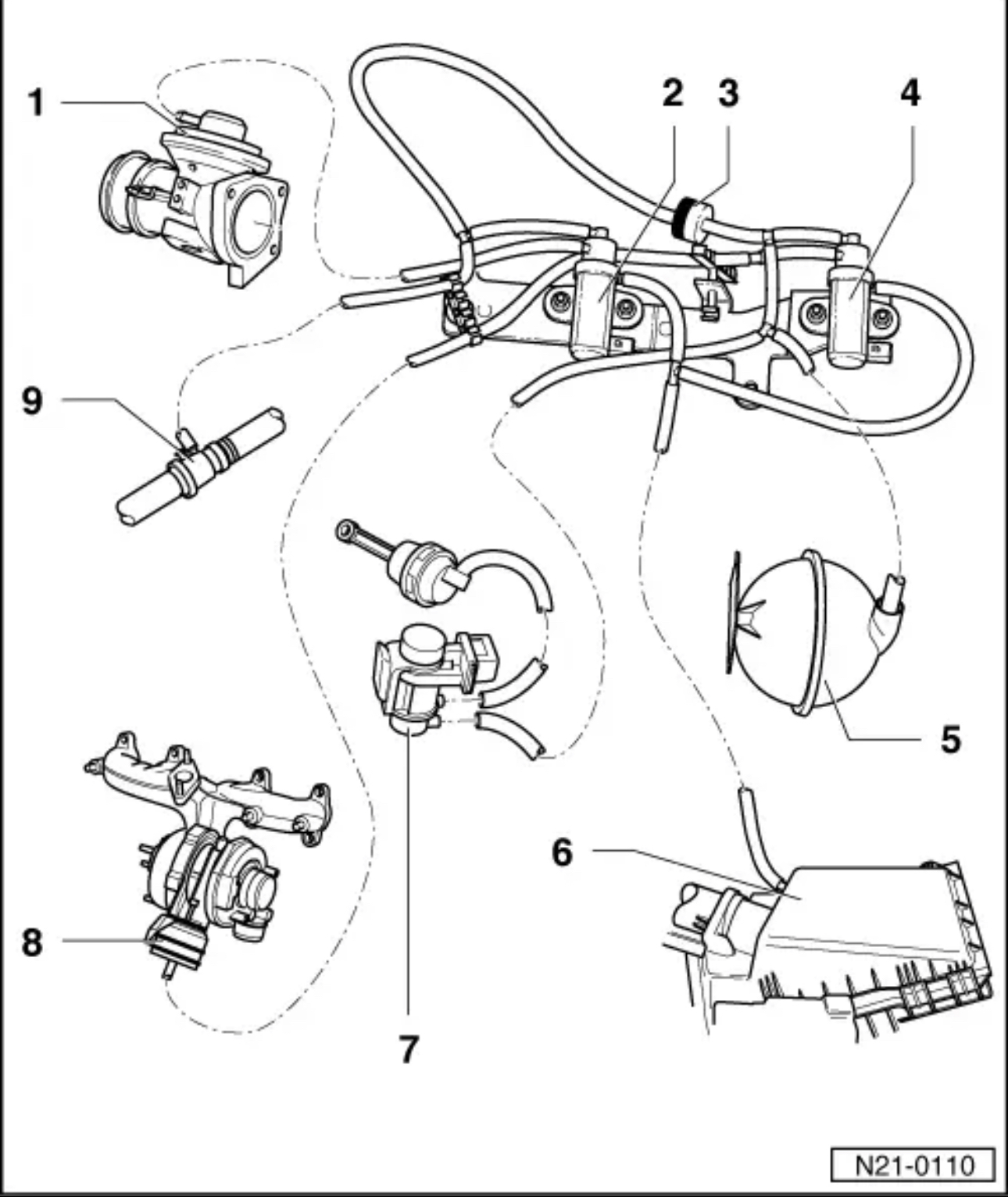
От chatgpt излиза тая схема(проверих сайта, за тоя мотор е).
1. Mechanical EGR valve
2. Electro-pneumatic EGR valve (N18)
3. Non-return check valve – white tubing from N75/solenoid into the vacuum reservoir
4. Turbo charge-pressure solenoid (N75)
5. Vacuum reservoir
6. Air cleaner (vacuum source)
7. Intake manifold flap valve (N239)
8. Turbo boost actuator (integral with turbocharger)
9. Brake booster vacuum line (from tandem pump)
1. Mechanical EGR valve
2. Electro-pneumatic EGR valve (N18)
3. Non-return check valve – white tubing from N75/solenoid into the vacuum reservoir
4. Turbo charge-pressure solenoid (N75)
5. Vacuum reservoir
6. Air cleaner (vacuum source)
7. Intake manifold flap valve (N239)
8. Turbo boost actuator (integral with turbocharger)
9. Brake booster vacuum line (from tandem pump)
-
busof95
- Мнения: 19
- Регистриран на: Пет 15 окт 2010 20:33
- Автомобил:
- Двигател:
- Местоположение: razgrad
Re: Seat alhambra може би не е тука мястото но имам нужда от помощ
Traytor написа:От chatgpt излиза тая схема(проверих сайта, за тоя мотор е).
1. Mechanical EGR valve
2. Electro-pneumatic EGR valve (N18)
3. Non-return check valve – white tubing from N75/solenoid into the vacuum reservoir
4. Turbo charge-pressure solenoid (N75)
5. Vacuum reservoir
6. Air cleaner (vacuum source)
7. Intake manifold flap valve (N239)
8. Turbo boost actuator (integral with turbocharger)
9. Brake booster vacuum line (from tandem pump)
Добро утро благодаря много ще пробвам днес след работа лек ден :)
Върни се в “Дизелови агрегати”
Кой е на линия
Потребители, разглеждащи този форум: Няма регистрирани потребители и 35 госта