
Vw Golf Mk4 1.9 TDI AGR Auto Gearbox 01M 4 speed DKV - Как мога да монтирам турбо променлива геометрия
- vlado_tonev
- Мнения: 5497
- Регистриран на: Нед 18 ное 2007 1:54
- Автомобил: GOLF MK4 1.9TDI
- Двигател: ALH 2000
- Местоположение: София
- Контакти:
Re: Vw Golf Mk4 1.9 TDI AGR Auto Gearbox 01M 4 speed DKV - Как мога да монтирам турбо променлива геометрия
Друг компютър,друг клапан n 75,колектора е отлят при VNT 15,ако си решил такава да слагаш.Абе малко е тегаво,но с търпение и правилния подход,нещата стават като лригиналдЪ
-
- Мнения: 13
- Регистриран на: Сря 31 авг 2016 1:26
- Автомобил:
- Двигател:
Re: Vw Golf Mk4 1.9 TDI AGR Auto Gearbox 01M 4 speed DKV - Как мога да монтирам турбо променлива геометрия
Новия комп трябва ли да подържа автоматична скоростна кутия? Нещо по ел. инсталацията бута ли се ? Най-добрият вариант за комп кой е (модел)? Турбото ще е GTB1756VK. Вакумна топка ще ми трябва също нали? Н75 се включва на мястото на Н18? Ако може примерен чертеж кое къде се свързва.
- vlado_tonev
- Мнения: 5497
- Регистриран на: Нед 18 ное 2007 1:54
- Автомобил: GOLF MK4 1.9TDI
- Двигател: ALH 2000
- Местоположение: София
- Контакти:
Re: Vw Golf Mk4 1.9 TDI AGR Auto Gearbox 01M 4 speed DKV - Как мога да монтирам турбо променлива геометрия
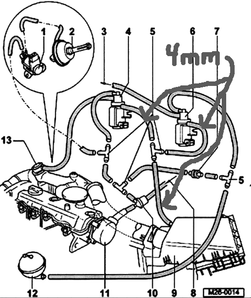
Ще ти постна схемата на вакумите.N18 си е за ЕГР.Според мен компа може и от ръчна да стане,но не съм сигурен.Темата ти не е никак постна и ще ми е интересно как ще се развият нещата.УСПЕХ!!! 

-
- Мнения: 13
- Регистриран на: Сря 31 авг 2016 1:26
- Автомобил:
- Двигател:
Re: Vw Golf Mk4 1.9 TDI AGR Auto Gearbox 01M 4 speed DKV - Как мога да монтирам турбо променлива геометрия
Благодаря за бързите отговори колега! Надявам се повече колеги да се включат в темата и помогнат за интервенцията.
Re: Vw Golf Mk4 1.9 TDI AGR Auto Gearbox 01M 4 speed DKV - Как мога да монтирам турбо променлива геометрия
Най-лесния вариант е, както ти каза и колегата, смяна на комп. Доколкото ми е известно, всички подържат автом. скорости, и не би следвало да имаш проблеми. Хубаво е да сложиш нов N75, както и МАП сензор, 3 баров, и т.н.
ПП- ще устиска ли автоматика на това гтб?
ПП- ще устиска ли автоматика на това гтб?
-
- Мнения: 13
- Регистриран на: Сря 31 авг 2016 1:26
- Автомобил:
- Двигател:
Re: Vw Golf Mk4 1.9 TDI AGR Auto Gearbox 01M 4 speed DKV - Как мога да монтирам турбо променлива геометрия
Нещо по ел. системата променя ли се (някой кабел допълнително да се издърпа или нещо от този вид). Благодаря предварително!
Re: Vw Golf Mk4 1.9 TDI AGR Auto Gearbox 01M 4 speed DKV - Как мога да монтирам турбо променлива геометрия
Виж си номера на компа, предполагам завършва на 018. Новия ти е хубаво да е 012 накрая, заради последващите настройки.
Трябва да обучиш или премахнеш имото, както и да пренаредиш някой и друг кабел. Даже ще трябва да режеш и запояваш малко.
Схема има в аутодата, както и в елса.
За начало виж твоя комп, както и номера на този, който ще слагаш.
Трябва да обучиш или премахнеш имото, както и да пренаредиш някой и друг кабел. Даже ще трябва да режеш и запояваш малко.
Схема има в аутодата, както и в елса.
За начало виж твоя комп, както и номера на този, който ще слагаш.
-
- Мнения: 13
- Регистриран на: Сря 31 авг 2016 1:26
- Автомобил:
- Двигател:
Re: Vw Golf Mk4 1.9 TDI AGR Auto Gearbox 01M 4 speed DKV - Как мога да монтирам турбо променлива геометрия
Може ли линк за това как и къде трябва да се свържат и променят кабели.
Re: Vw Golf Mk4 1.9 TDI AGR Auto Gearbox 01M 4 speed DKV - Как мога да монтирам турбо променлива геометрия
Трудно ми е от телефона да поствам линкове, затова разгледай Ютуб, и най-важното е да кажеш номерата на новия и стария
-
- Мнения: 13
- Регистриран на: Сря 31 авг 2016 1:26
- Автомобил:
- Двигател:
Re: Vw Golf Mk4 1.9 TDI AGR Auto Gearbox 01M 4 speed DKV - Как мога да монтирам турбо променлива геометрия
При първа възможност ще погледна стария, (който е на колата) а нов още няма. Целта е да се направи списък с най-удачните компоненти и след като се купят, всичко наведнъж да се монтира.
- vlado_tonev
- Мнения: 5497
- Регистриран на: Нед 18 ное 2007 1:54
- Автомобил: GOLF MK4 1.9TDI
- Двигател: ALH 2000
- Местоположение: София
- Контакти:
Re: Vw Golf Mk4 1.9 TDI AGR Auto Gearbox 01M 4 speed DKV - Как мога да монтирам турбо променлива геометрия
Ето какво намерих от един чуждестранен форум.Човека обяснява на друг колега какво трябва да направи с ECU-то.
No mine was an AGR when it was in the cordoba and I bought the golf for scrap value to rob all the turbo and stuff but decided it was to good so shoved my engine into it. Once it was in the golf with the vnt etc it then became an ALH.
I suspect it would work just fine, you just change the soft coding on the ecu to 00001 and load it on there. Just get one for an ALH engined golf.
No mine was an AGR when it was in the cordoba and I bought the golf for scrap value to rob all the turbo and stuff but decided it was to good so shoved my engine into it. Once it was in the golf with the vnt etc it then became an ALH.
I suspect it would work just fine, you just change the soft coding on the ecu to 00001 and load it on there. Just get one for an ALH engined golf.
-
- Мнения: 13
- Регистриран на: Сря 31 авг 2016 1:26
- Автомобил:
- Двигател:
Re: Vw Golf Mk4 1.9 TDI AGR Auto Gearbox 01M 4 speed DKV - Как мога да монтирам турбо променлива геометрия
Значи може да сработи и с настоящето ЕКУ само като се смени кодировката на vagtacho?
- nikolay_ss
- Мнения: 1142
- Регистриран на: Чет 02 яну 2014 7:02
- Автомобил: Touareg 7P6
- Двигател:
Re: Vw Golf Mk4 1.9 TDI AGR Auto Gearbox 01M 4 speed DKV - Как мога да монтирам турбо променлива геометрия
Ами провери си компютъра дали има картите за настройка на N75. Вагтахо ти е кабел за километража, не знам какво искаш да направиш с него.
-
- Мнения: 13
- Регистриран на: Сря 31 авг 2016 1:26
- Автомобил:
- Двигател:
Re: Vw Golf Mk4 1.9 TDI AGR Auto Gearbox 01M 4 speed DKV - Как мога да монтирам турбо променлива геометрия
Прекодиране на ЕКУ с какво се прави?
Върни се в “Golf, Vento, Jetta & Bora”
Кой е на линия
Потребители, разглеждащи този форум: Google [Bot] и 57 госта