Кр счупи лапата на мотора..
- snickers_
- Мнения: 555
- Регистриран на: Съб 21 юни 2008 18:27
- Автомобил:
- Двигател:
- Местоположение: София
- Контакти:
Кр счупи лапата на мотора..
След като му смених маслото днеска при първия ограничител ,който му дадох и мотора изпадна задната лапа се счупи дето крепи мотора и тампона ,дали е възможно от това че го няма това амортесиорчето дето крепи двигатела към ботуша дето е хванато ?
Тука имам 1 насаден мотор в 1 голф 2ка
Имам друг кр и вакуума от дросела влиза в компютъра под чистачките откъм парното
А на насадения този компютър дето е под чистачките няма такъв вход за вакуум а иначе вакуума си го има... къде трее да влиза ?
Интересува ме играе ли някаква роля за аванса или то си го определя от друго комп-а
Колата е на газ така че ако е нещо за бензин не ме касае защото съм премахнал инжекцията
Интересува ме принципа на моторчето за празния ход,защото в момента съм без и съм с някакво кранче там но примерно ако го затегна и спра притока на маркуча който влиза в газовата плочка след смесителя ,не се форсира а примерно ако го отвора докрай ще държи 4000 оборота празен ход но мисля и че ще върви повече а така като сам го отворил малко колкото да си има стабилен празен ход незнам дали пълноценно се пълнни с газ мотора ?
Тука имам 1 насаден мотор в 1 голф 2ка
Имам друг кр и вакуума от дросела влиза в компютъра под чистачките откъм парното
А на насадения този компютър дето е под чистачките няма такъв вход за вакуум а иначе вакуума си го има... къде трее да влиза ?
Интересува ме играе ли някаква роля за аванса или то си го определя от друго комп-а
Колата е на газ така че ако е нещо за бензин не ме касае защото съм премахнал инжекцията
Интересува ме принципа на моторчето за празния ход,защото в момента съм без и съм с някакво кранче там но примерно ако го затегна и спра притока на маркуча който влиза в газовата плочка след смесителя ,не се форсира а примерно ако го отвора докрай ще държи 4000 оборота празен ход но мисля и че ще върви повече а така като сам го отворил малко колкото да си има стабилен празен ход незнам дали пълноценно се пълнни с газ мотора ?
Последна промяна от snickers_ на Вто 02 фев 2010 20:57, променено общо 4 пъти.
- groznika
- Мнения: 4928
- Регистриран на: Вто 16 яну 2007 11:23
- Автомобил: Bora 1.8T
- Двигател: AUM
- Местоположение: София
Re: Въпрос за КР вакуума към компютъра
Колега ти колко регистрации имаш? Другия ти акаунт не е ли в модула?
- snickers_
- Мнения: 555
- Регистриран на: Съб 21 юни 2008 18:27
- Автомобил:
- Двигател:
- Местоположение: София
- Контакти:
Re: Въпрос за КР вакуума към компютъра
не, кой мислиш, че ми е другия акаунт и че е в модула, и кво спамиш да не се окажеш ти в модула, ако знаеш нещо по темата-пиши, ако не има лично съобщение панимаеш
- snickers_
- Мнения: 555
- Регистриран на: Съб 21 юни 2008 18:27
- Автомобил:
- Двигател:
- Местоположение: София
- Контакти:
Re: Въпрос за КР вакуума към компютъра
вакума под номер 3 моя комп е 2 пъти по голям без тоя вакуум
- snickers_
- Мнения: 555
- Регистриран на: Съб 21 юни 2008 18:27
- Автомобил:
- Двигател:
- Местоположение: София
- Контакти:
Re: Въпрос за КР вакуума към компютъра
eто такъв е моя
до колкото разбирам моя се води неква дигифантска работа а другия се води FEI
(fully electronic ignition|)
Основната разлика която забелязвам е че тоя КР с дигифантската работа(компа без вакуума) няма тоя регулатора дето седи на блока за бензина(което и за мене винаги е било доста тъпа работа вместо да турат 1 датчик и да си спестят 2та маркуча и регулатора) а другия си го има регулатора

до колкото разбирам моя се води неква дигифантска работа а другия се води FEI
(fully electronic ignition|)
Основната разлика която забелязвам е че тоя КР с дигифантската работа(компа без вакуума) няма тоя регулатора дето седи на блока за бензина(което и за мене винаги е било доста тъпа работа вместо да турат 1 датчик и да си спестят 2та маркуча и регулатора) а другия си го има регулатора

- Жоро Делчев
- BBS Collector
- Мнения: 2964
- Регистриран на: Нед 19 сеп 2004 17:10
- Автомобил: Golf GTI16V
- Двигател: ABF 1994
Re: Въпрос за КР вакуума към компютъра
Значи става диджифански комп на KR плуг eнд плей
Ако си с такъв прекъсвача трябва да ти е доста по рано,снимай мотора да го видим,звучи интересно.
Последна промяна от Жоро Делчев на Вто 02 фев 2010 23:53, променено общо 1 път.
- snickers_
- Мнения: 555
- Регистриран на: Съб 21 юни 2008 18:27
- Автомобил:
- Двигател:
- Местоположение: София
- Контакти:
Re: Въпрос за КР вакуума към компютъра
аре като му смена маслото ще го вида в колок е прекъсвача че са е пълно с бензин а пари чак 2ник 
снимки по късно
снимки по късно
- snickers_
- Мнения: 555
- Регистриран на: Съб 21 юни 2008 18:27
- Автомобил:
- Двигател:
- Местоположение: София
- Контакти:
Re: Въпрос за КР вакуума към компютъра
не издържах 
7200 некаде нз точно оти е с некво старо табло до 7000
и ги подминава леко а не смея да го държа че последния път излезна делкото оти е стегнато с некви рапиди а не болтчета
7200 некаде нз точно оти е с некво старо табло до 7000
и ги подминава леко а не смея да го държа че последния път излезна делкото оти е стегнато с некви рапиди а не болтчета
- Жоро Делчев
- BBS Collector
- Мнения: 2964
- Регистриран на: Нед 19 сеп 2004 17:10
- Автомобил: Golf GTI16V
- Двигател: ABF 1994
Re: Въпрос за КР вакуума към компютъра
Moтора е PL,или поне инжекцията и компютъра са от PL,а те заводско са с два компа - един за запалването и един за инжекцията,при теб липсва този за запалването като гледам 
- snickers_
- Мнения: 555
- Регистриран на: Съб 21 юни 2008 18:27
- Автомобил:
- Двигател:
- Местоположение: София
- Контакти:
Re: Въпрос за КР вакуума към компютъра
е па реално щом сам без инжекциона и сам на газ се 1 сам като кр на газ
бтл то може заради това да не е вървял, като го взех много барзо се набираше, ама на 4та на4700 край и после видях че са разменени тея буксите за 5тата дюза и за термото и са виждам че липсва ламбда
Само 1но не мога да разбера колата как си определя аванса ?
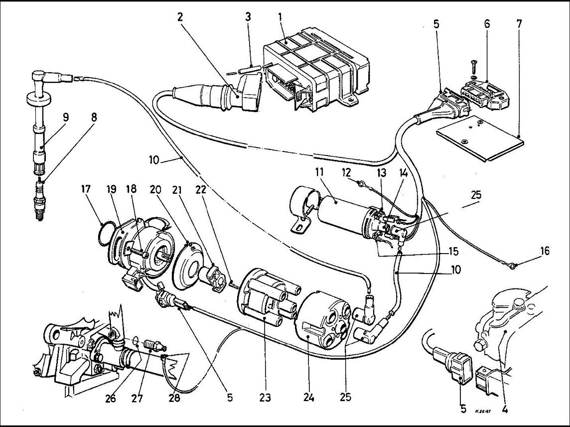
е тука гледам нещо от сеат форума то ан делкото си има вакуум

Само 1но не мога да разбера колата как си определя аванса ?
е тука гледам нещо от сеат форума то ан делкото си има вакуум

- neon
- Мнения: 1796
- Регистриран на: Вто 04 апр 2006 21:38
- Автомобил: S3
- Двигател: BAM
- Местоположение: София
Re: Въпрос за КР вакуума към компютъра

- snickers_
- Мнения: 555
- Регистриран на: Съб 21 юни 2008 18:27
- Автомобил:
- Двигател:
- Местоположение: София
- Контакти:
Re: Въпрос за КР вакуума към компютъра
neon написа::shock Къв е тоя Опел бре!?!!! Ужас! Ше го пипне ръждата и двигателя!
какво общо имаше това по темата?
не съм им фен на опелите ма ттройките нема да ги коментираме така че всичко си е до кола
- snickers_
- Мнения: 555
- Регистриран на: Съб 21 юни 2008 18:27
- Автомобил:
- Двигател:
- Местоположение: София
- Контакти:
Re: Кр счупи стойката на мотора..
Редактирал сам първото мнение
- ivkata
- Мнения: 1146
- Регистриран на: Пет 17 мар 2006 19:08
- Автомобил:
- Двигател:
- Местоположение: Нови Искър
Re: Въпрос за КР вакуума към компютъра
neon написа::shock Къв е тоя Опел бре!?!!! Ужас! Ше го пипне ръждата и двигателя!
Не е ОПЕЛ,а СЕАТ
Върни се в “Golf, Vento, Jetta & Bora”
Кой е на линия
Потребители, разглеждащи този форум: Няма регистрирани потребители и 71 госта