Ел.Схема за ел.огледала Голф 2
- mupk0
- Мнения: 3822
- Регистриран на: Вто 03 фев 2009 11:35
- Автомобил: Mercedes Benz S202
- Двигател: C200 Kompressor
- Местоположение: Стара Загора
- Контакти:
Ел.Схема за ел.огледала Голф 2
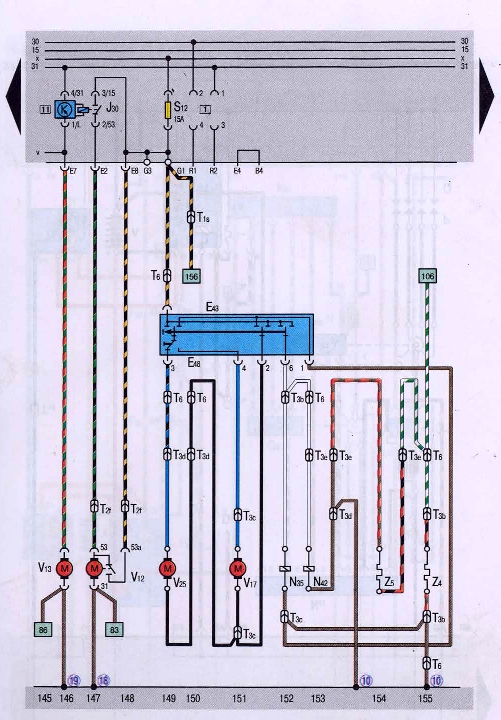
Здравейте.Имам въпрос относно свързването.Имам 2 кабела,който са ми за поставяне някъде...масата не я споменавам,тя е ясна.Другите 2 са бял със син цвят по спомен и друг кабел с черно и жълто с 2 кабелни обувки на него.Бихте ли споделили кой за какво е и къде да ги свържа 
- anrus
- Мнения: 909
- Регистриран на: Вто 13 ное 2007 18:08
- Автомобил: Golf2 10Millionen и Golf2 Country
- Двигател: RF-1988 и 1P-1991
- Местоположение: Горна Оряховица
Re: Ел.Схема за ел.огледала Голф 2
С коя ел. инсталация си?
- mupk0
- Мнения: 3822
- Регистриран на: Вто 03 фев 2009 11:35
- Автомобил: Mercedes Benz S202
- Двигател: C200 Kompressor
- Местоположение: Стара Загора
- Контакти:
Re: Ел.Схема за ел.огледала Голф 2
Със старата,ама имам рязани кабели и нагаждани и за новата....общо взето си преправям всичко да стане за колата...Ако имаш схема дай...аз ще си я коригирам
Огледалата имат и подгрев.
- anrus
- Мнения: 909
- Регистриран на: Вто 13 ное 2007 18:08
- Автомобил: Golf2 10Millionen и Golf2 Country
- Двигател: RF-1988 и 1P-1991
- Местоположение: Горна Оряховица
Re: Ел.Схема за ел.огледала Голф 2
Минал съм по този път. Чер+жълто е захранването. Бял+зелено е за реотаните.
- mupk0
- Мнения: 3822
- Регистриран на: Вто 03 фев 2009 11:35
- Автомобил: Mercedes Benz S202
- Двигател: C200 Kompressor
- Местоположение: Стара Загора
- Контакти:
Re: Ел.Схема за ел.огледала Голф 2
Реотаните към подгрева на задният прозорец ли да го връзвам или ?
Върни се в “Golf, Vento, Jetta & Bora”
Кой е на линия
Потребители, разглеждащи този форум: Google [Bot] и 30 госта