Управление с вакуум при климатик в Г2, как ?
- go6y
- Мнения: 65
- Регистриран на: Пет 25 юли 2008 11:20
- Автомобил:
- Двигател:
- Местоположение: Търговище
Управление с вакуум при климатик в Г2, как ?
Някой по-запознат може ли да ми обясни как се управляват чрез вакуум клапите при климатика в Г2? От къде се взема този вакуум? Възможно ли е да се преправи, за да може да се управлява само с жила? Въобще всякаква идея по въпроса ще ми е от полза. Предполагам не е от значение, но двигателя е SB, комплекта климатик е свален от PB. Ако някой ми даде и снимков материал, ще съм му много Благодарен!
- zfa159
- Мнения: 7920
- Регистриран на: Сря 31 яну 2007 12:16
- Автомобил: Skoda Karoq FL + Passat B4 Syncro
- Двигател: DXRB AGG
- Местоположение: София
- Контакти:
Re: Управление с вакуум при климатик в Г2, как ?
Здрасти колега 
Доколкото съм гледал идеята е,че всичките му клапи са вакуумни.Т.е. вакуумни мембрани местят клапите за посоката на въздуха.
Съответно вакуума идва от двигателя,като работи двигателя има вакуум,който се мени с промяната на оборотите на двигателя.С таиз цел има резервоар за вакуум,за да се поддържа вакуума към клапите постоянен.От него вакуума отива в разпределителите (това са самите лостчета за управление).От тях вече вакуума си отива по отделни маркучета към всяка клапа.Съответно всяка клапа си отговаря за дадена позиция от лостчетата и си прави нейното си нещо
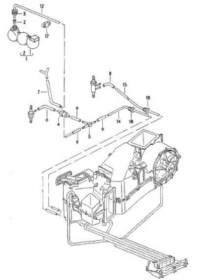
Ето ти картинки :
Доколкото съм гледал идеята е,че всичките му клапи са вакуумни.Т.е. вакуумни мембрани местят клапите за посоката на въздуха.
Съответно вакуума идва от двигателя,като работи двигателя има вакуум,който се мени с промяната на оборотите на двигателя.С таиз цел има резервоар за вакуум,за да се поддържа вакуума към клапите постоянен.От него вакуума отива в разпределителите (това са самите лостчета за управление).От тях вече вакуума си отива по отделни маркучета към всяка клапа.Съответно всяка клапа си отговаря за дадена позиция от лостчетата и си прави нейното си нещо
Ето ти картинки :
- go6y
- Мнения: 65
- Регистриран на: Пет 25 юли 2008 11:20
- Автомобил:
- Двигател:
- Местоположение: Търговище
Re: Управление с вакуум при климатик в Г2, как ?
Значи да разбирам, че ми трябва и резервоара за вакуума? При пасат мисля, че скоро гледах, това беше едни сини сферични пластмасови съдове, над левия калник се намираха. За подобно нещо говорим?
- zfa159
- Мнения: 7920
- Регистриран на: Сря 31 яну 2007 12:16
- Автомобил: Skoda Karoq FL + Passat B4 Syncro
- Двигател: DXRB AGG
- Местоположение: София
- Контакти:
Re: Управление с вакуум при климатик в Г2, как ?
Точно така 
Резервоара за вакуума може да се вземе от всякаква кола,все същата работа върши
При Пасат-ите седи под кората на левия калник
Резервоара за вакуума може да се вземе от всякаква кола,все същата работа върши
При Пасат-ите седи под кората на левия калник
- go6y
- Мнения: 65
- Регистриран на: Пет 25 юли 2008 11:20
- Автомобил:
- Двигател:
- Местоположение: Търговище
Re: Управление с вакуум при климатик в Г2, как ?
А от къде мога да взема вакуум? От колекторите или от друго място? Аз ли съм в грешка или доколкото се информирах, такъв съд (ресивър) за вакуум е необходим само за бензинов двигател, но не и за дизелов? Предположения от къде/какво мога да взема електро-клапан за този вакуум?
- van4ooo
- Мнения: 1405
- Регистриран на: Нед 13 юли 2008 19:16
- Автомобил:
- Двигател:
- Местоположение: Стара Загора
Re: Управление с вакуум при климатик в Г2, как ?
На маркуча от вакуум помпата няма ли някое отклонение,клапан или от някоя друга кола по моргите или ако може да нагодиш маркучите за някои бензинов/газов клапан от някоя газова.
Върни се в “Golf, Vento, Jetta & Bora”
Кой е на линия
Потребители, разглеждащи този форум: Няма регистрирани потребители и 72 госта