помощ за бутона на аварийните светлини

Техническа и сервизна информация за Golf, Vento, Jetta и Bora
Потребителски аватар
nebeto
Мнения: 988
Регистриран на: Пет 18 дек 2009 17:46
Автомобил: VW Passat B4 1.9TDI
Двигател: AFN 1996
Местоположение: Варна

помощ за бутона на аварийните светлини

Мнениеот nebeto » Чет 02 сеп 2010 0:58


Здравейте.Ще бъда кратък и надявам се ясен.(Бях пуснал тема за същата цел обаче неми помогна за това тук правя подобна тема http://www.vwclub.bg/forum/viewtopic.php?f=5&t=219055 )Искам като дам на задна скорост да се вкючат аварийните светлини,но незнам как.Надявах се да пусна + от датчика на задната към бутона на аварийните обаче при бутона има 8 кабела и е каша,нищо немога да разбера от този бутон кога кои кабели превключва - изключва каде пуска ток :screwy как ще стане моята идея.Голф 2.Благодаря.




Потребителски аватар
Mihailov78
Мнения: 1112
Регистриран на: Пет 30 апр 2010 11:15
Автомобил: T3 Caravelle
Двигател: DG 1900cc Petrol
Местоположение: Sofia

Re: помощ за бутона на аварийните светлини

Мнениеот Mihailov78 » Чет 02 сеп 2010 8:03


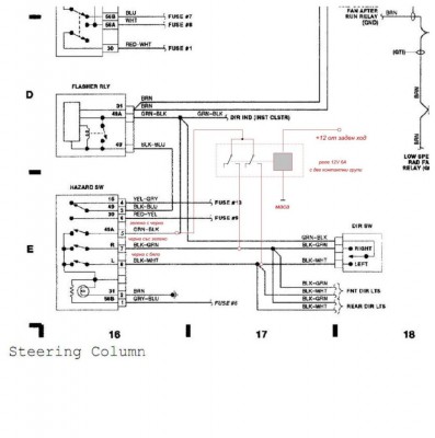
Здравей. Само с кабела от + на задния ход няма как да стане. Може и без цитираното устройство в другата ти тема. Най-лесно е с едно 12 Волта реле с две контактни групи. Единствено няма да ти мига лампата която е в самия бутон. Но това не е толкова важно. Начертал съм ти схема кое къде да свържеш. Мисля, че ще работи така. Ако не можеш да намериш такова реле, може с две обикновени с по един контакт, като намотките им се връзват паралелно. Ето схемата:
Прикачени файлове
avariini.JPG


Потребителски аватар
nebeto
Мнения: 988
Регистриран на: Пет 18 дек 2009 17:46
Автомобил: VW Passat B4 1.9TDI
Двигател: AFN 1996
Местоположение: Варна

Re: помощ за бутона на аварийните светлини

Мнениеот nebeto » Чет 02 сеп 2010 19:36


колега ти искаш да ми кажеш,че като релето е задействано ще пуска ток от 5 към 7 и 8 ? правилно ли съм разчел схемата.


Потребителски аватар
poni
Мнения: 1111
Регистриран на: Вто 26 окт 2004 18:01
Автомобил:
Двигател:
Местоположение: Ямбол

Re: помощ за бутона на аварийните светлини

Мнениеот poni » Чет 02 сеп 2010 20:06


да,това иска да ти каже колегата.може да стане и с едно реле и диоди на изходите към светлините.



Върни се в “Golf, Vento, Jetta & Bora”

Кой е на линия

Потребители, разглеждащи този форум: Няма регистрирани потребители и 63 госта