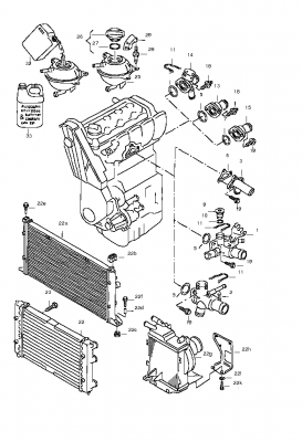
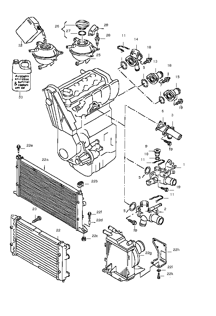
Ако може нещо подобно да представлява:

Аз не успях да намеря! Искам да разбера как върви охладителната течност и също така разположението на мъркучите.
Благодаря предварително.

Върни се в “Golf, Vento, Jetta & Bora”
Потребители, разглеждащи този форум: Няма регистрирани потребители и 59 госта