Колеги днес свалях бушонното табло на голф-а за смяна на кабела към таблото.
След връщането му обратно - светна лампата за Airbag.
При опит за диагностика с VAG-COM ми изплюва, че не може да се свърже с контролера?!
Към мотора се връзвам без проблем, към АБС-а също, но към възглавниците неще.
Това ме навежда на мисълта, че нещо се е поо*рало със захранването на контролера за възглавниците при свалянето на бушониерата.
Можете ли да ме насочите:
1. Кои са буксите/релетата/бушоните за аирбега в бушонното табло?
2. Къде се намира контролера за възглавниците?
3. Схема на захранването и контролера?
Проблем с Airbag -Г3
- aradovanov
- Мнения: 1117
- Регистриран на: Нед 20 яну 2008 1:05
- Автомобил:
- Двигател:
- Местоположение: Бургас
- aradovanov
- Мнения: 1117
- Регистриран на: Нед 20 яну 2008 1:05
- Автомобил:
- Двигател:
- Местоположение: Бургас
Re: Проблем с Airbag -Г3
Положението е малко спешно 
- van4ooo
- Мнения: 1405
- Регистриран на: Нед 13 юли 2008 19:16
- Автомобил:
- Двигател:
- Местоположение: Стара Загора
Re: Проблем с Airbag -Г3
Компа на АБС е под парното,пред скоростния лост(трябва да свалиш "барчето" около лоста)но едва ли е там проблема.Свали пак бушониерата и огледаи да не си откачил някои кабел,провери и на лявата колонка на купето(до бушониерата)една букса има на нея са вклучени няколко кафяви кабела(маса)може да си дръпнал някои по погрешка.
- aradovanov
- Мнения: 1117
- Регистриран на: Нед 20 яну 2008 1:05
- Автомобил:
- Двигател:
- Местоположение: Бургас
Re: Проблем с Airbag -Г3
Абе сигрен съм че аз съм оакал нещо около бушониерата, но при тия кабеляци е трудно да се налучка. Ако някой може да даде схема ще черпя по шаран
Това с масата е много добра идея ще проверя утре на светло.
Това с масата е много добра идея ще проверя утре на светло.
- bobocamaro
- R.I.P
- Мнения: 7510
- Регистриран на: Вто 01 юли 2008 16:21
- Автомобил: Golf 3 GTI
- Двигател: 2E
- Местоположение: София
Re: Проблем с Airbag -Г3
Това ще ти помогне ли? http://a2resource.com/electrical/CE2.html
- aradovanov
- Мнения: 1117
- Регистриран на: Нед 20 яну 2008 1:05
- Автомобил:
- Двигател:
- Местоположение: Бургас
Re: Проблем с Airbag -Г3
Горното го знам на изуст по други проблеми, но там няма нищо за възглавници...
- aradovanov
- Мнения: 1117
- Регистриран на: Нед 20 яну 2008 1:05
- Автомобил:
- Двигател:
- Местоположение: Бургас
Re: Проблем с Airbag -Г3
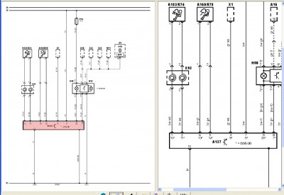
Намерих схема на контролера за въглавниците и то познайте къде - Autodata
само там не бях търсил.
Оказва се, че захранването на контролера е от директен + след контакт без бушон.
Вчера свалих барчето около скоростния лост, но модула не го намерих, трябва ли и парното да се свали за да се стигне до модула?! Ако някой е разглобявал там да сподели?
само там не бях търсил.Оказва се, че захранването на контролера е от директен + след контакт без бушон.
Вчера свалих барчето около скоростния лост, но модула не го намерих, трябва ли и парното да се свали за да се стигне до модула?! Ако някой е разглобявал там да сподели?
- van4ooo
- Мнения: 1405
- Регистриран на: Нед 13 юли 2008 19:16
- Автомобил:
- Двигател:
- Местоположение: Стара Загора
Re: Проблем с Airbag -Г3
При мен си е там колега-захванато за купето под парното и като махна барчето се вижда компа.
- aradovanov
- Мнения: 1117
- Регистриран на: Нед 20 яну 2008 1:05
- Автомобил:
- Двигател:
- Местоположение: Бургас
Re: Проблем с Airbag -Г3
Махнах барчето и там се вижда кожуха на парното...
Отстрани има 2 пластмаси които са хванати с по един пластмасов "болт" да не би и те да се махат и как?
Отстрани има 2 пластмаси които са хванати с по един пластмасов "болт" да не би и те да се махат и как?
Върни се в “Golf, Vento, Jetta & Bora”
Кой е на линия
Потребители, разглеждащи този форум: Няма регистрирани потребители и 44 госта