Питане за охладителна система

Техническа и сервизна информация за Golf, Vento, Jetta и Bora
Потребителски аватар
stefan4o
Мнения: 19370
Регистриран на: Съб 16 юни 2007 6:07
Автомобил: VW Jetta
Двигател: PN 1990
Местоположение: Стара Загора

Питане за охладителна система

Мнениеот stefan4o » Съб 05 фев 2011 9:17


Здравейте, колеги
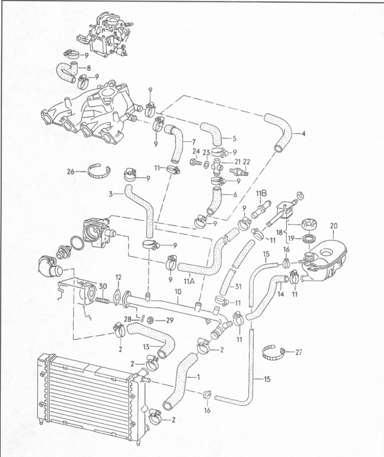
понеже по двигателя и неговата периферия е една голяма мешана скара имам някои въпроси относно схемата на охлаждането. Моторът е ABU, но е с термостатно тяло, маркучи, датчик за водата, казанче, радиатор от 1.3HK двигател модел 1985г. Ще ми се ако правя нещо по мотора (той пък е с всм.колектор от HК) да въведа малко ред, да си сложа оригиналния всм. колектор за ABU и да си пренаредя маркучите по охладителната система без да объркам нещо mhihi . Ще поставя тук схемата, която извадих от ЕТКА и ще се опитам да опиша пътя на циркулацията на водата, като съответно ако имам грешка, моля, да бъда коригиран :Mr Green Fun
1.От казанчето 20, тръгва по маркуч 14
2. От 14 отива в тази тръба с номер 10
3. От номер 10 тръгва по маркуч 31, който е входящият за парното, мисля.
4. Минава през радиаторчето на парното и излиза по маркуч 11А.
5. От 11А влиза в термостатното тяло (което при HK е метално, а при ABU е пластмасово с повечко щуцери).
6. От термостатното тяло излиза от горния край от другия щуцер минава по маркуч 6, минава през металното тяло, където е навит датчикът за темп. на водата и продължава по маркуч номер 5 към горния щуцер на всм. колектор.
7. Не съм много сигурен, но си мисля, че оттам продължава покрай подгрева и излиза от другата страна на колектора, където също има два щуцера. Оттам от горния щуцер излиза маркуч, който отива в карбуратора т.е. в автоматичния му смукач.
8. От автоматичния смукач излиза от щуцер от карба и влиза отново в колектора и излиза на долната страна на видимата част влизайки през маркуч 7.
Дотук съм, дори не съм убеден, че съм проследил правилно схемата на циркулация. Маркуч номер 3 не знам закъде е точно (мога да го видя де, като сляза до колата). Също така не зная горният маркуч на радиатора и термостата номер 13 как точно върти водата през него. Тръбата пластмасовата с номер 10 има ли прегради между отделните си щуцери (според мен би било редно да има, иначе долният маркуч, който се стопля като се отвори големият кръг щеше да е постоянно топъл.
Благодаря предварително на отзовалите се с жокери. :beer
Прикачени файлове
water.jpg




Върни се в “Golf, Vento, Jetta & Bora”

Кой е на линия

Потребители, разглеждащи този форум: Няма регистрирани потребители и 48 госта