схема за ела огледала мк3
- butsefal
- Мнения: 814
- Регистриран на: Вто 05 май 2009 19:20
- Автомобил: Golf 2 syncro passat B5 4motion
- Двигател: RP AFN
- Местоположение: Велико Търново
- Контакти:
схема за ела огледала мк3
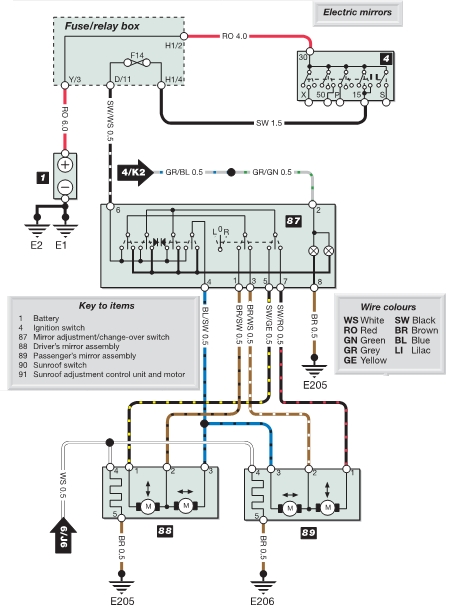
колеги, сдобих се с ел огледала и копче за мк3 - лошото е че я няма инсталацията и буксите. Въпроса ми е може ли някой да ми помогне със схема за връзването. Втория ми въпрос е колко букси има огледалото с реглаж и птгрев?
- butsefal
- Мнения: 814
- Регистриран на: Вто 05 май 2009 19:20
- Автомобил: Golf 2 syncro passat B5 4motion
- Двигател: RP AFN
- Местоположение: Велико Търново
- Контакти:
Re: схема за ела огледала мк3
Плагодаря колега за схемата, само ако може да попиптам за малко повече инфо за релето (с какъв номер е), както и кабела който отива на краче номер2 на копчето за подсветката ли е. Кабела от крачета номер 4 от огледалата може ли да се върже директно за копчето за потгрева или трябва да се действа по друг начин?
- anrus
- Мнения: 909
- Регистриран на: Вто 13 ное 2007 18:08
- Автомобил: Golf2 10Millionen и Golf2 Country
- Двигател: RF-1988 и 1P-1991
- Местоположение: Горна Оряховица
Re: схема за ела огледала мк3
В схемата няма реле, огледалата работят при контакт през предпазител. При теб захранването ще го вземеш с обикновена женска кабелна обувка от клема G1 отзад на бушониерата. За другите неща правилно си се досетил.
Още нещо: Добре е да разделиш сигналите към огледалата на две букси (напр. реотан и управление), за да можеш да ги прекарваш свободно през отворите и маншоните.
Още нещо: Добре е да разделиш сигналите към огледалата на две букси (напр. реотан и управление), за да можеш да ги прекарваш свободно през отворите и маншоните.
- butsefal
- Мнения: 814
- Регистриран на: Вто 05 май 2009 19:20
- Автомобил: Golf 2 syncro passat B5 4motion
- Двигател: RP AFN
- Местоположение: Велико Търново
- Контакти:
Re: схема за ела огледала мк3
Благодаря колега, за пореден път ми помагаш много ще трябва някой ден да те заведа на бири


- GAZARA
- Мнения: 414
- Регистриран на: Пон 19 яну 2009 18:35
- Автомобил: VW GOLF-2
- Двигател: 1.6 EZ 1990
- Местоположение: PESHTERA
Re: схема за ела огледала мк3
ееееееееее само двамата ли на бира...
,и да вземеш да ми изпратиш обещаната схема за фаровете...и след това да пуснеш тема
огледала от голф-3 монтирани на голф-2----в направи си сам не съм срешнал такава тема..
,и да вземеш да ми изпратиш обещаната схема за фаровете...и след това да пуснеш тема огледала от голф-3 монтирани на голф-2----в направи си сам не съм срешнал такава тема..

Върни се в “Golf, Vento, Jetta & Bora”
Кой е на линия
Потребители, разглеждащи този форум: Няма регистрирани потребители и 85 госта