Pеле за реотани на задно стъкло.....!!!
- МУТАТА
- Мнения: 53
- Регистриран на: Вто 31 яну 2006 22:33
- Автомобил:
- Двигател:
- Местоположение: Самоков
Pеле за реотани на задно стъкло.....!!!
Колеги ще ми помогнете ако ми кажете кое е релето за реотаните за стъклото и къде се намира,проблема ми е,че ту работят ту не...Копчето си работи бушона е здрав....Голф4 1.4 2000г.
-
Zlatina
- Мнения: 342
- Регистриран на: Нед 16 авг 2009 13:00
- Автомобил:
- Двигател:
- Местоположение: Крапец
Re: Pеле за реотани на задно стъкло.....!!!
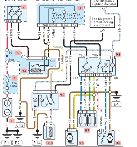
позиция 26,само че го дават да липсва при този голф
Последна промяна от Zlatina на Нед 12 фев 2012 15:52, променено общо 1 път.
- williams_vn
- Мнения: 744
- Регистриран на: Сря 24 окт 2007 20:05
- Автомобил: opel astra H-OPC - lada 2103
- Двигател:
- Местоположение: Варна
Re: Pеле за реотани на задно стъкло.....!!!
релето е във самото копче или то е проблема или инсталацията в маншона на задната врата
- pedalchobaba
- Мнения: 1430
- Регистриран на: Вто 01 юли 2008 14:30
- Автомобил:
- Двигател:
- Местоположение: София
Re: Pеле за реотани на задно стъкло.....!!!
Реле няма. Нито в копчето, нито на панела за релета. Докато е включено, все грее.
Отвори задния капак, издърпай левия гумен маншон, където минава част от инсталацията и провери какво става там.
Отвори задния капак, издърпай левия гумен маншон, където минава част от инсталацията и провери какво става там.
- williams_vn
- Мнения: 744
- Регистриран на: Сря 24 окт 2007 20:05
- Автомобил: opel astra H-OPC - lada 2103
- Двигател:
- Местоположение: Варна
Re: Pеле за реотани на задно стъкло.....!!!
има реле на голф -4 ката в самото копче какт осъм писал и по горе и съм казал на колегата да види маншона с кабелите
- pedalchobaba
- Мнения: 1430
- Регистриран на: Вто 01 юли 2008 14:30
- Автомобил:
- Двигател:
- Местоположение: София
Re: Pеле за реотани на задно стъкло.....!!!
williams_vn написа:има реле на голф -4 ката в самото копче какт осъм писал и по горе
Бъркаш го с бутона за аварийните, ама нищо.
- overapac
- Мнения: 712
- Регистриран на: Сря 03 дек 2008 23:56
- Автомобил:
- Двигател:
- Местоположение: България
Re: Pеле за реотани на задно стъкло.....!!!
номер99,по-скоро е отбелязано като ключ ?!?!? :
-
Zlatina
- Мнения: 342
- Регистриран на: Нед 16 авг 2009 13:00
- Автомобил:
- Двигател:
- Местоположение: Крапец
Re: Pеле за реотани на задно стъкло.....!!!
може би защото 99 при старите модели е за чистачките 
Върни се в “Golf, Vento, Jetta & Bora”
Кой е на линия
Потребители, разглеждащи този форум: Няма регистрирани потребители и 96 госта