здравейте колеги дано не се повтаря темата но не успях да намеря в търсачката.
Проблема е следния не ми работи подгряването на задното стакло и ме интерсува дали има зад копчето някакво реле и то да не работи както беше ми се случило с мигачите и дали всичко като е наред като работи свети някакав индикатор на таблото за да разбираш кога е вклучено и кога не.
мерси предварително за вашите отговори колеги
поздрави...
Golf 4 подгряване на задното стъкло
- Haralampi
- Мнения: 3612
- Регистриран на: Пет 28 ное 2008 13:44
- Автомобил: VW Golf 4 - 2002
- Двигател: 1.6 16V - AZD
- Местоположение: София
Re: Подгряване на задното стъкло Golf 4
Самия бутон свети в жълто, когато е натиснат! На таблото няма нищо.
- murkata
- Мнения: 160
- Регистриран на: Пон 06 апр 2009 21:04
- Автомобил:
- Двигател:
- Местоположение: VW Golf IV 2001 1.9 TDI-ALH
Re: Подгряване на задното стъкло Golf 4
на мен не ми свети.
от какво ли може да не работи
от какво ли може да не работи
- Haralampi
- Мнения: 3612
- Регистриран на: Пет 28 ное 2008 13:44
- Автомобил: VW Golf 4 - 2002
- Двигател: 1.6 16V - AZD
- Местоположение: София
Re: Подгряване на задното стъкло Golf 4
Реле!? Освен това предполагам знаеш, че от същия бутон се включва и подгряването на огледалата.
Виж си първо бушоните.
Виж си първо бушоните.
- hdjfmr
- Мнения: 346
- Регистриран на: Нед 11 мар 2007 21:37
- Автомобил:
- Двигател:
- Местоположение: Радомир
Re: Подгряване на задното стъкло Golf 4
Колега погледни и кабелите дето минават при задния капак в повечето случаи проблема е там късат се и става мазало 
- vwghost
- Мнения: 193
- Регистриран на: Нед 09 мар 2008 21:05
- Автомобил: VW GOLF IV
- Двигател: 1.9 TDI ATD 2002
- Местоположение: Стара Загора GOLF IV 2002 1.9 TDI ATD
- Контакти:
Re: Подгряване на задното стъкло Golf 4
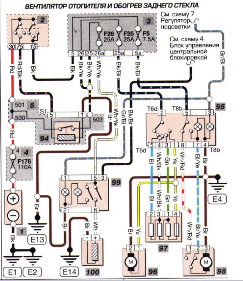
murkata F26 ти е предпазителя ,виж по-долу схемата .99 ти е копчето за отопление на задното стъкло.100 нагревателя на стъклото.
- murkata
- Мнения: 160
- Регистриран на: Пон 06 апр 2009 21:04
- Автомобил:
- Двигател:
- Местоположение: VW Golf IV 2001 1.9 TDI-ALH
Re: Подгряване на задното стъкло Golf 4
мерси колеги за мненията ще си погледна бушоните и релето да се надявам че е от тях че иначе ми се вижда голяма играчка ако са кабели или нещо друго...
поздрави
поздрави
- gomez
- Мнения: 1447
- Регистриран на: Пон 26 мар 2007 16:27
- Автомобил:
- Двигател:
- Местоположение: София
- Контакти:
Re: Подгряване на задното стъкло Golf 4
Само да допълня, че релето е във бутона ! Залагам на бушон.
- murkata
- Мнения: 160
- Регистриран на: Пон 06 апр 2009 21:04
- Автомобил:
- Двигател:
- Местоположение: VW Golf IV 2001 1.9 TDI-ALH
Re: Подгряване на задното стъкло Golf 4
Бушона ми е здрав което ме навежда на мисълта че проблема е в релето а за него знам че е зад копчето тай като на скоро ми се наложи да сменям релето за мигачите.
мерси на всички
поздрави...
мерси на всички
поздрави...
- hitman0013
- Мнения: 1865
- Регистриран на: Пон 11 май 2009 11:22
- Автомобил: GOLF 4
- Двигател:
Re: Подгряване на задното стъкло Golf 4
какво копче трябва да имаш за подгряването на огледалата
- Haralampi
- Мнения: 3612
- Регистриран на: Пет 28 ное 2008 13:44
- Автомобил: VW Golf 4 - 2002
- Двигател: 1.6 16V - AZD
- Местоположение: София
Re: Подгряване на задното стъкло Golf 4
Подгряването на огледалата се включва заедно с подгряването на задното стъкло. Няма отделно копче, нито начин да се включат отделно.
- murkata
- Мнения: 160
- Регистриран на: Пон 06 апр 2009 21:04
- Автомобил:
- Двигател:
- Местоположение: VW Golf IV 2001 1.9 TDI-ALH
Re: Подгряване на задното стъкло Golf 4
ако огледалата не са ел имат ли пак подгряване или не
- Haralampi
- Мнения: 3612
- Регистриран на: Пет 28 ное 2008 13:44
- Автомобил: VW Golf 4 - 2002
- Двигател: 1.6 16V - AZD
- Местоположение: София
Re: Подгряване на задното стъкло Golf 4
Най-бързият и сигурен начин да разбереш е просто да пробваш 
- Luciano
- Мнения: 8472
- Регистриран на: Чет 31 авг 2006 22:16
- Автомобил: Golf IV
- Двигател: 1.9TDI AHF
- Местоположение: София
- Контакти:
Re: Подгряване на задното стъкло Golf 4
Натискаш копчето за реотаните за задното стъкло и ако огледалата ти са с подгряване, то те ще се затоплят.
Върни се в “Golf, Vento, Jetta & Bora”
Кой е на линия
Потребители, разглеждащи този форум: Няма регистрирани потребители и 59 госта
: