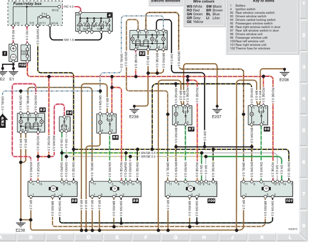
Търся схема на инсталациата за задните ел.стъкла за голф 3

Техническа и сервизна информация за Golf, Vento, Jetta и Bora
Потребителски аватар
neiki4a
Мнения: 552
Регистриран на: Чет 19 апр 2007 18:14
Автомобил: polo 6n1
Двигател: 1.4 16V
Местоположение: стара загора
Контакти:

Търся схема на инсталациата за задните ел.стъкла за голф 3

Мнениеот neiki4a » Сря 20 мар 2013 23:20


търся схема за задни ел стъкла г3




Потребителски аватар
overapac
Мнения: 712
Регистриран на: Сря 03 дек 2008 23:56
Автомобил:
Двигател:
Местоположение: България

Re: Търся схема на инсталациата за задните ел.стъкла за голф

Мнениеот overapac » Нед 24 мар 2013 20:59


====
Прикачени файлове
00.jpg


Последно избутана от neiki4a на Нед 24 мар 2013 20:59.



Върни се в “Golf, Vento, Jetta & Bora”

Кой е на линия

Потребители, разглеждащи този форум: Няма регистрирани потребители и 114 госта