Голф 4 Ел.схема за блок упр. климатроник?

Техническа и сервизна информация за Golf, Vento, Jetta и Bora
vaseto89
Мнения: 40
Регистриран на: Съб 19 ное 2011 14:30
Автомобил:
Двигател:
Местоположение: sofia

Голф 4 Ел.схема за блок упр. климатроник?

Мнениеот vaseto89 » Чет 20 юни 2013 19:29


На някой да му се намира електрическа схема за блок-управление на климатроник на Голф 4 1.9ТDI AHF?

Или някой който го е тествал да сподели опит.

Благодаря предварително :th_up




Потребителски аватар
Alex_ace
Мнения: 154
Регистриран на: Пет 16 яну 2009 21:23
Автомобил: Golf 4 1.6
Двигател: AKL
Местоположение: Бургас

Re: Голф 4 1.9ТDI AHF Ел.схема за блок упр. климатроник?

Мнениеот Alex_ace » Пет 21 юни 2013 6:41


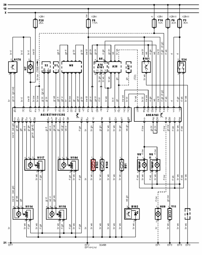
Заповядай колега :)
Прикачени файлове
Untitled-1.jpg


vaseto89
Мнения: 40
Регистриран на: Съб 19 ное 2011 14:30
Автомобил:
Двигател:
Местоположение: sofia

Re: Голф 4 1.9ТDI AHF Ел.схема за блок упр. климатроник?

Мнениеот vaseto89 » Съб 22 юни 2013 16:01


Благодаря колега!


Потребителски аватар
zfa159
Мнения: 7920
Регистриран на: Сря 31 яну 2007 12:16
Автомобил: Skoda Karoq FL + Passat B4 Syncro
Двигател: DXRB AGG
Местоположение: София
Контакти:

Re: Голф 4 1.9ТDI AHF Ел.схема за блок упр. климатроник?

Мнениеот zfa159 » Нед 23 юни 2013 21:12


Кажи какво ти трябва да знаеш,за да ти кажа,ако знам нещо по въпроса :)
:beer


Потребителски аватар
the_devil
Мнения: 4
Регистриран на: Пет 06 юли 2012 14:56
Автомобил:
Двигател:
Местоположение: Varna

Re: Голф 4 Ел.схема за блок упр. климатроник?

Мнениеот the_devil » Пон 24 юни 2013 15:26


имам проблем с климатроника изобщо не ми реагира управлението и незнам дали има изгорял бушон или управлението е заминало :confused



Върни се в “Golf, Vento, Jetta & Bora”

Кой е на линия

Потребители, разглеждащи този форум: Няма регистрирани потребители и 60 госта