след смяна на предни амортисьори
-
djaiwan
- Мнения: 41
- Регистриран на: Съб 04 фев 2012 18:08
- Автомобил:
- Двигател:
- Местоположение: Pleven
- Контакти:
след смяна на предни амортисьори
Днес смених предните и задните амортисьори, и след смяната като мина през дупка от предницата пак се чува биене като желязо в желязо , дайте идея от какво може да е , преди смяната с старите пак беше така, да не би макферсъните да са разбити ( въпреки че на външен вид бяха добре) да подчертая не съм ги сменял.
- znainainai
- Мнения: 5287
- Регистриран на: Пон 04 дек 2006 21:24
- Автомобил: Golf4
- Двигател: MK 4 98 AHF
- Местоположение: Русе
Re: след смяна на предни амортисьори
Е как няма да смениш лагерите отделно гледал ли си накрайници,шарнири,тампони на носачи?
- jamie1
- Мнения: 542
- Регистриран на: Вто 19 юни 2012 10:57
- Автомобил: Chevrolet Aveo LT
- Двигател: DOHC
- Местоположение: Сливен
Re: след смяна на предни амортисьори
Ако не си сменил тампоните на амортисьорите може и от тях да е.Ето снимка на 1 от новите ми и старите ми тампони
а това са на задните амортисьори - нов и стар
а това са на задните амортисьори - нов и стар
-
djaiwan
- Мнения: 41
- Регистриран на: Съб 04 фев 2012 18:08
- Автомобил:
- Двигател:
- Местоположение: Pleven
- Контакти:
Re: след смяна на предни амортисьори
забравих да отбележа, че по предницата са сменени всички тампони , на носачите предни и задни нови биелетки тампон на джигателя заедно с амортисиорите :) но пак тропа, днес купих нови тампони заедно с лагери , като ги сложа ще видим дали ше се подобри нещо, има и друг проблем при въртене на волата се чува едно скърцане се едно се трие гума в гума и се чува някаде от към таблото навътре към кормилната щанга :(
-
vanco0o
- Мнения: 16
- Регистриран на: Съб 16 авг 2008 20:34
- Автомобил:
- Двигател:
- Местоположение: Хасково
Re: след смяна на предни амортисьори
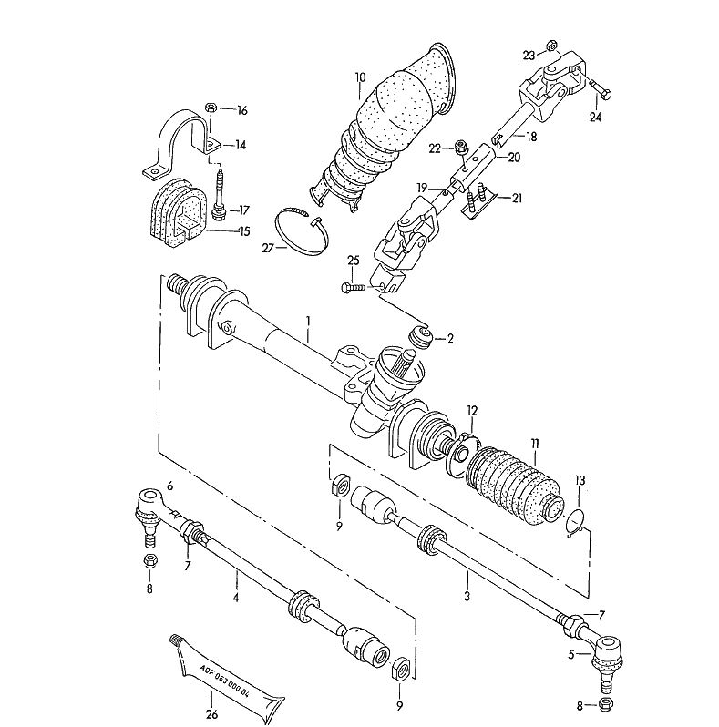
Номер 10 на снимката ще да е това което се чува при въртене на волана, виж маншона да не си е излязъл от мястото.
Върни се в “Golf, Vento, Jetta & Bora”
Кой е на линия
Потребители, разглеждащи този форум: Няма регистрирани потребители и 61 госта
