Golf MK3 95г. ADY. Дългите не изгасват

Техническа и сервизна информация за Golf, Vento, Jetta и Bora
Потребителски аватар
wolfstyle
Мнения: 31
Регистриран на: Чет 21 авг 2008 8:11
Автомобил:
Двигател:
Местоположение: София

Golf MK3 95г. ADY. Дългите не изгасват

Мнениеот wolfstyle » Сря 08 окт 2014 11:10


Здравейте колеги, голфчето ми(Golf 3, 1984 см3, 115 коня, комби, 1995г., двусекционни фарове, без релета за светлините) започна да се предава. 5 години не ми беше правило никакви проблеми, но на шестата, явно вече е време.
Конкретния случай е следния:
Накратко: Не мога да си изключа дългите светлини. Индикатора свети постоянно, с него свети и левия дълъг, но десния не свети. Крушките са здрави, бушоните също. На късите съм с ксенон от 2 години.
Малко по-нашироко: :biggrin
Както си карам по един столичен булевард, наближавайки зеления светофар увеличих скоростта за да го хвана, но точно тогава светна жълто, нямаше коли зад мен - та реших, че ще спирам. Съединител, резки спирачки, ABS, дълъг спирачен път, че дори и ръчна... абе абсолютна селяния. Та успях да спра на 1 метър от пешеходната пътека, но интересното е, че въпреки, че държах съединителя, колата загасна. Паля аз и кво да видя... индикатора за дългите светлини свети!? Цъкам лостчето... но не, това продължава да свети. Слезнах да проверя - дългите си работят. Единствената оправия беше или да махна крушките, или да махна бушоните(за което тогава не се сетих), или това което всъщност направих - продължих само на габарити. При това положение нито индикатора светеше, нито късите, нито дългите. Така няколко дни, докато веднъж не уцелих една дупка и нещата се оправиха...?!?!?! Последва един период, в който при всяка уцелена дупка(дори и по-малка, че големите гледам да ги избягвам) ту се пускаха дългите, ту се оправяха. Естествено проверих кабелите... нито нагар, нито някви признаци за проблем. Цял месец бях свикнал - ако ми се пуснат дългите да гася фаровете и да карам на габарити - те ми бяха силни, та минаваше номера. Докато един ден индикаторът съвсем угасна - няма палене, нито от лостчето, нито от дупки - нищо. Лостчето обаче като, че ли работеше, защото пускаше и спираше десния дълъг. Викам си екстра... един дълъг колкото за присветване, дупките не правят мизерии, така ще си карам! Бях решил, че просто крушката на левия е изгоряла. Какво се присетих обаче тука преди няколко дни, да сменя крушката... слагам друга крушка - не пали, сменям лява с дясна - дясната свети, лявата не... тогава чак ме огря да проверя бушоните(гений! след 3 месеца проблеми, чак сега си погледнах бушоните :Х), та... бушона на левия дълъг беше заминал(логично)! Смених го и левия светна - всичко изглеждаше перфектно, НО както се досещате, предполагам, ... докато не уцелих вълшебната дупка(пак ще поясня, под дупка имам предвид по-леките неравности на асфалта - в София не е като да ги няма, да не решите, че съм като жените и не пропускам дупка) и айде пак. Кво стана обаче в случая... индикатора свети постоянно, вече не се влияе нито от лостчето нито от дупките, дори и от по-сериозните дупки! Свети си постоянно а с него свети и левия дълъг, но десния НЕ???!!! Естествено първо проверих бушоните(колко досетлив съм станал), но - при тях всичко си беше ок. Викам си - ще ги махна поне да не свети тоя левия и да си ползвам късите. НО - махам бушоните, един по един, двата заедно... резултат никакъв - левият дълъг си свети, индикатора също, десният - не. Шах... махнах крушката на левия и сега така си карам... без дълги, но с постоянно светещ индикатор.

Последна промяна от wolfstyle на Пон 13 окт 2014 9:17, променено общо 3 пъти.




Volkswangel
Мнения: 627
Регистриран на: Пет 12 окт 2007 7:07
Автомобил: VW GOLF 7 SPORTSVAN
Двигател: 2015
Местоположение: Plovdiv

Re: Дългите светлини не изгасват, след странен инцидент!

Мнениеот Volkswangel » Сря 08 окт 2014 15:30


Колега,провери си релето за дългите или ключа за светлините.Нещо на такова ми прилича май.


Потребителски аватар
moimoimoi
Мнения: 2418
Регистриран на: Сря 21 мар 2007 21:05
Автомобил:
Двигател:
Местоположение: В голф2 VR6 турбо

Re: Дългите светлини не изгасват, след странен инцидент!

Мнениеот moimoimoi » Сря 08 окт 2014 15:43


не си споменал за каква кола става дума,предполагам голф3

щом от ключа се включват и изключват значи там проблем няма

релета за фаровете мисля че нямаш

двусекционен ли ти е фара? при тия фарове/двусекционите/ ключа за фаровете/врътката/ като се включи се захранват директно късите и не минават през лостчето на волана,само дългите минават през лостчето което ме навежда на мисълта че проблема ти е именно там в лостчето,може контактната му система да е опечена в резултат на което да се е изпочупило вътре и да дава на късо


Потребителски аватар
wolfstyle
Мнения: 31
Регистриран на: Чет 21 авг 2008 8:11
Автомобил:
Двигател:
Местоположение: София

Re: Дългите светлини не изгасват, след странен инцидент!

Мнениеот wolfstyle » Сря 08 окт 2014 16:02


Доколкото съм запознат, реле за фаровете няма. А аз не съм слагал. Единственото, което ми идва на ум е проблема да е в лостчето за дългите... но пак е много странна цялата ситуация!


Потребителски аватар
wolfstyle
Мнения: 31
Регистриран на: Чет 21 авг 2008 8:11
Автомобил:
Двигател:
Местоположение: София

Re: Дългите светлини не изгасват, след странен инцидент!

Мнениеот wolfstyle » Сря 08 окт 2014 16:05


moimoimoi написа:не си споменал за каква кола става дума,предполагам голф3

щом от ключа се включват и изключват значи там проблем няма

релета за фаровете мисля че нямаш

двусекционен ли ти е фара? при тия фарове/двусекционите/ ключа за фаровете/врътката/ като се включи се захранват директно късите и не минават през лостчето на волана,само дългите минават през лостчето което ме навежда на мисълта че проблема ти е именно там в лостчето,може контактната му система да е опечена в резултат на което да се е изпочупило вътре и да дава на късо

Да... голф 3, комби, 2000 кубика някъде, 115 коня. Фара е с 2 секции... Ами явно трябва да потърся как да диагностицирам лостчето.


Потребителски аватар
Bai Sando
Мнения: 8116
Регистриран на: Чет 27 мар 2008 22:28
Автомобил: Audi A 3
Двигател: 2000 TDI 2006г
Местоположение: Пазарджик

Re: Дългите светлини не изгасват, след странен инцидент!

Мнениеот Bai Sando » Сря 08 окт 2014 16:34


Свали пластмасата около волана и ще видиш широката букса за мигачите и фаровете.Откачи я и виж дали ще изгаснат.Или направо ако намериш от някъде друго лостче само за проба,му закачи буксата и виж дали с него ще работят нормално :th_up


Потребителски аватар
IvanMan
джедай
джедай
Мнения: 10452
Регистриран на: Пон 23 май 2005 15:12
Автомобил: Golf 7 TDI Estate BlueMotion
Двигател: CRLB
Местоположение: София

Re: Дългите светлини не изгасват, след странен инцидент!

Мнениеот IvanMan » Сря 08 окт 2014 19:55


Коригирай заглавието според шаблона:
http://www.vwclub.bg/forum/viewtopic.php?f=5&t=352508


emo-gar
Мнения: 3443
Регистриран на: Съб 16 сеп 2006 23:13
Автомобил:
Двигател:
Местоположение: София,Lantra 1.5 ,Golf 3-ABS,Vento-R.I.P.

Re: Дългите светлини не изгасват, след странен инцидент!

Мнениеот emo-gar » Пет 10 окт 2014 8:11


"Прещракай" "светкавицата"..май не минаваше през реле..


Bioside
Мнения: 600
Регистриран на: Чет 01 окт 2009 16:31
Автомобил:
Двигател:

Re: Golf MK3 1995г. двусекционни фарове,дългите не изгасват

Мнениеот Bioside » Нед 12 окт 2014 10:26


То минава през лостчето за дълги и светкавицата,ама последното звено са предпазителите и щом свети след като са извадени проблема е зад таблото с предпазители,самото табло,окабеляването до фаровете или 19 пиновата букса отпред на радиатора.Като извадиш бушоните на дългите,вади един по един и на късите да видим дали взема от тях или се е намърдало на друго място.Провери буксата и окабеляването на фара който не свети.


Потребителски аватар
jordancho
Мнения: 487
Регистриран на: Пет 01 яну 2010 19:15
Автомобил: VW Bora
Двигател: AGZ 1999
Местоположение: Пловдив

Re: Golf 3 комби, 1995г., ADY. Дългите не изгасват

Мнениеот jordancho » Чет 16 окт 2014 20:49


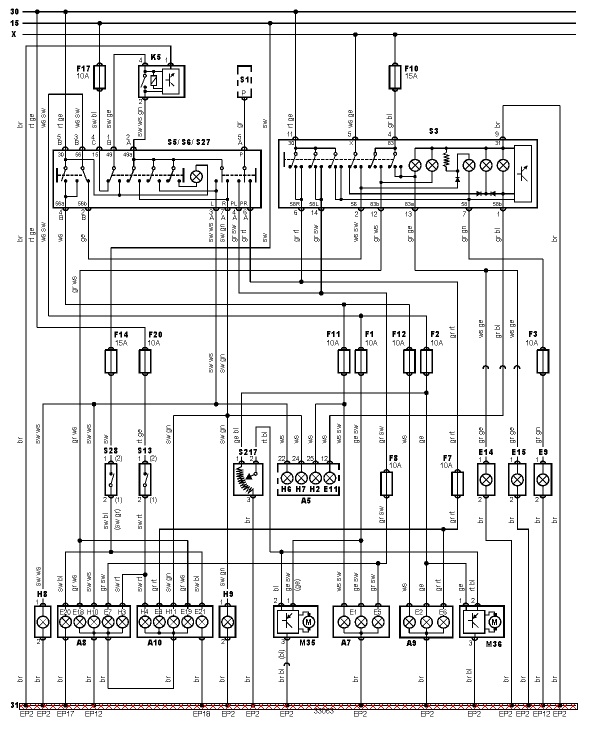
Ето схема на ел. инсталацията на фаровете ти колега.
Farove ADY.jpg


Според тази схема веригата за дългите ти светлини е една и се разделя на две преди бушоните съответно за десния и левия, като към левия е свързана и лапичката която ти свети на таблото.
Щом лоста ти включва и изключва десния фар, значи проблема не е в лоста, защото на този етап веригата още не е разделена на две. Значи към левия ти фар идва захранване не от лоста, а от някъде другаде. Но ако е така, и бушоните на дългите са ти здрави, тогава тока би трябвало да мине през двата бушона и да светне и десния фар, но това не се случва, което означава, че ел. схемата в твоята кола е променена.
Според мен някой ти е бърникал инсталацията и най-вероятно някъде в коша на двигателя или под таблото имаш монтирани релета за фаровете, и съответно релето което включва левия ти фар е заминало. Точно за това се влияе от дупките.
Прегледай си инсталацията като започнеш от фара навътре към бушоните.
Успех :th_up



Върни се в “Golf, Vento, Jetta & Bora”

Кой е на линия

Потребители, разглеждащи този форум: Няма регистрирани потребители и 66 госта