колеги, пускам тази тема поради оскъдната информация в интернет.
Въпросите ми са:кога тръгват да охлаждат малката и голямата перка, колко степени на охлаждане имат двете,при пускане на климатик/климатроник колко перки трябва да тръгват и на каква степен?Какви са възможните повреди при неработеща перка, има ли някаква разлика от климатик до климатроник при поведението на перките?Може ли само малката перка да охлажда като си държи двг 90градуса и по този начин да лъже, че всичко е ок?
перки на радиатор голф 4
- zelkata_ok1_
- Мнения: 322
- Регистриран на: Пон 30 ное 2009 12:43
- Автомобил:
- Двигател:
- Местоположение: sofia
Re: перки на радиатор голф 4
здравей колега аз имах проблем с голямата перка не работеше но никога не ми е загрявала колата при пускането на климатроника трябва да се пуснат 2те перки доста проблеми имах с климатика смених компресор и ремонтирах (заварявах)радиатора на климатика предполагам че повредената перка е виновна за ремонтите защото като не се охлажда системата се повишава налягането и стават бели
Re: перки на радиатор голф 4
Малката трябва да тръгва веднага, след като пуснеш климатика-троника. Голямата се включва според, температурата на мотора. Голямата е с 2 степени, малката не я знам с колко е.
- zelkata_ok1_
- Мнения: 322
- Регистриран на: Пон 30 ное 2009 12:43
- Автомобил:
- Двигател:
- Местоположение: sofia
Re: перки на радиатор голф 4
morfei1 написа:Малката трябва да тръгва веднага, след като пуснеш климатика-троника. Голямата се включва според, температурата на мотора. Голямата е с 2 степени, малката не я знам с колко е.
при мен и двете перки тръгват след пускането на климатроника пробвал съм го на студен мотор
- niki1_j
- Мнения: 671
- Регистриран на: Нед 12 юли 2009 21:22
- Автомобил: Golf MK IV
- Двигател: ASZ
- Местоположение: Sliven
- Контакти:
Re: перки на радиатор голф 4
zelkata_ok1_ написа:morfei1 написа:Малката трябва да тръгва веднага, след като пуснеш климатика-троника. Голямата се включва според, температурата на мотора. Голямата е с 2 степени, малката не я знам с колко е.
при мен и двете перки тръгват след пускането на климатроника пробвал съм го на студен мотор
То така е и нормално ... просто има две степени, но перките винаги тръгват двете заедно.
- zelkata_ok1_
- Мнения: 322
- Регистриран на: Пон 30 ное 2009 12:43
- Автомобил:
- Двигател:
- Местоположение: sofia
Re: перки на радиатор голф 4
niki1_j написа:zelkata_ok1_ написа:morfei1 написа:Малката трябва да тръгва веднага, след като пуснеш климатика-троника. Голямата се включва според, температурата на мотора. Голямата е с 2 степени, малката не я знам с колко е.
при мен и двете перки тръгват след пускането на климатроника пробвал съм го на студен мотор
То така е и нормално ... просто има две степени, но перките винаги тръгват двете заедно.
и аз така си мисля хубаво е колегата да си смени бушона на перките ако е 30А да сложи по-силен примерно 40А че и повече
- zfa159
- Мнения: 7908
- Регистриран на: Сря 31 яну 2007 12:16
- Автомобил: Skoda Karoq + Passat B4 Syncro
- Двигател:
- Местоположение: София
- Контакти:
Re: перки на радиатор голф 4
не си правете гулпости с предпазителите.В книгата си пише какъв трябва да е.ако такъв изгаря,търсете проблем в перката,не в предпазителя.Тези перки на Голф 4 имат проблеми с втулките,спед което започват да черпят повече ток и горят предпазителите,а перките бият.Правилния подход е да се видят за луфтове и да се ремонтират или сменят,а не да се сложи 500А предпазител и да изгори управляващия блок (отлепя си пистите вътре) и да видите тогава какво ви чака
По повод поведението - без значение дали колата е с климатик или климатроник,при пускането на компресора,трябва да тръгват и двете перки заедно,както и при достигане на налягането на фреона над 17 или 18 бара,да преминат и двете на 2-ра степен.
При охлаждането е същото - тръгват двете заедно на 1 или на 2 степен,според градусите на антифриза. Бзкрайно лошо е за климатика ви,ако едната не работи и си карате така,защото фреона не се охлажда достатъчно,държи много високи налягания и компресора страда.Тези компресори на Голф 4 и Бора си имат вроден проблем с много фини шлици на оста и само това и чакат,за да се прояви дефекта и компресора да спре да работи...тогава трябва да се смени,защото това не се ремонтира.
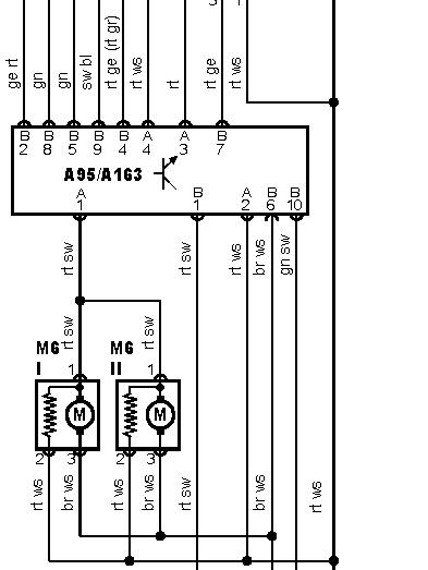
Како се вижда на схемата,са абсолютно паралелно свързани :

По повод поведението - без значение дали колата е с климатик или климатроник,при пускането на компресора,трябва да тръгват и двете перки заедно,както и при достигане на налягането на фреона над 17 или 18 бара,да преминат и двете на 2-ра степен.
При охлаждането е същото - тръгват двете заедно на 1 или на 2 степен,според градусите на антифриза. Бзкрайно лошо е за климатика ви,ако едната не работи и си карате така,защото фреона не се охлажда достатъчно,държи много високи налягания и компресора страда.Тези компресори на Голф 4 и Бора си имат вроден проблем с много фини шлици на оста и само това и чакат,за да се прояви дефекта и компресора да спре да работи...тогава трябва да се смени,защото това не се ремонтира.
Како се вижда на схемата,са абсолютно паралелно свързани :
Re: перки на радиатор голф 4
Лятото го ядох с тия перки... Малката се беше повредила доста сериозно, не се въртеше изобщо, моторчето се беше превърнало в купчинка изгорял лак и силициева ламарина/Скапаната перка си беше изместила центъра на въртене дето и е оста, опираше и не се въртеше, по доста странен начин/. И бушона ми беше здрав-30А. Хубавото е че се осетих, преди да счупя каквото и да е безвъзвратно. Смених я.
Причини да не работят - повреда в самата перка, откачена букса/не достига напрежение до мотора, механична повреда в перката и от там блокиране и изгаряне на мотора/като при мен/, повреда в управляващия блок дето ги командори.
Причини да не работят - повреда в самата перка, откачена букса/не достига напрежение до мотора, механична повреда в перката и от там блокиране и изгаряне на мотора/като при мен/, повреда в управляващия блок дето ги командори.
- zfa159
- Мнения: 7908
- Регистриран на: Сря 31 яну 2007 12:16
- Автомобил: Skoda Karoq + Passat B4 Syncro
- Двигател:
- Местоположение: София
- Контакти:
Re: перки на радиатор голф 4
Ако не рботят и двете - блока или както се случва понякога и то не рядко - изгоряли и двете.
Нещата се проверяват за няма и 2 минути,ако човека,който се занимава,знае какво да гледа по тях.
често гори 1-ва степен,прекъсва се съпротивлението,което е вътре в перката и тя спира да работи на 1 степен.Това не е толкова опасно за климатика,защото поне 2-ра бачка и компенсира.Далеч по-опасно е за него,ако някоя от двете спре да работи окончателно (разпадне се,както при колегата),защото тогава оставащата,ако ще и на 13-та степен да работи,не може да смогне да охлажда фреона и компресора не остава доволен.Предимно изгаря 1-ва степен на голямата,а пък малката се разпада цялата...поне такива лични наблюдения имам аз над тях.

Нещата се проверяват за няма и 2 минути,ако човека,който се занимава,знае какво да гледа по тях.
често гори 1-ва степен,прекъсва се съпротивлението,което е вътре в перката и тя спира да работи на 1 степен.Това не е толкова опасно за климатика,защото поне 2-ра бачка и компенсира.Далеч по-опасно е за него,ако някоя от двете спре да работи окончателно (разпадне се,както при колегата),защото тогава оставащата,ако ще и на 13-та степен да работи,не може да смогне да охлажда фреона и компресора не остава доволен.Предимно изгаря 1-ва степен на голямата,а пък малката се разпада цялата...поне такива лични наблюдения имам аз над тях.

Re: перки на радиатор голф 4
Днес един час съм си мислил кое се е счупило при мен първо, че така да стане. Дали първо се е запалил мотора, след това да се е разтопила перката или обратното....
Един приятел с Бора лятото беше ходил да рециклират перките му, някакви втулки сменяли. Аз тоя моя мотор доколкото помня, беше доста странно сглобен, така и не разбрах как ще се отвори за евентуална интервенция вътре.
Един приятел с Бора лятото беше ходил да рециклират перките му, някакви втулки сменяли. Аз тоя моя мотор доколкото помня, беше доста странно сглобен, така и не разбрах как ще се отвори за евентуална интервенция вътре.
- zfa159
- Мнения: 7908
- Регистриран на: Сря 31 яну 2007 12:16
- Автомобил: Skoda Karoq + Passat B4 Syncro
- Двигател:
- Местоположение: София
- Контакти:
Re: перки на радиатор голф 4
Правят ги...как и аз не знам,ама те си знаят.Сменят им каквото има да им се сменя.За някои казват,че става,за други,че не може...зависи колко е умряла.Иначе ги ремонтират,както и ремонтират вентилатори за парно и всякакви други ел. глупости.Аз ги влача грубо казано на ъгъла на Раковска и Сливница в София..и не взимат скъпо за глупостите,с които ги занимавам (пренавиваха ми вентилатор на Ауди А4 за в купето и ми взеха 50-тина лв)


- hitman0013
- Мнения: 1865
- Регистриран на: Пон 11 май 2009 11:22
- Автомобил: GOLF 4
- Двигател:
Re: перки на радиатор голф 4
А някой знае ли какви са цените на тези перки?
Re: перки на радиатор голф 4
Голямата оригинална е 400 и кусур лева. Заместитела на Топран беше нещо от рода на 160лв. за Голф 4. Аз сложиш от Голф 3 TDI на Топран, диаметъра е мисля с 1см по-малък. Одрязах кабела на оригиналната сложих му букса от Голф 3 за перката и си я свързах. Към 60000км съм минал, проблеми с температурите съм нямал. Не че те съветвам да си купиш от Голф 3, просто е вариант, понеже когато свалих моята, за оригинална се чакаше поне седмица, а Топранска за Голф 4 нямаха в наличност.
Перкана на Голф 3 струваше 80 - 90лв.
Перкана на Голф 3 струваше 80 - 90лв.
Последна промяна от morfei1 на Съб 09 апр 2011 0:44, променено общо 1 път.
- zfa159
- Мнения: 7908
- Регистриран на: Сря 31 яну 2007 12:16
- Автомобил: Skoda Karoq + Passat B4 Syncro
- Двигател:
- Местоположение: София
- Контакти:
Re: перки на радиатор голф 4
Много много относително.Като габраитни размери са еднакви,ама са различни ватове,според двигателя и климата,за който е предвиден.Соред ватовете е и цената,като е доста различна (излиза по рама каква трябва да бъде с точност перката).В ЕТКА излизат 20-тина вида
.Делят ги на 345мм и 290мм (вероятно голямата и малката).Могат да са 100W,200W,220W,250W и т.н.
Цените са малко относителни.На Топран не са скъпи,някои хора са доволни от качеството спрямо цената,други не са.Лично аз уважавам VDO като марка (предлагат ги Ауто+),понеже за един Пасат В6 (и при тях са много проблемни тези перки),оригиналната беше 900лв,а VDO-то (такава пак на VDO смъкнах от колата),купихме на човека за около 300лв .
При Голф 4 масово хората,които идват при мен,са купували и сменяли с Топран и както казах някои се оплакват,други са доволни...там цената е 100-200-250лв според перката,доколкото си спомням.
Ако се усети навреме проблема,далеч по-евтино е да се ремонтира.Тя започва да вие,да бие,да има луфт и да не се държи както трябва.Ако е порядъчно разбита,придава вибрации на цялата кола,като тръгва на 2-ра степен.


Цените са малко относителни.На Топран не са скъпи,някои хора са доволни от качеството спрямо цената,други не са.Лично аз уважавам VDO като марка (предлагат ги Ауто+),понеже за един Пасат В6 (и при тях са много проблемни тези перки),оригиналната беше 900лв,а VDO-то (такава пак на VDO смъкнах от колата),купихме на човека за около 300лв .
При Голф 4 масово хората,които идват при мен,са купували и сменяли с Топран и както казах някои се оплакват,други са доволни...там цената е 100-200-250лв според перката,доколкото си спомням.
Ако се усети навреме проблема,далеч по-евтино е да се ремонтира.Тя започва да вие,да бие,да има луфт и да не се държи както трябва.Ако е порядъчно разбита,придава вибрации на цялата кола,като тръгва на 2-ра степен.

Re: перки на радиатор голф 4
Абе моята пробвахме да я отремонтираме, ама пущината така е направена, че да я хвърлиш след като се счупи. Общо взето я отворихме, но я потрошихме. То нито моторчето е направено като хората да се отвори, нито перката е направена така че да се махне от оста, нормално.
Върни се в “Golf, Vento, Jetta & Bora”
Кой е на линия
Потребители, разглеждащи този форум: Няма регистрирани потребители и 70 госта