Проблема е следния:
Когато колата е на контакт, но не е запалена до реотаните достиха ток и работят.Когато обаче, запаля колата веригата до тях се прекъсва.Масата е ОК. Просто мултицета не отчита ток като е запалена.
От какво може да е? Някой сблъсквал ли се е с нещо подобно?
Реотани на задното стъкло-много странен проблем?!
- pas1.8mi
- Мнения: 5208
- Регистриран на: Нед 10 окт 2004 14:08
- Автомобил: Passat B5
- Двигател: 1.8T AEB 1999
- Местоположение: София,Плевен
Re: Реотани на задното стъкло-много странен проблем?!
Това на каква кола?С какво мериш "тока"?
- Mihailov78
- Мнения: 1112
- Регистриран на: Пет 30 апр 2010 11:15
- Автомобил: T3 Caravelle
- Двигател: DG 1900cc Petrol
- Местоположение: Sofia
Re: Реотани на задното стъкло-много странен проблем?!
Колата е важна като модел. Примерно на Роувър има таймер, едно специално реле, следи там време, контакти други щуротии.
Re: Реотани на задното стъкло-много странен проблем?!
Проверявам с контролна лампа, а меря с мултицет.Иначе колата е Опел Кадет 90г.
- Mihailov78
- Мнения: 1112
- Регистриран на: Пет 30 апр 2010 11:15
- Автомобил: T3 Caravelle
- Двигател: DG 1900cc Petrol
- Местоположение: Sofia
Re: Реотани на задното стъкло-много странен проблем?!
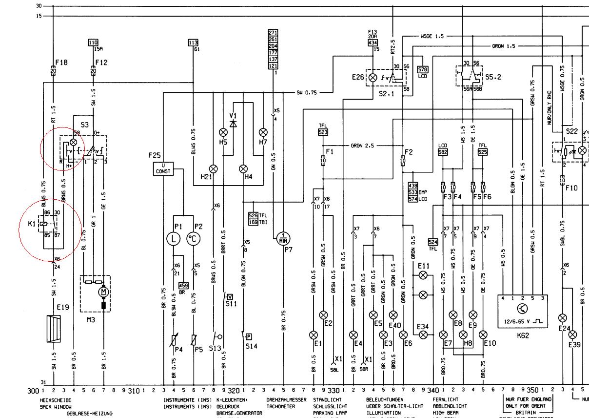
Релето ти е обикновено. Най-вероятно в него е проблема. К1 на схемата по-долу, оградено в червено. Виж и ключа S3.
- pas1.8mi
- Мнения: 5208
- Регистриран на: Нед 10 окт 2004 14:08
- Автомобил: Passat B5
- Двигател: 1.8T AEB 1999
- Местоположение: София,Плевен
Re: Реотани на задното стъкло-много странен проблем?!
Според схемата в релето ще да е проблема(нагорели контакти)! 
- fox_vt
- Мнения: 2788
- Регистриран на: Съб 22 мар 2008 18:22
- Автомобил: Seat Toledo
- Двигател: AHU 97
- Местоположение: Велико Търново
Re: Реотани на задното стъкло-много странен проблем?!
Няма логика да е релето проблема камо ли нагорели контакти
.Какво е общото между кола на контакт и запалена кола?Отнякъде ти подава + към бобината на релето при контакт но защо после спира тоя + това трябва да разбереш.
Върни се в “Общи автомобилни дискусии”
Кой е на линия
Потребители, разглеждащи този форум: Няма регистрирани потребители и 70 госта