


пс. като дам на контакт си тръгват сами като откача датчика спират

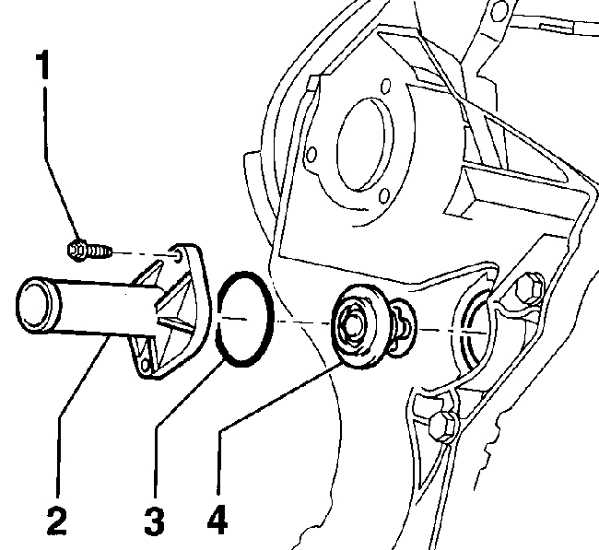
при мен уплътнението беше под термостата на блока а аз го сложих м/у термостата и пластмасата дали пак там съм объркал

Върни се в “Общи автомобилни дискусии”
Потребители, разглеждащи този форум: Няма регистрирани потребители и 81 госта