
Какъв ток консумира бензино-впръскващия инжектор?
-
- Мнения: 228
- Регистриран на: Нед 03 апр 2011 14:24
- Автомобил: Golf 4 1.4 16V
- Двигател: AHW 1999
- Местоположение: silistra
Какъв ток консумира бензино-впръскващия инжектор?
Някой замервал ли е какъв ток консумира един инжектор при подадено 12V напрежение? Попадна ми една ултразвукова ваничка та съм решил да си чистя инжекторите. Доста информация изчетох и ще се пробвам на моите през следващия сезон. Но не искам да ги "разцъквам" ръчно затова си направих импулсен генератор, който в момента опитно го настройвам. Нямам си представа обаче какъв ток консумира инжектора. Знам, че има различни с различен импеданс, но все пак, ако някой знае да пише. Благодаря 

- pas1.8mi
- Мнения: 5208
- Регистриран на: Нед 10 окт 2004 14:08
- Автомобил: Passat B5
- Двигател: 1.8T AEB 1999
- Местоположение: София,Плевен
Re: Какъв ток консумира бензино-впръскващия инжектор?
Малко ти е странен въпроса,защото е обвързан и с времетраенето на импулса....Правил съм си проби с инжектор на 1.8моно да го "чукна" за кратко на ТЕС-а и ми сработва токовата защита на 3А !Какъв генератор и захранващ блок ще използваш?
-
- Мнения: 228
- Регистриран на: Нед 03 апр 2011 14:24
- Автомобил: Golf 4 1.4 16V
- Двигател: AHW 1999
- Местоположение: silistra
Re: Какъв ток консумира бензино-впръскващия инжектор?
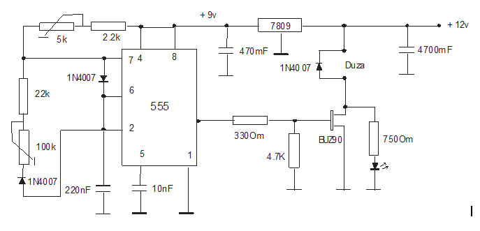
Генератора е този:
Искам да свържа и четирите инжектора заедно и затова ме интересуваше тока - за да знам, дали ще издържи транзистора. Генератора съм го направил и работи, засега ще го захранвам от акумулатор, но не съм го пробвал на инжектори, тъй като трябва да сваля моите(нямам под ръка някой за проба), а поне в скоро време това няма да стане. Правя си всичко това за мен или, ако се наложи за някой приятел или близък, няма да се занимавам професионално. Разбрах вече за моите инжектори, че трябва да са в границите на 12-17ома, което означава, че тока ще е в границите на 0.7-1А. Генератора произвежда правоъгълни импулси и в случая мисля, че няма толкова значение продължителността на импулса, тока на импулса би трябвало да е един и същ. Не знам при моноинжекцията как е, там може да е по голям тока. Явно трябва да се пробват нещата в реална обстановака
Искам да свържа и четирите инжектора заедно и затова ме интересуваше тока - за да знам, дали ще издържи транзистора. Генератора съм го направил и работи, засега ще го захранвам от акумулатор, но не съм го пробвал на инжектори, тъй като трябва да сваля моите(нямам под ръка някой за проба), а поне в скоро време това няма да стане. Правя си всичко това за мен или, ако се наложи за някой приятел или близък, няма да се занимавам професионално. Разбрах вече за моите инжектори, че трябва да са в границите на 12-17ома, което означава, че тока ще е в границите на 0.7-1А. Генератора произвежда правоъгълни импулси и в случая мисля, че няма толкова значение продължителността на импулса, тока на импулса би трябвало да е един и същ. Не знам при моноинжекцията как е, там може да е по голям тока. Явно трябва да се пробват нещата в реална обстановака

- stefan4o
- Мнения: 19334
- Регистриран на: Съб 16 юни 2007 6:07
- Автомобил: VW Jetta
- Двигател: PN 1990+KR 1987
- Местоположение: Стара Загора
- Контакти:
Re: Какъв ток консумира бензино-впръскващия инжектор?
В Аутодата дават 1.2 до 1.6 Ома за инжектора на 1.8 ABS. Доколко е вярно - не зная 
При PB примерно на всеки инжектор го дават 15 до 20 Ома.

При PB примерно на всеки инжектор го дават 15 до 20 Ома.
Последна промяна от stefan4o на Пон 21 яну 2013 19:56, променено общо 1 път.
-
- Мнения: 228
- Регистриран на: Нед 03 апр 2011 14:24
- Автомобил: Golf 4 1.4 16V
- Двигател: AHW 1999
- Местоположение: silistra
Re: Какъв ток консумира бензино-впръскващия инжектор?
stefan4o написа:В Аутодата дават 1.2 до 1.6 Ома за инжектора на 1.8 ABS. Доколко е вярно - не зная
Така е, това са никоомни инжектори и на такива обикновено се добавя резистор.
- kris11
- VW експерт
- Мнения: 13553
- Регистриран на: Нед 06 фев 2005 23:04
- Автомобил: VW Sharan 7M8
- Двигател: ADY_DBU_LPG LANDIRENZO OMEGAS
- Местоположение: Варна
- Контакти:
Re: Какъв ток консумира бензино-впръскващия инжектор?
Генератора произвежда правоъгълни импулси и в случая мисля, че няма толкова значение продължителността на импулса, тока на импулса би трябвало да е един и същ.???
Как да няма значение продължителността на импулса ??
Как да няма значение продължителността на импулса ??
- bobocamaro
- R.I.P
- Мнения: 7510
- Регистриран на: Вто 01 юли 2008 16:21
- Автомобил: Golf 3 GTI
- Двигател: 2E
- Местоположение: София
Re: Какъв ток консумира бензино-впръскващия инжектор?
transform написа: Разбрах вече за моите инжектори, че трябва да са в границите на 12-17ома, което означава, че тока ще е в границите на 0.7-1А.
На рейка с дюзи от 2Е, те са вързани в паралел заводски, консумацията общата е 12V/3A.
Нещо сходно като при теб се получава, няма да имаш проблем с този транзистор.
Сега за времената 5 до 10 милисекунди е ок за тоя инжектор да е отворен, вече паузите са си по твоя преценка.
Може да щракат и един път в час

Ще трябва да играеш с коефициента на запълване, на генератора, което не помня как става.
Някакви мръсни RC вериги сигурно се сметат.....досадна работа

Върни се в “Общи автомобилни дискусии”
Кой е на линия
Потребители, разглеждащи този форум: georgi_xs и 85 госта