VW Passat B3 89г - тресене на волана при натискане на спирачките
-
Explode12
- Мнения: 309
- Регистриран на: Пон 05 дек 2011 20:05
- Автомобил: MK2
- Двигател: RP
- Местоположение: Варна
Re: VW Passat B3 89г - тресене на волана при натискане на спирачките
256мм дисковете не са толкова скъпи, вземи си нови(ате/текстар/трв/феродо..брембото го плюят че са все ментаци..). Много възможно е стругаря да ги е осрал. Дисковете вентилирани ли са?
- инжектопляктор
- Мнения: 4192
- Регистриран на: Нед 21 сеп 2014 0:54
- Автомобил:
- Двигател:
Re: VW Passat B3 89г - тресене на волана при натискане на спирачките
Explode12 написа:Дисковете вентилирани ли са?
Не, не са. Плътни. Стругарят ме убеждаваше, че няма да има проблеми.
-
Explode12
- Мнения: 309
- Регистриран на: Пон 05 дек 2011 20:05
- Автомобил: MK2
- Двигател: RP
- Местоположение: Варна
Re: VW Passat B3 89г - тресене на волана при натискане на спирачките
Смени ги просто с нови. Ако имаш възможност, както вече казаха, използвай индикаторен часовник и виж диска, виж главината.
- silent
- Мнения: 2618
- Регистриран на: Вто 15 юни 2004 22:41
- Автомобил:
- Двигател:
- Местоположение: София
Re: VW Passat B3 89г - тресене на волана при натискане на спирачките
Купи си нови дискове с отстъпките са по 30тина лв че и по-евтино .... почти колкото си дал за СТРУГАР. Ако задните спирачки са кофти топлинно предните се товарят повече и по-лесно и по-бързо се кривят дисковете....
- К.Одаджийски
- VW експерт

- Мнения: 12167
- Регистриран на: Пон 11 сеп 2006 20:11
- Автомобил: Saab 9-3 SS ARC
- Двигател: B207L
- Местоположение: София / Берковица
Re: VW Passat B3 89г - тресене на волана при натискане на спирачките
Струговането на дискове не е никак проста работа и не става за половин ас. Трябва си центриращ конус в средата и ред други работи. Нови накладки, нови дискове, правилен монтаж с идеално почистване и подравняване на главината, смазване с медна грес. Винтчетата не са задължителни, на аудитата 99% дисковете са без стопорни винтчета, то ако не ги стегне болта с джантата, чакай това винтче да държи нещо. Единственото му предназначение е по лесно да се слага джантата, че иначе 3 дупки една срещу друга докато ги нагласиш, е мъка.
Виж водачите на апаратите в какво състояние са и си купи нови ако има големи луфтове, ако се усеща блокиране, хубаво ги почисти и смажи с медна грес.
П.С Провери все пак и вътрешните накрайници за луфтове. Задните тампони на носачите е хубаво да ги смениш с плътни от ауди ТТ или голф 4
Виж водачите на апаратите в какво състояние са и си купи нови ако има големи луфтове, ако се усеща блокиране, хубаво ги почисти и смажи с медна грес.
П.С Провери все пак и вътрешните накрайници за луфтове. Задните тампони на носачите е хубаво да ги смениш с плътни от ауди ТТ или голф 4
- инжектопляктор
- Мнения: 4192
- Регистриран на: Нед 21 сеп 2014 0:54
- Автомобил:
- Двигател:
Re: VW Passat B3 89г - тресене на волана при натискане на спирачките
silent написа:почти колкото си дал за СТРУГАР.
Днес връщах дисковете. Пред мен на струга. И двата диска биеха, единият биеше сериозно. Не мога да повярвам, че за 40км двата диска могат да се изметнат. Каза, че имам проблем със задържащ апарат. Е, и двата ли да задържат? Или две криви главини? Какъв е шанса да имаш 2 криви главини или два апарата да задържат?
Когато пипна колелото след път, то не е кой знае колко горещо. И на феродо от накладките не мирише.
Сега монтирах всичко, минавах главините с шкурка и след това пилих ръбовете на съпортите с пила, за да ги изгладя.
Задните спирачки не може да са кофти, дори на техническия преглед коваха повече от предмите. И ръчна си има както трябва. И нови накладки има отзад.
Като свалих диска, единият диск се виждаше как е имало триене само по външната 1/2 от него.
Проверих втулките на апаратите. На едната има скъсан маншон, но всички все още се движат нормално. Няма някакъв особено значим луфт. Аз преди бях ги смазвал.
Във волана луфт няма. Хванах шенкела здраво и втори човек се опитва да завърти. След това той хвана волана здраво, а аз се опитах да мърдам шенкела.
К.Одаджийски написа:Нови накладки
Колко пъти да купувам нови накладки, при всяко сваляне на дисковете ли? Онзи ден си купих нови TRW.
- К.Одаджийски
- VW експерт

- Мнения: 12167
- Регистриран на: Пон 11 сеп 2006 20:11
- Автомобил: Saab 9-3 SS ARC
- Двигател: B207L
- Местоположение: София / Берковица
Re: VW Passat B3 89г - тресене на волана при натискане на спирачките
инжектопляктор написа:Като свалих диска, единият диск се виждаше как е имало триене само по външната 1/2 от него.
Ако искаш, но веднъж накривил накладките на една страна и опилени по ръбовете на други дискове, виждаш до какво водят. Намери си сервиз, ама истински в който ще ти разберат проблема и ще ти го решат. не се стискай много с парите, щото сам и гледайки икономията виждаш сам, че даваш много повече пари.
Апарата дали задържа не се мери по колко е топла джантата, а се вдига на крик, един натиска спирачката, друг оказва натиск за завъртане на гумата, пуска се спирачката и гумата веднага трябва да тръгне. Отвътре се вижда и дали апарата помръдва като отпусне.
- инжектопляктор
- Мнения: 4192
- Регистриран на: Нед 21 сеп 2014 0:54
- Автомобил:
- Двигател:
Re: VW Passat B3 89г - тресене на волана при натискане на спирачките
К.Одаджийски написа:Ако искаш, но веднъж накривил накладките на една страна и опилени по ръбовете на други дискове, виждаш до какво водят.
Дори новите накладки не лягат идеално на диска. Нали има време да легнат? Накладките са по-меки от диска. Трябва бързо да се изпилят. Тия дискове да не са от кашкавал, да се кривят само като ги погледнеш? Как карах Форд 4 години с едни и същи дискове, минавах през локви, карах със 140 и спирачки - абе нищо не се изкриви. Аз ти казвам слагам уж пилени и прави дискове и чисто нови накладки TRW от опаковката с холограма.
Истински сервизи тук не знам да има. Колата си не я давам на майстори, които чупят двигатели или не могат да видят дори, че шарнир е на път да се разпадне. Само взимат пари, за да си оставят ръцете. И се възгордяват, понеже нали има чужденци.
- К.Одаджийски
- VW експерт

- Мнения: 12167
- Регистриран на: Пон 11 сеп 2006 20:11
- Автомобил: Saab 9-3 SS ARC
- Двигател: B207L
- Местоположение: София / Берковица
Re: VW Passat B3 89г - тресене на волана при натискане на спирачките
Ами опитвам се да ти помогна дистанционно. Оная накладка не и се е изкривило желязото от нищо, има генерален проблем. Аз за първи виждам така изкривена накладка.
Износването на диска на една страна също е породено от този проблем. Друго няма какво да кажа
Износването на диска на една страна също е породено от този проблем. Друго няма какво да кажа
- инжектопляктор
- Мнения: 4192
- Регистриран на: Нед 21 сеп 2014 0:54
- Автомобил:
- Двигател:
Re: VW Passat B3 89г - тресене на волана при натискане на спирачките
К.Одаджийски написа:Оная накладка не и се е изкривило желязото от нищо, има генерален проблем. Аз за първи виждам така изкривена накладка.
Добре, ама износването на диска не е от страната, където е била крива накладката. признавам си, че от нея страна на диска липсва винтчето. Може да се е сгънала, защото слагайки гумата съм разместил диска и накладката, а после напомпих спирачки.
К.Одаджийски написа:Износването на диска на една страна също е породено от този проблем.
Човек, не бях разбран правилно.
1. Нося дисковете на стругар.
2. Взимам нови накладки TRW.
3. Слагам струговани, уж прави дискове.
4. Вадя накладките TRW от пакета и ги слагам, те преди това никога не са били ползвани, чисто нови са.
5. Почти веднага започва да бие.
6. Свалям диска.
7. От външната страна(не откъм буталото) на единия диск се вижда как е износено на една страна.
8. Този диск не е от страната, от която беше кривата накладка. От другата страна е. Няма как съпорта да е крив.
9. Колата си има инерция, всичко е наред.
Слагам чисто нови накладки на уж прави дискове и резултатът е, че от външната страна на единия диск имам неравномерно износване.
Старите криви дискове, които сложих със старите накладки, докато закарам другите дискове на струг от друга страна са износени равномерно навсякъде.
Какво се случва?
1. Две криви главини.
2. Два задържащи спирачни апарата.
3. Неправилно струговани дискове.
4. Дискове менте, които се деформират само с поглед.
Нито едно от тези не ми изглежда правдоподобно.
- ktamen
- Мнения: 6385
- Регистриран на: Вто 23 мар 2010 18:52
- Автомобил:
- Двигател:
- Местоположение: София - Ямбол
Re: VW Passat B3 89г - тресене на волана при натискане на спирачките
инжектопляктор"
[quote="ktamen написа:до външния диаметър на диска.
Т.е външния ръб на диска, периферията му?[/quote]
Да близо до външния ръб, но не на самия ръб, а на работната повърхнина, където се търка накладката.
Знаеш ли какво е дорник? Стругарят дали знае какво е дорник, а дали ползва такова нещо?
Не ходи повече при него
Re: VW Passat B3 89г - тресене на волана при натискане на спирачките
Колега, проблема с биенето на волана при спиране, идва от биещ, или биещи дискове, или в краен случай от крив техен монтаж. Щом проблема е само при спиране, значи се поевява от движещ спирачен елемент. А освен движещи дискове при спиране, за друг движещ спирачен елемент не се сещам...
- goppa
- VW експерт

- Мнения: 7992
- Регистриран на: Вто 04 сеп 2012 19:25
- Автомобил: Seat Alhambra
- Двигател: CFFB
- Местоположение: Горна Оряховица
Re: VW Passat B3 89г - тресене на волана при натискане на спирачките
инжектопляктор написа:Като свалих диска, единият диск се виждаше как е имало триене само по външната 1/2 от него.
Проверих втулките на апаратите. На едната има скъсан маншон, но всички все още се движат нормално. Няма някакъв особено значим луфт. Аз преди бях ги смазвал.
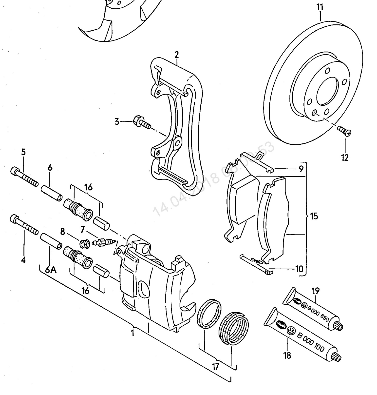
Тоя модел апарати не трябва да имат луфт въобще. Навярно са ти износени гумените втулки с тефлоновите люспи в тях (поз16). Има ги като ремонтен комплект, номера им е 171 698 447 A.
Цена около 20 лв без отстъпка. Пример
https://www.autodoc.bg/trw/2212135
- silent
- Мнения: 2618
- Регистриран на: Вто 15 юни 2004 22:41
- Автомобил:
- Двигател:
- Местоположение: София
Re: VW Passat B3 89г - тресене на волана при натискане на спирачките
Таз картинка доста се различава от спирачния апарат на Б3 освен ако не се касае за някакъв ранен едишън преди 90г.Водачите са метални, единственото гумено нещо е маншона им.
- инжектопляктор
- Мнения: 4192
- Регистриран на: Нед 21 сеп 2014 0:54
- Автомобил:
- Двигател:
Re: VW Passat B3 89г - тресене на волана при натискане на спирачките
goppa написа:Тоя модел апарати не трябва да имат луфт въобще.
Водачите ми са метални. И накладките са други на външен вид. Това са другите спирачни апарати.
При мен спирачният апарат се държи и се се плъзга на съпорта с помощта на втулки с гумени маншони.
Действително в тоя автомобил са се вграждали 2 модела спирачни апарати. Моите обаче са такива:
А ето я тяхната схема. Били Гирлинг, а тези които показваш били АТЕ.

Предполагам, че в конструкцията на апарата е предвидена някака хлабина, защото иначе тия втулки ще блокират в съпорта.
Кой е на линия
Потребители, разглеждащи този форум: Няма регистрирани потребители и 65 госта