Здравейте, имам следния проблем:
ел.перката на климатроника не се върти, а не е изгоряла (тест с мултицет), след като я ракачих от буксата до хидравличния резервоар. А самия куплунг в който влиза буксата няма никакъв ток , проверих бушона 30А (здрав е) , Системата е пълна с фреон. Питането ми е: кое реле да проверя(№) и къде се намира, ако може да е от това.Ще съм благодарен и на схема.
Б5.5 1,9
Проблем с перка на климатроника на B5.5 - решен
Проблем с перка на климатроника на B5.5 - решен
Последна промяна от gr_kanev на Съб 05 май 2012 19:36, променено общо 2 пъти.
Причина: моделите Пасат - http://www.vwclub.bg/forum/viewtopic.php?f=6&t=38785
Причина: моделите Пасат - http://www.vwclub.bg/forum/viewtopic.php?f=6&t=38785
- brad4edat
- Мнения: 341
- Регистриран на: Пет 06 апр 2007 21:39
- Автомобил:
- Двигател:
- Местоположение: Разлог
- Контакти:
Re: Проблем с перка на климатроника на B5
Може и пресостата за налягането в системата да не е наред, да показва (подава сигнал) че системата е празна и климатика няма да включи нито перките нито компресора.
Всъщност компресора на климатика включва ли ти въобще??
Всъщност компресора на климатика включва ли ти въобще??
- zfa159
- Мнения: 7908
- Регистриран на: Сря 31 яну 2007 12:16
- Автомобил: Skoda Karoq + Passat B4 Syncro
- Двигател:
- Местоположение: София
- Контакти:
Re: Проблем с перка на климатроника на B5
Дай точна година,защото имат разлики в местата на релетата и схемата 
Иначе перката се управлява от общо 3 релета .Първото си говори с датчика за външна температура и той определя дали перката да тръгва или не.Второто и 3-тото определят 1-ва или 2-ра степен да рботи.
Степените пък се определят от един резистор,който седи на рога под левия фар.От там тръгват и кабелите за перката.Провери дали резистора е на място и дали не е изгорял,като за начало.Щом компресора тръгва,би трябвало да нямаш проблем с датчика за външна температура и остава да имаш проблем или с някое от 3-те релета или с кабелите. Предпазителя се проверява само с уред,визуално може да си е здрав,ама да не дава връзка.


Иначе перката се управлява от общо 3 релета .Първото си говори с датчика за външна температура и той определя дали перката да тръгва или не.Второто и 3-тото определят 1-ва или 2-ра степен да рботи.
Степените пък се определят от един резистор,който седи на рога под левия фар.От там тръгват и кабелите за перката.Провери дали резистора е на място и дали не е изгорял,като за начало.Щом компресора тръгва,би трябвало да нямаш проблем с датчика за външна температура и остава да имаш проблем или с някое от 3-те релета или с кабелите. Предпазителя се проверява само с уред,визуално може да си е здрав,ама да не дава връзка.

Re: Проблем с перка на климатроника на B5.5
Passat B5.5 08.10.2003 TDI 131 Highline.
Последна промяна от gr_kanev на Пет 04 май 2012 12:37, променено общо 1 път.
Причина: моделите Пасат - http://www.vwclub.bg/forum/viewtopic.php?f=6&t=38785
Причина: моделите Пасат - http://www.vwclub.bg/forum/viewtopic.php?f=6&t=38785
- zfa159
- Мнения: 7908
- Регистриран на: Сря 31 яну 2007 12:16
- Автомобил: Skoda Karoq + Passat B4 Syncro
- Двигател:
- Местоположение: София
- Контакти:
Re: Проблем с перка на климатроника на B5.5
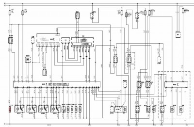
Ето схемата :
Както следва по нея :
М6 - самата перка
R46 -резистора за 1-ва и 2-ра степен
К12 1 и 2 - двете релета за 1-ва и 2-ра степен
S24 - датчика на радиатора за темп. на антифриза
Двете релета седят тук :
Номер 5 е за 1-ва степен,номер 8 е за 2-ра степен.
Предпазителя за перката е 30 или 40А (има и опция да е 60А,за 2.5 ТДИ) и седи около тези релета (информацията за мястото му не е особено точна в Аутодата).
Успех!

Както следва по нея :
М6 - самата перка
R46 -резистора за 1-ва и 2-ра степен
К12 1 и 2 - двете релета за 1-ва и 2-ра степен
S24 - датчика на радиатора за темп. на антифриза
Двете релета седят тук :
Номер 5 е за 1-ва степен,номер 8 е за 2-ра степен.
Предпазителя за перката е 30 или 40А (има и опция да е 60А,за 2.5 ТДИ) и седи около тези релета (информацията за мястото му не е особено точна в Аутодата).
Успех!

Re: Проблем с перка на климатроника на B5.5
zfa159: Много благодаря, оказа се че е изгорял предпазителя на перката (40А оранжев) който е се намира в куплунга под волана, сваля се кората (4 винта) която е под волана.След като го смених с нов за 3лв. всичко си заработи перфектно, и 1 степен и 2 степен. Прикачвам и снимка.
Благодаря още веднъж zfa159

Благодаря още веднъж zfa159






- zfa159
- Мнения: 7908
- Регистриран на: Сря 31 яну 2007 12:16
- Автомобил: Skoda Karoq + Passat B4 Syncro
- Двигател:
- Местоположение: София
- Контакти:
Re: Проблем с перка на климатроника на B5.5 - решен
Наглеждай перката,предпазителя не гори случайно и е въпрос на време да спре пак
това е слабо място на В5 и В5.5 и я гледай,понеже ако спре,ще свариш фреона 




Кой е на линия
Потребители, разглеждащи този форум: Няма регистрирани потребители и 77 госта