Смяна на виско перка пасат Б5
- draior
- Мнения: 121
- Регистриран на: Пон 19 мар 2007 12:01
- Автомобил: Toyota Corolla Verso 2.2 D4D
- Двигател:
- Местоположение: Перник-София-Перник
- Контакти:
Смяна на виско перка пасат Б5
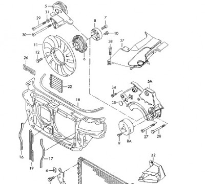
Привет колеги. Виското на перката за охлаждане на Пасата Б5 1.8. ми се е разбила и искам да питам дали може да се свали без да се сваля отново цялата предница. Ако някой го е правил да сподели че не ми се кара на майстор ако са само онези 4 болта на Перката закачена на виското и главния болт на виското. Ако нещо греша ме извинете предварително.
- _Technics
- Мнения: 145
- Регистриран на: Пон 12 май 2008 21:50
- Автомобил: VW Passat 2002
- Двигател: AKN V6 350HP
- Местоположение: Варна
- Контакти:
Re: Смяна на виско перка пасат Б5
Колега, аз съм с 2.5TDI мотора. 2 ключа х32мм. са необходими за да се развие виското от ремъчната шайба (доста сила беше необходима от 2-ма по-корави мъжаги). При мен имаше място като се развие да отиде напред към радиатора и да се повдигне после на горе за да излезе. На вън подменяш виското на самата PVC перка и завиваш по обратния ред. При мен резбата беше нормална (развива се по обр. час. стрелка). Дано и при теб има място - успех.
-
- Мнения: 87
- Регистриран на: Нед 19 дек 2010 20:50
- Автомобил:
- Двигател:
- Местоположение: Sofia
Re: Смяна на виско перка пасат Б5
може да се смени без да се сваля бронята колега.сваляш само пистовия ремък бъркаш отзад на виското при мен болта е на шестограм наистина изисква доста усилие да се развие.Ще са ти необходими и криви тънки клещи за да си хванеш контра на виското си има специални отвори за тази работа.После го издърпваш към радиатора и го вадиш.
- draior
- Мнения: 121
- Регистриран на: Пон 19 мар 2007 12:01
- Автомобил: Toyota Corolla Verso 2.2 D4D
- Двигател:
- Местоположение: Перник-София-Перник
- Контакти:
Re: Смяна на виско перка пасат Б5
Мерси много на колегите 

- draior
- Мнения: 121
- Регистриран на: Пон 19 мар 2007 12:01
- Автомобил: Toyota Corolla Verso 2.2 D4D
- Двигател:
- Местоположение: Перник-София-Перник
- Контакти:
Re: Смяна на виско перка пасат Б5
Сменихме я без да сваляме предницата. С малко напъване и откачане на маркуча на водата от към радиатора стана:)
Мерси на колегите за помощта
Мерси на колегите за помощта

Кой е на линия
Потребители, разглеждащи този форум: Няма регистрирани потребители и 43 госта