Теч от охладителната система на Passat B3 - от една метална?

Техническа и сервизна информация за Passat
Потребителски аватар
GT_power
Мнения: 159
Регистриран на: Пет 21 яну 2005 12:35
Автомобил:
Двигател: 1.8T
Местоположение: София

Теч от охладителната система на Passat B3 - от една метална?

Мнениеот GT_power » Съб 19 окт 2013 11:22


Здравейте колеги,
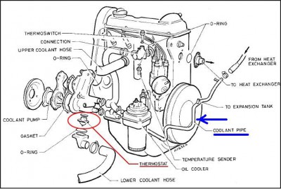
Моля ви за помощ и информация: Става въпрос за теч от охладителната система на Passat`92 B3 (двг. 1.8Mi ABS). Когато колата се остави паркирана някъде, отдолу, близо до лявото предно колело (от страната на водача) се образува локвичка, вероятно от антифриз. Явно има теч в системата. Баща ми е залягал отдолу и е установил, че има някаква метална тръба, която видимо е корозирала и вероятно от нея тече. Намерих тук във форума, схема на охладителната система и предполагам, че става въпрос за тази тръба, която съм означил със синя стрелка?
Може ли да ми кажете, тази тръба продава ли се като отделна резервна част (че нещо не мога да я намеря в бг. сайтовете за части), колко би струвала? Дали може да ми дадете някакъв каталожен номер, под който да я търся?
Предварително ви благодаря,
Хубав ден :smile
Прикачени файлове
cooling pipe.JPG




Потребителски аватар
anrus
Мнения: 909
Регистриран на: Вто 13 ное 2007 18:08
Автомобил: Golf2 10Millionen и Golf2 Country
Двигател: RF-1988 и 1P-1991
Местоположение: Горна Оряховица

Re: Теч от охладителната система на Passat B3 - от една мета

Мнениеот anrus » Съб 19 окт 2013 11:36


Оригиналният каталожен номер е 051 121 065 B. В online магазин намерих заместител нов на 54 лв, вариант е да потърсиш в обявите такъв Passat на части.


Потребителски аватар
К.Одаджийски
VW експерт
VW експерт
Мнения: 12189
Регистриран на: Пон 11 сеп 2006 20:11
Автомобил: Saab 9-3 SS ARC
Двигател: B207L
Местоположение: София / Берковица

Re: Теч от охладителната система на Passat B3 - от една мета

Мнениеот К.Одаджийски » Съб 19 окт 2013 11:59


Или просто премахваш корозиралия участък и заменяш с маркуч


Потребителски аватар
predat0r
Мнения: 2810
Регистриран на: Чет 02 фев 2012 13:44
Автомобил: Mercedes-Benz W203
Двигател: C270CDI
Местоположение: АСЕНОВГРАД

Re: Теч от охладителната система на Passat B3 - от една мета

Мнениеот predat0r » Съб 19 окт 2013 14:25


Колега вероятно тази тръба ти е проблема
SAM_1057.JPG


И на мен ми ми сълзи в момента леко.. Но точно моя модел го няма по магазините.. Казаха ми само оргинален с поръчка цена 112лв.. Лошото е че сълзи точно на чупката където самата тръба е сплесната...


Потребителски аватар
kaiser666
Мнения: 4670
Регистриран на: Вто 31 юли 2007 13:03
Автомобил: Bmw E34
Двигател: M20B20
Местоположение: South Of Heaven

Re: Теч от охладителната система на Passat B3 - от една мета

Мнениеот kaiser666 » Нед 20 окт 2013 12:45


На мен не ми тече за сега, но вадих маркуча който влиза в радиатора на парното и точно края на тази тръба е корозирал здраво и се разпада, така че по-добре не търси втора ръка ако не искаш в близко бъдеще да сменяваш пак.


Потребителски аватар
samo_pechka
Мнения: 9111
Регистриран на: Пон 05 дек 2011 22:46
Автомобил: YAMAHA Drag star 1100+XJ 900 58L
Двигател: V-twin 2002 + R4 1989

Re: Теч от охладителната система на Passat B3 - от една мета

Мнениеот samo_pechka » Нед 20 окт 2013 13:09


Случайно преди време в един сервиз видях, че собственик на Голф 3 си беше сменил тръбата с медна ,нагъната по подобие на оригиналната , беше станало доста добре,планките прехвърлени ( запоени) от старата , та ако ви устройва такъв вариант...За жалост не се досетих да попитам отде е тръбата , колко му е излязло и т.н.


Потребителски аватар
GT_power
Мнения: 159
Регистриран на: Пет 21 яну 2005 12:35
Автомобил:
Двигател: 1.8T
Местоположение: София

Re: Теч от охладителната система на Passat B3 - от една мета

Мнениеот GT_power » Нед 20 окт 2013 15:15


Благодаря ви, колеги, за информацията и идеите :th_up
Мисля да го направя със снадка от маркуч, като изрежа изгнилата част. Не ми се дават 100 и отгоре лева за таз тръбичка, а втора употреба на такива години, сигурно ще е пак в кофти състояние. Засега теча е решен временно с някакво лепило за метал (колата е на баща ми и тръбата е протекла, докато е бил в провинцията, та е трябвало някакво временно решение за да се прибере), и засега още не протекло. Ще видим колко ще издържи така и щом протече отново ще сложа маркуч.
Още веднъж благодаря за всичко, бъдете живи и здрави :beer



Върни се в “Passat”

Кой е на линия

Потребители, разглеждащи този форум: batjoro, dalgia-73 и 80 госта