здравейте
парното на пасата ми не е това което трябва да бъде като топлина
на какво може да се дължи?
при тестване се оказа че датчика за качеството на въздуха към купето /G 238/ е сдал багажа!
дали е от него или друго тъй като той би трабвало само да затваря клапата за достъп на външен въздух, когато е замърсен /поне така мисля/?!?
и друго - от ляво духа по топло от колкото от дясно
Пасат Б6 слабо парно
-
- Мнения: 31
- Регистриран на: Съб 30 ное 2013 23:34
- Автомобил: VW Passat B 6
- Двигател: CBAB 2008
- Местоположение: Враца
-
- Мнения: 2205
- Регистриран на: Нед 25 сеп 2011 11:53
- Автомобил: VW passat+BMW X3+Honda St1300
- Двигател: avf+m47
- Местоположение: shabla
Re: слабо парно на Пасат Б6
А държи ли 90градуса?
- Steels
- Мнения: 427
- Регистриран на: Пон 28 юли 2008 17:59
- Автомобил: Arteon SB 280hp
- Двигател: DNFE
- Местоположение: Бургас/София
Re: слабо парно на Пасат Б6
Мисля, че това може да ти помогне http://www.drive2.ru/cars/volkswagen/passat/passat_b6/pspapp/journal/1458242/.
- zfa159
- Мнения: 7908
- Регистриран на: Сря 31 яну 2007 12:16
- Автомобил: Skoda Karoq + Passat B4 Syncro
- Двигател:
- Местоположение: София
- Контакти:
Re: слабо парно на Пасат Б6
Със сигурност не е от датчика за качеството на въздуха :) Той прави точно това,което си мислиш.
Проблемите могат да са най-различни - електрически или механичен проблем на клапите за топло/студено...ама електрическия излиза на диагностиката,а механичния няма да стане едновременно и от ляво и от дясно (колата предполагам е с двузонов климатроник).
Ако и от двете зони няма добро топло,тогава проблема се крие другаде. Като за начало да си сигурен,че колата загрява както трябва (90 градуса).След това да видиш дали няма ръжди в системата или да се сетиш дали е сипвана добавка за запушване на течове. Също така е важно как е започнал този проблем - един хубав ден просто е нямала парно или си си я купил с този проблем. Вариант е и водна помпа, тя заводски е с пластмасови витла и като разбие накатката,спира да върти антифриза през малкия кръг,защото там е тясно и е зор и съответно парното или изчезва тотално или частично. За целта трябва да видиш двата маркуча,които влизат за към купето дали са горещи и дали входния и изходния са еднакво горещи.

Проблемите могат да са най-различни - електрически или механичен проблем на клапите за топло/студено...ама електрическия излиза на диагностиката,а механичния няма да стане едновременно и от ляво и от дясно (колата предполагам е с двузонов климатроник).
Ако и от двете зони няма добро топло,тогава проблема се крие другаде. Като за начало да си сигурен,че колата загрява както трябва (90 градуса).След това да видиш дали няма ръжди в системата или да се сетиш дали е сипвана добавка за запушване на течове. Също така е важно как е започнал този проблем - един хубав ден просто е нямала парно или си си я купил с този проблем. Вариант е и водна помпа, тя заводски е с пластмасови витла и като разбие накатката,спира да върти антифриза през малкия кръг,защото там е тясно и е зор и съответно парното или изчезва тотално или частично. За целта трябва да видиш двата маркуча,които влизат за към купето дали са горещи и дали входния и изходния са еднакво горещи.

Re: слабо парно на Пасат Б6
Що не кажеш направо да я докара при тебе да я оправиш
Иначе към автора - ако не разбираш въобще не барай. Гледай по-скоро да намериш сервиз/човек, който да знае какво прави. Ако си от София се разберете с колегата zfa159 


-
- Мнения: 31
- Регистриран на: Съб 30 ное 2013 23:34
- Автомобил: VW Passat B 6
- Двигател: CBAB 2008
- Местоположение: Враца
Re: слабо парно на Пасат Б6
държи 90 градуса и не мърда стрелката не пада температурата и не се качва повече
не съм слагал добавки за запушване на радиатор от както съм я купил - от 1 година /декември 2012 г./
тогава имаше парно по-добро
двузонов климатроник има и от към шофьора духа по-топло от колкото от дясно
не съм слагал добавки за запушване на радиатор от както съм я купил - от 1 година /декември 2012 г./
тогава имаше парно по-добро
двузонов климатроник има и от към шофьора духа по-топло от колкото от дясно
-
- Мнения: 31
- Регистриран на: Съб 30 ное 2013 23:34
- Автомобил: VW Passat B 6
- Двигател: CBAB 2008
- Местоположение: Враца
Re: слабо парно на Пасат Б6
водната помпа е сменена декември миналата госина при обслужването / купих я от Фолксваген/ и съм минал 15 хиляди км за тази една година
не вярвам толкова бързо да се скапе
не вярвам толкова бързо да се скапе
- zfa159
- Мнения: 7908
- Регистриран на: Сря 31 яну 2007 12:16
- Автомобил: Skoda Karoq + Passat B4 Syncro
- Двигател:
- Местоположение: София
- Контакти:
Re: слабо парно на Пасат Б6
Ами вариантите тук вече стават доста.
Казваш,че от ляво духа по-топло от колкото от дясно...предполагам, че има доста разлика, щом така го описваш (ръката трудно прави разлика,по-малка от 5 градуса). Причината за да няма парно като цяло колата, може и да е отделна от причината да духа по-студено от едната страна.
Пробвай това с маркучите,което ти казах - запали я да загрее и я пусни да вее макс. горещо и от двете страни на максимален вентилатор.Остави я така 2-3-5 минути и пипни отвън маркучите на радиатора - ако и двата са горещи, вероятно проблема е вътре по моторите за клапите или в самия радиатор за парното.Ако входния е горещ,а изходния е хладък - или е задръстен радиатора (с промивка може да се разбере) или няма достатъчно добра циркулация на антифриз в системата (водната помпа явно не е, ама зависи леглото и колко е изядено от отлагания, което обаче няма как да знаеш без да се свали...). Ако и двата маркуча не са достатъчно горещи,значи колата има по-сериозен проблем с циркулацията на антифриз и съответно не и стига дебит да храни радиатора и да върти антифриза през него. При В6 досега не ми се е случвало да дефектира радиатора така, че да не грее достатъчно от самият него (за Б5 и 5.5 съм писал една тема, как радиатора се прецаква вътре и байпасира вход с изход и всичко изглежда 6,ама топло няма като хората). Схемата тук е, че половината радиатор отговаря за едната страна,а другата половина за другата страна.Ако циркулацията на антифриз е кофти,тогава трябва от дясно да духа по-добре (от там влиза антифриза) от колкото от ляво, освен ако няма проблем с моторите за топло/студено. Пробвай това с маркучите и драсни някой ред какво е положението. Другия вариант е диагностика, най-напред да се види какво казва климатроника по въпроса с моторите и да се измери каква температура духа от двете страни при максимално натоварване и вече да се търси причината.

Казваш,че от ляво духа по-топло от колкото от дясно...предполагам, че има доста разлика, щом така го описваш (ръката трудно прави разлика,по-малка от 5 градуса). Причината за да няма парно като цяло колата, може и да е отделна от причината да духа по-студено от едната страна.
Пробвай това с маркучите,което ти казах - запали я да загрее и я пусни да вее макс. горещо и от двете страни на максимален вентилатор.Остави я така 2-3-5 минути и пипни отвън маркучите на радиатора - ако и двата са горещи, вероятно проблема е вътре по моторите за клапите или в самия радиатор за парното.Ако входния е горещ,а изходния е хладък - или е задръстен радиатора (с промивка може да се разбере) или няма достатъчно добра циркулация на антифриз в системата (водната помпа явно не е, ама зависи леглото и колко е изядено от отлагания, което обаче няма как да знаеш без да се свали...). Ако и двата маркуча не са достатъчно горещи,значи колата има по-сериозен проблем с циркулацията на антифриз и съответно не и стига дебит да храни радиатора и да върти антифриза през него. При В6 досега не ми се е случвало да дефектира радиатора така, че да не грее достатъчно от самият него (за Б5 и 5.5 съм писал една тема, как радиатора се прецаква вътре и байпасира вход с изход и всичко изглежда 6,ама топло няма като хората). Схемата тук е, че половината радиатор отговаря за едната страна,а другата половина за другата страна.Ако циркулацията на антифриз е кофти,тогава трябва от дясно да духа по-добре (от там влиза антифриза) от колкото от ляво, освен ако няма проблем с моторите за топло/студено. Пробвай това с маркучите и драсни някой ред какво е положението. Другия вариант е диагностика, най-напред да се види какво казва климатроника по въпроса с моторите и да се измери каква температура духа от двете страни при максимално натоварване и вече да се търси причината.

- boichopavlov
- Мнения: 212
- Регистриран на: Чет 13 юли 2006 21:37
- Автомобил: Touran
- Двигател: BSX 2006
- Местоположение: Плевен
Re: слабо парно на Пасат Б6
Радиаторче за парно - това е проблема.
До колегата zfa159 - водите за парното при пасат 6, 7 влизат от лявата страна и при задръстено радиаторче се получава ефекта със слабо топло отдясно.
До колегата zfa159 - водите за парното при пасат 6, 7 влизат от лявата страна и при задръстено радиаторче се получава ефекта със слабо топло отдясно.
-
- Мнения: 31
- Регистриран на: Съб 30 ное 2013 23:34
- Автомобил: VW Passat B 6
- Двигател: CBAB 2008
- Местоположение: Враца
Re: слабо парно на Пасат Б6
благодаря за съветите
след празниците като се прибера ще пробвам и ще пиша какъв е резулнана от пробата
пожелавам ви приятно изкарване на празниците
след празниците като се прибера ще пробвам и ще пиша какъв е резулнана от пробата
пожелавам ви приятно изкарване на празниците
- zfa159
- Мнения: 7908
- Регистриран на: Сря 31 яну 2007 12:16
- Автомобил: Skoda Karoq + Passat B4 Syncro
- Двигател:
- Местоположение: София
- Контакти:
Re: слабо парно на Пасат Б6
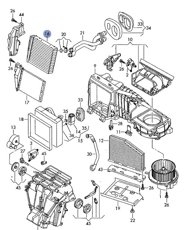
Според картинката в ЕТКА, тръбите изглежда да влизат от дясно (заради което така написах), ама според снимката на самия радиатор по парт номера му, наистина изглежда да влизат от ляво и тогава е възможно причината да е в радиатора, ама както вече казах, трябва да се види дали всичко друго е ок първо.
Картинката в ЕТКА :
Самия радиатор (ама тук е сниман на обратно):

Картинката в ЕТКА :
Самия радиатор (ама тук е сниман на обратно):

- boichopavlov
- Мнения: 212
- Регистриран на: Чет 13 юли 2006 21:37
- Автомобил: Touran
- Двигател: BSX 2006
- Местоположение: Плевен
-
- Мнения: 31
- Регистриран на: Съб 30 ное 2013 23:34
- Автомобил: VW Passat B 6
- Двигател: CBAB 2008
- Местоположение: Враца
Re: слабо парно на Пасат Б6
Явно е радиаторчето. Пробвахме го с един приятел и се оказа, че на входния маркуч не може да си държиш ръката, а на изходния е много по-ниска температурата.
Това с промиване оправя ли се или само подмяна.
и ако може да ми кажете колко ориентировъчно струва радиаторчето и смяната му?
Благодаря предварително.
Това с промиване оправя ли се или само подмяна.
и ако може да ми кажете колко ориентировъчно струва радиаторчето и смяната му?
Благодаря предварително.
- mafiota
- Мнения: 1583
- Регистриран на: Вто 26 дек 2006 18:06
- Автомобил: Audi A6 C5
- Двигател: APU
- Местоположение: Козлодуй
Re: слабо парно на Пасат Б6
може и да има въздушна възгланица в радиаторчето пречеща на правилната циркулация, и да се наложи допълнително обезвъздушаване. Ако радиаторчето е запушено по-скоро ще се получава нещо като байпас между маркучите, т.е. входящия и изходящия маркуч няма да имат разлика в температурите.
- zfa159
- Мнения: 7908
- Регистриран на: Сря 31 яну 2007 12:16
- Автомобил: Skoda Karoq + Passat B4 Syncro
- Двигател:
- Местоположение: София
- Контакти:
Re: слабо парно на Пасат Б6
mafiota написа:може и да има въздушна възгланица в радиаторчето пречеща на правилната циркулация, и да се наложи допълнително обезвъздушаване. Ако радиаторчето е запушено по-скоро ще се получава нещо като байпас между маркучите, т.е. входящия и изходящия маркуч няма да имат разлика в температурите.
Това няма да е така, освен ако радиатора не е тотално запушен, при което и двата ще са студени, защото няма да има циркулация на антифриз през тази част от системата. Радиатора представлява примерно 20 успоредни една на друга тръби с едни серпентини вътре за забавяне на потока на водата (при по-новите тръбите просто са повече и по-тънки и няма серпентини в тях). Когато радиатора е частично запушен, тогава влиза гореща вода (входния маркуч ще е горещ съответно) и само част от нея успява да стигне със зор до изхода (няколко тръби работят от всичките). Тогава тези тръби топлоотдават температурата на водата и тя излиза по-студена, от колкото е влезнала и ефекта е, че изходния маркуч ще по-студен от входния. Същото би се случило и ако има въздух в радиатора - пак част от тръбите не работят (пълни са с въздух) и пак става така с водата,минаваща през работещите. Така или иначе една промивка няма да му навреди ни най-малко - маркуча от чешмата във входа на радиатора и газ, после обратното и така, докато изтече всичката мизерия от вътре. По описания от теб начин байпасират само пластмасовите радиатори, когато им се счупи преградата между входа и изхода - тогава водата влиза, минава през счупената преграда и си излиза без да се завърти през питата на радиатора и съответно той не топлоотдава нищо. Радиатора на Пасат Б6 е от метал :)