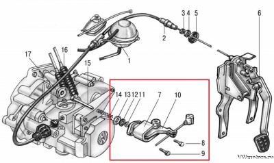
След по обстоен оглед установих че се е счупила ето тази вилка (на снимката е посочена с червена стрелка). Дали освен да я сваля и да я подменя трябва да правя и нещо друго по самия съединител? И друго се чудя - какъв чак толкова зор е видяла?
Благодаря предварително

