Passat 5.5 - проблем с климатроника Fresh Air -99 РЕШЕН

Техническа и сервизна информация за Passat
Потребителски аватар
dika
Мнения: 261
Регистриран на: Вто 18 авг 2009 9:48
Автомобил: VW Passat B8
Двигател: 20tdi
Местоположение: София

Passat 5.5 - проблем с климатроника Fresh Air -99 РЕШЕН

Мнениеот dika » Пон 16 мар 2015 19:27


Колеги,

Имам (може би) проблем с климатроника. Ето и малко история:
След като го закачих на vag-com-а, също и self-check-а показаха, че има проблем с G89:

Код: Избери всички

Address 08: Auto HVAC       Labels: 3Bx-907-044.LBL
   Controller: 3B1 907 044 J
   Component: CLIMATRONIC B5GP    0004
   Coding: 17000
   Shop #: WSC 01876
1 Fault Found:
00787 - Temperature Sensor in Fresh Air intake duct (G89)
            30-00 - Open or Short to Plus

На дисплея на километража, както и на самият климатроник си показва адекватна температура.
На селфчека на канал 6 на дисплея на климатроника обаче показва -50.0ºC. На VAG-COM като я закача на Fresh Air intake показва -99.0ºC. От къде идва разликата?!? Видях при колега, че при откачен датчик не показва никаква стойност, а само изписва n/a във vag-com-a. При мен при откачен датчик отново продължава да показва замръзващо студените -99 / -50 градуса.
Порових се из форума и водейки се по тази тема смених датчика с нов Febi 1J0907543A (кривата букса). Купих го, смених го и положението остана същото -99 градуса, а при откачане не изписва n/a.

Забелязах обаче, че когато откачам сензора и го закача отново записва още една грешка: този път за сензор G263 (не я записах точно). След като я ги изчистя, отново се връща грешка само за G89...при откачаване, явно имат обща верига и избира и G263.
Като цяло в момента климатроника работи идеално, но предполагам че в летният период няма да включи компресора, защото винаги ще мисли, че е -99 градуса!? Правилно ли мисля :)
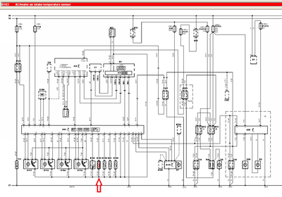
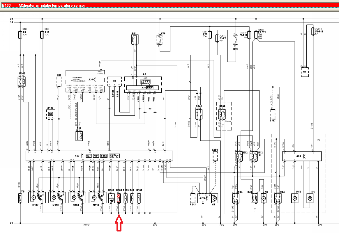
В аутодата намерих следната схема (прикаченаият файл)

Не мога да разбера обаче дали това е точно схемата, тъй като в нея не фигурират G89, G... и тн. Там са с други имена.

Има ли как да тествам датчика? Примерно при промяна на температурата да се види колко се променя съпротивлението? Има ли някъде технически спецификации на този датчик?

Има ли сигурен начин да се прозвънят кабелите и да се види, дали реално стигат правилно до датчика.

До летния сезон има време, ще се радвам да успея да отстраня проблема преди това с ваша помощ. Благодаря предварително!
Прикачени файлове
AC.png

Последна промяна от dika на Вто 17 мар 2015 20:54, променено общо 1 път.




Потребителски аватар
ti6ogb
Мнения: 379
Регистриран на: Сря 21 апр 2010 20:54
Автомобил: WV Passat Variant TDI 1.9
Двигател: AVF - 2001
Местоположение: Gabrovo

Re: Passat 5.5 - проблем с климатроника (не е G89) Fresh Air

Мнениеот ti6ogb » Пон 16 мар 2015 20:38


Колега,този под филтъра ли смени,за който ме пита ?


Потребителски аватар
dika
Мнения: 261
Регистриран на: Вто 18 авг 2009 9:48
Автомобил: VW Passat B8
Двигател: 20tdi
Местоположение: София

Re: Passat 5.5 - проблем с климатроника (не е G89) Fresh Air

Мнениеот dika » Пон 16 мар 2015 21:48


ti6ogb написа:Колега,този под филтъра ли смени,за който ме пита ?

Да, смених този който влиза в кутията с филтъра...махнах жабката и с напипване отзад в краката на пасажера, този смених.
http://www.worldimpex.com/assets/partimages/042440.jpg

Нали това е г89?
До колкото разбирам от схемата трябва от куплунг C на управлението да ходят до там 7 и 9 пин?


Потребителски аватар
ti6ogb
Мнения: 379
Регистриран на: Сря 21 апр 2010 20:54
Автомобил: WV Passat Variant TDI 1.9
Двигател: AVF - 2001
Местоположение: Gabrovo

Re: Passat 5.5 - проблем с климатроника (не е G89) Fresh Air

Мнениеот ti6ogb » Пон 16 мар 2015 22:48


През климатроника гледам на 4,5 и 6 канал температурите,като на мен 6-ти ми е за свежия въздух ,но е е този,който си показал,писах ти под жабката,нагоре към филтъра купе и е прав.
Прикачени файлове
DSC_1902 - Копие.jpg
Стария
DSC_1902 - Копие.jpg (65.76 KиБ) Видяна 3329 пъти
DSC_2050 - Копие.jpg
Новия е по-къс
DSC_2050 - Копие.jpg (29.67 KиБ) Видяна 3332 пъти


novatora
Мнения: 1066
Регистриран на: Чет 22 ное 2012 12:34
Автомобил: vw passat b5.5
Двигател: AVF 2001
Местоположение: Петрич
Контакти:

Re: Passat 5.5 - проблем с климатроника (не е G89) Fresh Air

Мнениеот novatora » Вто 17 мар 2015 9:10


Колега след като се смени датчика трябва с ваг ком да се изтрият грешките. Аз така смених моя но пак проблем. Отидох и с ваг кома изтриха всички грешки и вече 2 години нямам проблеми.


Потребителски аватар
dika
Мнения: 261
Регистриран на: Вто 18 авг 2009 9:48
Автомобил: VW Passat B8
Двигател: 20tdi
Местоположение: София

Re: Passat 5.5 - проблем с климатроника (не е G89) Fresh Air

Мнениеот dika » Вто 17 мар 2015 9:41


Изтрих грешката, но тя се набива веднага отново!
ti6ogb, аз мисля че говорим за едно и също, просто според годината на производство са различни сензорите?
Аз точно зад жабката го намерих, леко в ляво отзад на вентилатора?

Edit: Колега, ще излезне че си прав :( Като откача този датчик изчезва показанието на 40ти канал на климатроника. Очевидно съм сменил грешния :( Но с ровене не мога да намеря другия отзад...

Edit2: Ако махна духалката (http://i.ytimg.com/vi/MXjq8h0QAbE/maxresdefault.jpg) тъкмо и да се почисти :) Ще се види ли по-лесно сензора?


novatora
Мнения: 1066
Регистриран на: Чет 22 ное 2012 12:34
Автомобил: vw passat b5.5
Двигател: AVF 2001
Местоположение: Петрич
Контакти:

Re: Passat 5.5 - проблем с климатроника (не е G89) Fresh Air

Мнениеот novatora » Вто 17 мар 2015 13:38


Ето го къде се намира
Прикачени файлове
G89.jpg


Потребителски аватар
dika
Мнения: 261
Регистриран на: Вто 18 авг 2009 9:48
Автомобил: VW Passat B8
Двигател: 20tdi
Местоположение: София

Re: Passat 5.5 - проблем с климатроника (не е G89) Fresh Air

Мнениеот dika » Вто 17 мар 2015 16:10


Благодаря благодаря :)
Ами вие казахте бъркаш отзад и напипваш. Аз първо напипах онзи :) Сега с малко повече напипване намерих другия :)
След измерване се установи, че датчика наистина е заминал. За сравнение мернах и другият датчик и той показваше 800 Ohm при около 23-24 градуса температура.

Колеги правете разлика между тези двата сензора(прикачените), аз изгорях с една цифричка вече :)
Поръчал съм го днес, дано отново :) Предполагам какъв ще е резултата, но все пак ще ви кажа утре какво се случва ;)
Прикачени файлове
IMG_20150317_122820.jpg


Потребителски аватар
ti6ogb
Мнения: 379
Регистриран на: Сря 21 апр 2010 20:54
Автомобил: WV Passat Variant TDI 1.9
Двигател: AVF - 2001
Местоположение: Gabrovo

Re: Passat 5.5 - проблем с климатроника (не е G89) Fresh Air

Мнениеот ti6ogb » Вто 17 мар 2015 20:18


Аз,това го ядох миналата година,в 30 градуса жега без климатик,който сутрин работеше,а следобед го няма.Всичко проверих,и не се оправя,и на своя глава реших да го сменя(като ме убеждаваха, че не е от него )и се оправи.


Потребителски аватар
dika
Мнения: 261
Регистриран на: Вто 18 авг 2009 9:48
Автомобил: VW Passat B8
Двигател: 20tdi
Местоположение: София

Re: Passat 5.5 - проблем с климатроника (не е G89) Fresh Air

Мнениеот dika » Вто 17 мар 2015 20:53


Проблемът е решен! След смяната на правилният G89 сензор вече всичко е наред :)
Когато тръгнете да ровите зад жабката, помнете че има два датчика :)
Реално в момента не знам дали работи климатроника, тъй като не е достатъчно топло...но съдейки по показанията на всички датчици, мисля че няма да има проблем.

П.С. Надявам се поне схемата на климатроника да е полезна за някой, извадена е от аутодата!

Тук искам да изкажа благодарност и само позитивно мнение за www.autopower.bg (дано не прозвучи като реклама). Три пъти ми сменят датчика, евала!



Върни се в “Passat”

Кой е на линия

Потребители, разглеждащи този форум: Няма регистрирани потребители и 40 госта