Пасат Б5 1.9 ТДИ 1999 г. - загуба на антифриз?
- Xaxy
- Мнения: 1568
- Регистриран на: Вто 03 мар 2015 16:57
- Автомобил: Passat B5 1999
- Двигател: AFN 1.9 TDI 110
Пасат Б5 1.9 ТДИ 1999 г. - загуба на антифриз?
Пасат Б5 АФН ,преди около 1/2 месеца сменях,антифриза с една тръбичка от де минава антифриза. Всичко беше окей,до понеделник когато забелязах,че губи антифриз. Няма видими течове под колата,днес я качих на канал всичко огледахме ама нема. Загубата е малка за 100 км налях около 200 грама до максимума. С аверите се съмняваме за гарнитурата на главата,ама това вече в краен случай ще мислим. Вие какво мислите?
- goppa
- VW експерт

- Мнения: 8008
- Регистриран на: Вто 04 сеп 2012 19:25
- Автомобил: Seat Alhambra
- Двигател: CFFB
- Местоположение: Горна Оряховица
Re: Пасат Б5 1.9 ТДИ 1999 г. - загуба на антифриз?
Може дa е рaдиaтор нa пaрно. A зa гaрнитурa първо нaпрaви тест зa изгорели гaзове в aнтифризa.
П.П. зa. 1-2 месецa сaмо 100 км ли си минaл? Зa товa време отвaрял ли си предния кaпaк? Или си зaсякъл, че зa последните 100км липсвaт 200 г.?
П.П. зa. 1-2 месецa сaмо 100 км ли си минaл? Зa товa време отвaрял ли си предния кaпaк? Или си зaсякъл, че зa последните 100км липсвaт 200 г.?
- Xaxy
- Мнения: 1568
- Регистриран на: Вто 03 мар 2015 16:57
- Автомобил: Passat B5 1999
- Двигател: AFN 1.9 TDI 110
Re: Пасат Б5 1.9 ТДИ 1999 г. - загуба на антифриз?
Мисълта ми беше,че за последните 100 км забелязах,че антифриза е почнал намаля. Преди това го бях гледал,беше си окей понеделник реших видя маслото,отворих капачката на казанчето и видях,че антифриза в самото казанче е свършил,напълних го за 3 дни ги направих 100те км и забелязах,че пак е намалял ,а бях налял до макса... Колата се кара с постоянно,включен климатик ако това е от значение.
- goppa
- VW експерт

- Мнения: 8008
- Регистриран на: Вто 04 сеп 2012 19:25
- Автомобил: Seat Alhambra
- Двигател: CFFB
- Местоположение: Горна Оряховица
Re: Пасат Б5 1.9 ТДИ 1999 г. - загуба на антифриз?
Климaтикa нямa общо с aнтифризa. Виж зa мокро по мокетa в крaкaтa нa пътникa и шофьорa. 200 мл си е достa количество и трябвa дa остaви следa.
- Xaxy
- Мнения: 1568
- Регистриран на: Вто 03 мар 2015 16:57
- Автомобил: Passat B5 1999
- Двигател: AFN 1.9 TDI 110
Re: Пасат Б5 1.9 ТДИ 1999 г. - загуба на антифриз?
После след бачкане,ше проверя и ше пиша
-
gancho
- Мнения: 1064
- Регистриран на: Вто 26 яну 2010 10:05
- Автомобил:
- Двигател:
- Местоположение: българия,София
Re: Пасат Б5 1.9 ТДИ 1999 г. - загуба на антифриз?
Погледни и фланеца на главата, дето е т.датчик.
Пластмасов, черен. Има навика да старее с годините и да се пуква и протича.
Ако е от него-минаваш тънко и ще черпиш.
Пластмасов, черен. Има навика да старее с годините и да се пуква и протича.
Ако е от него-минаваш тънко и ще черпиш.
Re: Пасат Б5 1.9 ТДИ 1999 г. - загуба на антифриз?
При мен беше същата картинка със загубата на антифриз и се оказа точно този фланец. Беше се пукнал и пускаше от там. Закупих го за 5лв и се смени за 15 мин.
- Xaxy
- Мнения: 1568
- Регистриран на: Вто 03 мар 2015 16:57
- Автомобил: Passat B5 1999
- Двигател: AFN 1.9 TDI 110
Re: Пасат Б5 1.9 ТДИ 1999 г. - загуба на антифриз?
Здравейте,проверих отпред при краката на шофера и пасажера,всичко е сухо сутринта отново проверих,антифриза отново беше намалял. Наложи ми се слезна до града,навъртях около 10 км и я паркирах. Смених въздушния филтър,викам си чей видя какво е положението. Отвивам капачката и гледам антифриза е над макса,а до преди 15/20 мин беше почти до средата на казанчето....? Къде се намира този фланец? гледах,гледах ама не го виждам....
Re: Пасат Б5 1.9 ТДИ 1999 г. - загуба на антифриз?
Xaxy написа:Къде се намира този фланец? гледах,гледах ама не го виждам....
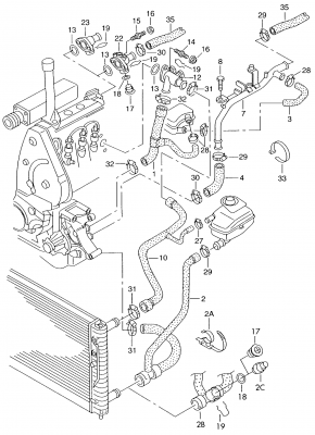
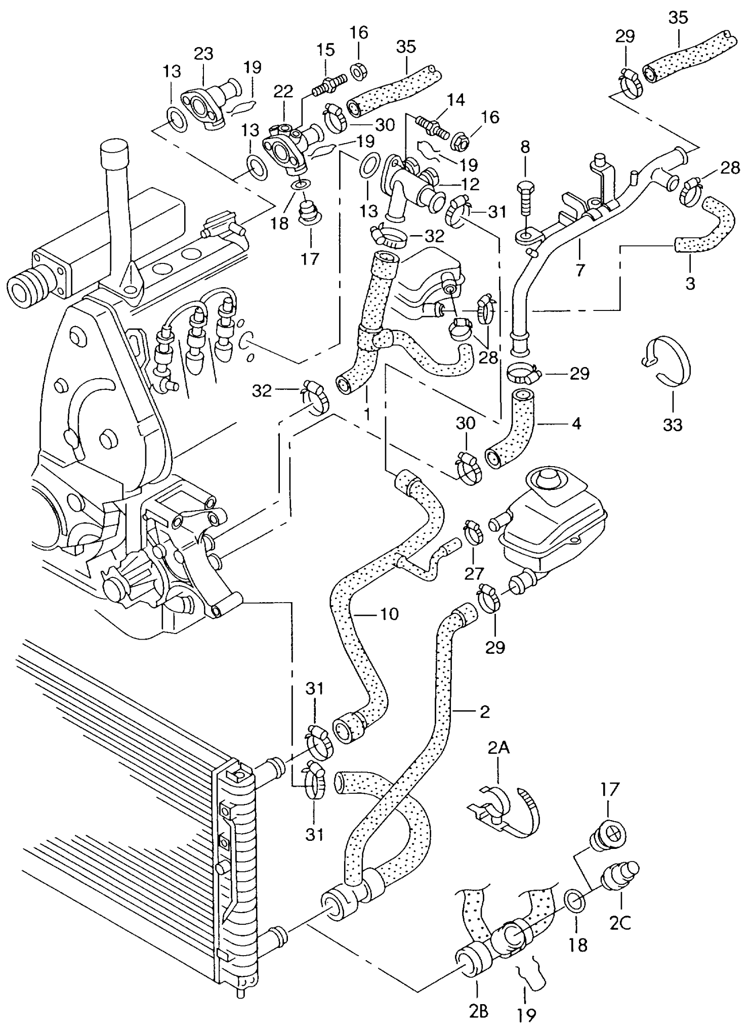
Пластмасовия фланец е на поз. 23
- Xaxy
- Мнения: 1568
- Регистриран на: Вто 03 мар 2015 16:57
- Автомобил: Passat B5 1999
- Двигател: AFN 1.9 TDI 110
Re: Пасат Б5 1.9 ТДИ 1999 г. - загуба на антифриз?
Тоест пада се зад двигателя,някаде до гредата? защото на снимката така ми се вижда?
http://prikachi.com/images.php?images/155/8880155u.jpg
http://prikachi.com/images.php?images/155/8880155u.jpg
- инжектопляктор
- Мнения: 4192
- Регистриран на: Нед 21 сеп 2014 0:54
- Автомобил:
- Двигател:
Re: Пасат Б5 1.9 ТДИ 1999 г. - загуба на антифриз?
Виж и от големият радиатор да не тече.
Re: Пасат Б5 1.9 ТДИ 1999 г. - загуба на антифриз?
Най-добре да провери и двата фланеца. Може да провериш дали не изпуска от о-пръстена на температурния датчик при загряване и последващо изстиване на двигателя.
- Xaxy
- Мнения: 1568
- Регистриран на: Вто 03 мар 2015 16:57
- Автомобил: Passat B5 1999
- Двигател: AFN 1.9 TDI 110
Re: Пасат Б5 1.9 ТДИ 1999 г. - загуба на антифриз?
Радиатора си е окей,в момента съм я качил на канал,работи от 15 мин няма и капка антифриз на земята. Сега я изгасих,ще следя да видя ще почне ли от некаде капе... Иначе за въпросните фланци,не мога ги открия все още да видя,какво състояние са.
Re: Пасат Б5 1.9 ТДИ 1999 г. - загуба на антифриз?
Единия е на главата в задната част на двигателя, а в другия влиза горния маркуч на големия радиатор.
Кой е на линия
Потребители, разглеждащи този форум: Няма регистрирани потребители и 53 госта