Здравейте, колеги!
Имам един генерален въпрос относно фаровете на серията В4 на пасаторите:
На всички ли фаровете заводски са кьорави коне или мойте нещо са приключили - проблема е, че осветеността, която осигуряват далеч не е задоволителна(и за къси, и за дълги), а не виждам реална причина да е така - какви ли крушки не пробвах, евтини, скъпи, ксенон ефект, ала-бала, все тая. А фаровете са регулирани, не са изцапани, стъклата са чисти....остава само нещо на рефлекторите да има, но поне на външен вид не забелязвам да им има нещо, та въпроса е фаровете да не са като спирачките на серията В4 - просто да са си куцо направени по начало...?
Въпрос за фарове на В4
-
- VW експерт
- Мнения: 13472
- Регистриран на: Съб 07 мар 2009 13:41
- Автомобил: Skoda Octavia + Peugeot 308 T9 SW
- Двигател: AQY 2001 + Pure Tech 2017
- Местоположение: Враца
Re: Въпрос за фарове на В4
Рециклиране на рефлекторите.
- Tsankovski
- Мнения: 366
- Регистриран на: Пон 25 юли 2016 10:14
- Автомобил: VW Passat B5-5 Variant Тiptronic
- Двигател: AMX 2005 2-8 4motion Exclusive
- Местоположение: Русе
Re: Въпрос за фарове на В4
Със LED крушки пробва ли, гаранция че ще стане нощта като ден, аз съм с такива ама на Б3
-
- Мнения: 367
- Регистриран на: Пет 11 апр 2008 10:10
- Автомобил:
- Двигател:
- Местоположение: Бургас
Re: Въпрос за фарове на В4
Колега колко волта отиват на самите фарове ?.Ако е под 11 волта ако ще и чисто нови фарове да сложиш все тая . Проблема иде от остаряването на инсталацията ,също нямат и релета за фаровете .Аз на бившия ми Пасат В3 след като сложих реле само на късите светлини се родих .До тогава какви ли не крушки слагах - ефект нулев . Има теми във форума доста подробно е описано кое как се прави .
- HukuTyY
- Мнения: 600
- Регистриран на: Пет 12 сеп 2008 13:40
- Автомобил: Vw Passat B4
- Двигател: ABF 16v
- Местоположение: Каварна
Re: Въпрос за фарове на В4
Аз съм със стандартните фарове на б4 и си светят страхотно(дори за миг не съм се замислял да слагам ксенон,лед,мед и т.н
).Крушките са обикновени осрам.Спирачките също са стандартни 288мм и 226мм и пак си спират добре..Може би имаш проблем с волтажа.

- К.Одаджийски
- VW експерт
- Мнения: 12160
- Регистриран на: Пон 11 сеп 2006 20:11
- Автомобил: Saab 9-3 SS ARC
- Двигател: B207L
- Местоположение: София / Берковица
Re: Въпрос за фарове на В4
Рециклиране на рефлекторите, релета на фаровете и осрам найт брейкър и ще светнат екстра
- Pet_rov
- Мнения: 4502
- Регистриран на: Сря 08 май 2013 16:16
- Автомобил: Passat Variant B4
- Двигател: ADZ 1996
- Местоположение: Шумен
Re: Въпрос за фарове на В4
Снощи се опитах да направя снимки кат светят рециклираните ми фарове ( Одата знае за тях, коментирали сме) и трябва да кажа, че светят съвсем прилично - на къси и дълги. Проблемът беше, че ми е мръсно предното стъкло
и снимките не се получиха. Регулирал съм си ги с помощта на един колега и даже на мокра настилка се вижда добре. Довечера ще пробвам пак снимането
, релета не съм слагал.


- pas1.8mi
- Мнения: 5208
- Регистриран на: Нед 10 окт 2004 14:08
- Автомобил: Passat B5
- Двигател: 1.8T AEB 1999
- Местоположение: София,Плевен
Re: Въпрос за фарове на В4
Сложи си релета,и тогава пак направи снимки! 

- ABSOLUT
- Мнения: 4436
- Регистриран на: Пет 20 яну 2006 1:14
- Автомобил: Passat B4+B7+Golf Mk1+Mk2 Country
- Двигател: 1Z + CFGC + JB + 1P
- Местоположение: София
- Контакти:
Re: Въпрос за фарове на В4
След претърпяна катастрофа преди бая години, смених счупените оригинални фарове на моя Пасат с такива Depo.
Сложих релета и Osram Night Braker +130% и трябва да кажа, че съм много доволен.
Сложих релета и Osram Night Braker +130% и трябва да кажа, че съм много доволен.
- Pet_rov
- Мнения: 4502
- Регистриран на: Сря 08 май 2013 16:16
- Автомобил: Passat Variant B4
- Двигател: ADZ 1996
- Местоположение: Шумен
Re: Въпрос за фарове на В4
Цецо, хич ме няма с тия токове, идея си нямам кое къде се вързва 

- caro
- Мнения: 578
- Регистриран на: Чет 04 окт 2007 20:14
- Автомобил: Golf 2- Audi Coupe -Audi 80 Avant
- Двигател: MH-1988 ACE-1994- 1Z-1994
- Местоположение: Шумен
Re: Въпрос за фарове на В4
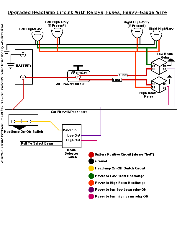
Нищо сложно няма ето схемата:
- Прикачени файлове
-
- relaycircuit.gif (11.87 KиБ) Видяна 1585 пъти
- Pet_rov
- Мнения: 4502
- Регистриран на: Сря 08 май 2013 16:16
- Автомобил: Passat Variant B4
- Двигател: ADZ 1996
- Местоположение: Шумен
Re: Въпрос за фарове на В4
Доколкото разбирам от схемата, трябва да прецепя снопа на десния фар, за да сложа релетата. Цветовете на схемата съответстват ли на цветовете на кабелите, или трябва да меря?
- Водния дух1
- Мнения: 3481
- Регистриран на: Вто 21 май 2013 21:17
- Автомобил: Golf 3 variant
- Двигател: 1Z
- Местоположение: Русе
Re: Въпрос за фарове на В4
angel1223 написа:Колега колко волта отиват на самите фарове ?.Ако е под 11 волта ако ще и чисто нови фарове да сложиш все тая . Проблема иде от остаряването на инсталацията ,също нямат и релета за фаровете .Аз на бившия ми Пасат В3 след като сложих реле само на късите светлини се родих .До тогава какви ли не крушки слагах - ефект нулев . Има теми във форума доста подробно е описано кое как се прави .
Много верно. И при мен беше така на венто.Нямаш си на представа 2волта какви чудеса правят.
- pas1.8mi
- Мнения: 5208
- Регистриран на: Нед 10 окт 2004 14:08
- Автомобил: Passat B5
- Двигател: 1.8T AEB 1999
- Местоположение: София,Плевен
Re: Въпрос за фарове на В4
Ключът за фаровете се коригира да е само със светодиоди,иначе при включен габарит включва и късите!
- Iezekil
- Мнения: 6185
- Регистриран на: Вто 14 фев 2012 15:53
- Автомобил: Passat B4 Variant
- Двигател: ABS 94
- Местоположение: Шумен
Re: Въпрос за фарове на В4
Тая схема не е ли за 3 релета,че ми се види едното реле да храни 4те фара/явно е за Голф 2/?
Кой е на линия
Потребители, разглеждащи този форум: bread1978, kukata_pasat, Steels и 53 госта