Въпрос за таблото на Б3
- kokolino
- Мнения: 38
- Регистриран на: Пон 19 ное 2007 18:50
- Автомобил:
- Двигател:
- Местоположение: София
Въпрос за таблото на Б3
Здравейте колеги.Имам едно питане във връзка с таблото на пасатора ми Б3 той е дизел без оборотомер с часовник дали е възможно да си сложа с оборотомер.Мерси предварително.
- zdravko_1986
- Мнения: 157
- Регистриран на: Пет 19 окт 2007 18:41
- Автомобил:
- Двигател:
- Местоположение: Самоков
Както колегата ти еказал всичко е възможно.
Ето ти една полезна темичка за оборотомер http://forum.vwclub.bg/viewtopic.ph ... E%EC%E5%F0
Надявам се че ще ти свърши работа
Ето ти една полезна темичка за оборотомер http://forum.vwclub.bg/viewtopic.ph ... E%EC%E5%F0
Надявам се че ще ти свърши работа

- kokolino
- Мнения: 38
- Регистриран на: Пон 19 ное 2007 18:50
- Автомобил:
- Двигател:
- Местоположение: София
?
Мисълта ми беше колеги такава нали има такива пасати не се сещам коя година бяха пак 1.6тд само че са с оборотомер та дали е вазможно да си сложа такова табло на моя 91г Б3.Мерси
- hristo stankov
- Мнения: 100
- Регистриран на: Нед 18 ное 2007 19:35
- Автомобил: VW GOLF II
- Двигател:
- Местоположение: Кърджали
- kokolino
- Мнения: 38
- Регистриран на: Пон 19 ное 2007 18:50
- Автомобил:
- Двигател:
- Местоположение: София
?
ОК.Благодаря колеги че се отзовахте.Еми неостава нищо друго освен да търся и да сменам.
Re: Въпрос за таблото на Б3
Става въпрос за 1,9Д двигател.На алтернатора има 3 кабела.Единия е В+.Пише D,но не знам за кой от двата останали е това означение.Втория е много къс излиза и влиза в алтернатора.А третия излиза от алтернатора и отива в инсталацията.Никъде не пише W обаче.Въпроса ми е ,възможно ли е една от тези две жици да е въпросната W?И ако не,четох,че може да се извади кабел от алтернатнора,как става таз процедура?
- znainainai
- Мнения: 5287
- Регистриран на: Пон 04 дек 2006 21:24
- Автомобил: Golf4
- Двигател: MK 4 98 AHF
- Местоположение: Русе
Re: Въпрос за таблото на Б3
На дизела оборотомера взима инфо от клема W+ на алтернатора или иначе казано ако няма такава трябва и алтернатор да се сменя. Ако я има се пуска кабел до таблото и тръгва 

- Petyoffy
- Мнения: 625
- Регистриран на: Пет 09 дек 2005 13:29
- Автомобил: Passat B7
- Двигател: CBBF 2012
- Местоположение: София
Re: Въпрос за таблото на Б3
znainainai написа:На дизела оборотомера взима инфо от клема W+ на алтернатора или иначе казано ако няма такава трябва и алтернатор да се сменя. Ако я има се пуска кабел до таблото и тръгва
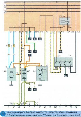
Малко нагледен материал:
Re: Въпрос за таблото на Б3
Само не мога да разбера от това изображение,в кой пин се включва кабела за оборотомера?
Re: Въпрос за таблото на Б3
Също ако някой може да ми каже,на кой пин е кабела за датчика на разширителния съд,че си играх с буксата и не си спомням къде седеше.?
- Petyoffy
- Мнения: 625
- Регистриран на: Пет 09 дек 2005 13:29
- Автомобил: Passat B7
- Двигател: CBBF 2012
- Местоположение: София
Re: Въпрос за таблото на Б3
VWVR6 написа:Само не мога да разбера от това изображение,в кой пин се включва кабела за оборотомера?
пин 10 - зелен кабел за оборотомера

Последна промяна от Petyoffy на Чет 09 апр 2009 14:24, променено общо 2 пъти.
- Petyoffy
- Мнения: 625
- Регистриран на: Пет 09 дек 2005 13:29
- Автомобил: Passat B7
- Двигател: CBBF 2012
- Местоположение: София
Re: Въпрос за таблото на Б3
VWVR6 написа:Да,но кабела,чието място търся е червен,мисля,че и малко черно имаше.
За табла до '90г.
1 * - ground (-) for outside temperature sensor
2 - not used
3 - ground (-), terminal 31
4 * - to multi-function indicator (MFI) reset switch
5 * - ground (-), terminal 31
6 * - to multi-function indicator (MFI) memory switch
7 - hall speed sensor signal
8 - from oil pressure switch (1.8 bar)
9 - from oil pressure switch (0.3 bar)
10 - tachometer input signal, terminal 1
11 - plus (+) connection, terminal 30
12 - plus ( + ) connection for instrument lighting, terminal 58b
13 - plus (+) connection, terminal 15
14 - not used
15 * - to multi-function indicator (MFI) mode switch
16 - to alternator warning light, terminal 61
17 * - from oil temperature sensor
18 - to seat belt warning light
19 * - outside temperature sensor signal
20 - not used
21 - to fuel gauge
22 - on-board diagnosis (OBD) warning light
23 - to coolant temperature gauge
24 - to turn signal indicator light
25 - to high beam indicator light
26 - not used
27 - not connected
28 - not connected
* Vehicles with multi-function indicator (MFI), Canada only
За табла след '90г,
1 - ground (-) for outside temperature sensor (MFA)
2 - to Engine Coolant Level (ECL) Sensor
3 - ground (-), terminal 31
4 - to Multi-function Indicator (MFA) memory switch (reset)
5 - ground (-), terminal 31
6 - to MFA memory switch (memory)
7 - signal from Vehicle Speed Sensor (VSS), (G 54), with mechanical
speedometer/odometer signal from Vehicle Speed Sensor (VSS), speedometer, (G
22), electronic speedometer (G 21) output, with electronic speedometer/odometer
8 - from oil pressure switch (1.8 or 1.4 bar)
9 - from oil pressure switch (0.3 bar)
10 - tachometer input signal, terminal 1/terminal W
11 - plus (B+) connection, terminal 30
12 - plus (B+) connection for instrument lighting, terminal 58b
13 - plus (B+) connection, terminal 15
14 - not used
15 - to MFA mode switch
16 - to Generator warning light, terminal 61
17 - from oil temperature sensor (for MFA)
18 - to seat belt warning light
19 - outside temperature sensor signal (for MFA)
20 - not used
21 - to fuel gauge
22 - to turn signal indicator light, left
23 - Engine Coolant Temperature (ECT) Sensor (to gauge)
24 - to turn signal indicator light, right
25 - to high beam indicator light
26 - not used
27 - speed signal from Vehicle Speed Sensor (VSS), speedometer (G 22), with
electronic speedometer/odometer
28 - Transmission Range Selector Lever Display (automatic transmission only)
Кой е на линия
Потребители, разглеждащи този форум: FEN_NA_TDI и 39 госта