
Пасат 2000 16в 1992г губи антифриз савет РЕШЕН ПРОБЛЕМ
-
- Мнения: 38
- Регистриран на: Сря 04 авг 2010 15:50
- Автомобил:
- Двигател:
- Местоположение: Червен бряг
Пасат 2000 16в 1992г губи антифриз савет РЕШЕН ПРОБЛЕМ
Колата губи антифриз от някаде на 300-400км от мах-на мин няма никаде течове по съединения неостава петна по асвалта,ново радиаторче на парното,не загрева държи нормална температура,няма проблем с маслото,възможно лие дае някаде от гарнитурата на главата
моля за съвет

Последна промяна от didoo174 на Сря 21 сеп 2011 19:11, променено общо 1 път.
- vasilb
- Мнения: 742
- Регистриран на: Нед 21 сеп 2008 20:51
- Автомобил:
- Двигател:
- Местоположение: Пловдив
Re: Пасат 2000 16в 1992г губи антифриз савет
От някъде сълзи съвсем леко. И при мен е така и подозирам, че е от коляното на термостата (след като го смених се появи проблема) - няма видими течове - или е съвсем леко, или е на скрито място, или капе върху топло място и др. и затова не го виждаш. Трябва да има цветна следа където се стича.
-
- Мнения: 38
- Регистриран на: Сря 04 авг 2010 15:50
- Автомобил:
- Двигател:
- Местоположение: Червен бряг
Re: Пасат 2000 16в 1992г губи антифриз савет
Значи не рабори колата 1 ден задае студен двигателя и не се виждат никакви просълзяваня нито има някаде следи от изпарявалсе антифриз
-
- Мнения: 822
- Регистриран на: Съб 07 юни 2008 20:43
- Автомобил: Passat+T4
- Двигател: ABS+AAB
- Местоположение: София /с. Мусачево -гр.Елин Пелин
Re: Пасат 2000 16в 1992г губи антифриз савет
а ако не долееш пада ли нивото под мин.
на моя пасатор пада до мин. и там си стои.
на моя пасатор пада до мин. и там си стои.
-
- Мнения: 38
- Регистриран на: Сря 04 авг 2010 15:50
- Автомобил:
- Двигател:
- Местоположение: Червен бряг
Re: Пасат 2000 16в 1992г губи антифриз савет
пада под минимума
- kirqka79
- Мнения: 103
- Регистриран на: Съб 07 ное 2009 1:31
- Автомобил:
- Двигател:
- Местоположение: софия
Re: Пасат 2000 16в 1992г губи антифриз савет
сменяш тройника на който са датчиците и от дясно на главата има една бакелитена ху*ня на която е забучен мъркуча който отива към радиаторчето на парното,от там тече на 100%
- vannkkata
- Мнения: 313
- Регистриран на: Съб 26 яну 2008 16:12
- Автомобил: Passat 1996
- Двигател: 1Z
- Местоположение: Пловдив
Re: Пасат 2000 16в 1992г губи антифриз савет
kirqka79 написа:...

Интересно ми е къде точно се намира прословутия тройник на 16 клапанов мотор, че и моя губи по малко.
- vasilb
- Мнения: 742
- Регистриран на: Нед 21 сеп 2008 20:51
- Автомобил:
- Двигател:
- Местоположение: Пловдив
Re: Пасат 2000 16в 1992г губи антифриз савет
vannkkata написа:kirqka79 написа:...
![]()
Интересно ми е къде точно се намира прословутия тройник на 16 клапанов мотор, че и моя губи по малко.
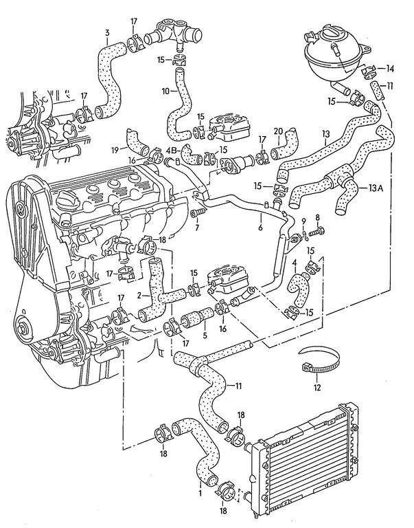
Между номер 15 и 17 - онова чепатото най-горе на картинката.

- kirqka79
- Мнения: 103
- Регистриран на: Съб 07 ное 2009 1:31
- Автомобил:
- Двигател:
- Местоположение: софия
Re: Пасат 2000 16в 1992г губи антифриз савет
тези оградените трябва да се сменят и ще се оправи

-
- Мнения: 38
- Регистриран на: Сря 04 авг 2010 15:50
- Автомобил:
- Двигател:
- Местоположение: Червен бряг
Re: Пасат 2000 16в 1992г губи антифриз савет
значи няма никакъв признак на минимален теч на антифриз от там
- van4ooo
- Мнения: 1405
- Регистриран на: Нед 13 юли 2008 19:16
- Автомобил:
- Двигател:
- Местоположение: Стара Загора
Re: Пасат 2000 16в 1992г губи антифриз савет
Огледай добре под водната помпа,гарнитурата на главата отзад(малко е кофти на канал с много чупки в кръста)и мисля има видимост ако махнеш горната половина на капака за ангренажния ремък огледай около обтяжната ролка-зад нея май има тапа може тя да е протекла.
- kirqka79
- Мнения: 103
- Регистриран на: Съб 07 ное 2009 1:31
- Автомобил:
- Двигател:
- Местоположение: софия
Re: Пасат 2000 16в 1992г губи антифриз савет
didoo174 написа:значи няма никакъв признак на минимален теч на антифриз от там
както си решиш колега,просто да знаеш че при тези VW, тези части са си консуматив
-
- Мнения: 38
- Регистриран на: Сря 04 авг 2010 15:50
- Автомобил:
- Двигател:
- Местоположение: Червен бряг
Re: Пасат 2000 16в 1992г губи антифриз савет решен проблем
Колеги намерихме теча на антифриза,свалихме главата от задната страна над генерацията гарнитурата беше леко като пролинела и е упускала антифриз помалко над генерацията исее изпарявал,затова несъм виждал теч.Шлаифаме главата нова гарнитура нови тез вапросните 15-17 пласмасовите по главата коитоса за водата и дано да няма повече проблеми







Последно избутана от didoo174 на Сря 21 сеп 2011 20:12.
Кой е на линия
Потребители, разглеждащи този форум: Няма регистрирани потребители и 72 госта