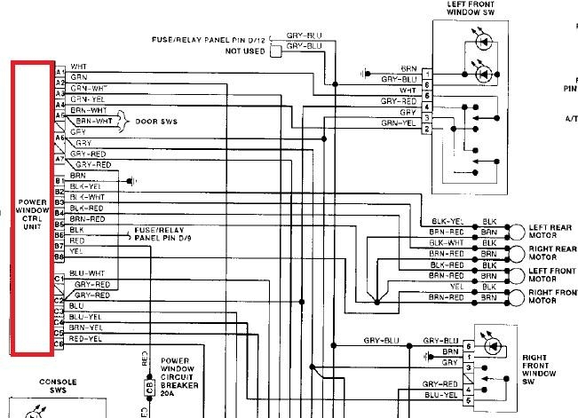
С питане и молба към знаещите във форума.Тъи като на качения файл означенията на комфорт модула са изразени с букви, а в действителност на кутията на модула са означени с цифри и не знам примерно А1 от схемата на коя цифра от означенинието на кутията на модула е равна и т.н за всички букви.
А1=?
.
.
В1=?
.
.
С1=?
Проблем с комфорт модула Пасат Б3 1989 г.
- pas1.8mi
- Мнения: 5208
- Регистриран на: Нед 10 окт 2004 14:08
- Автомобил: Passat B5
- Двигател: 1.8T AEB 1999
- Местоположение: София,Плевен
Re: Проблем с комфорт модула Пасат 1989г
Вероятно питаш за трите конектора? На първо четене виждам,че и трите са с различен брой пинове и има разлика в цвета на първите и последните пороводници в конекторите!Снимай блока от към конекторите и ще получиш по-точен отговор. 

-
b.todorov
- Мнения: 16
- Регистриран на: Сря 22 апр 2009 9:22
- Автомобил:
- Двигател:
- Местоположение: Sofia
Re: Проблем с комфорт модула Пасат 1989г
pas1.8mi написа:Вероятно питаш за трите конектора? На първо четене виждам,че и трите са с различен брой пинове и има разлика в цвета на първите и последните пороводници в конекторите!Снимай блока от към конекторите и ще получиш по-точен отговор.
Ето и снимка на кутията на модула.
- pas1.8mi
- Мнения: 5208
- Регистриран на: Нед 10 окт 2004 14:08
- Автомобил: Passat B5
- Двигател: 1.8T AEB 1999
- Местоположение: София,Плевен
Re: Проблем с комфорт модула Пасат 1989г
Мисълта ми беше да снимаш реално конекторите с проводниците,а не изображението върху кутията!
-
b.todorov
- Мнения: 16
- Регистриран на: Сря 22 апр 2009 9:22
- Автомобил:
- Двигател:
- Местоположение: Sofia
Re: Проблем с комфорт модула Пасат 1989г
pas1.8mi написа:Мисълта ми беше да снимаш реално конекторите с проводниците,а не изображението върху кутията!
Мен ме интересуват буквите на схемата на кои цифри от кутията се равняват,мисля че след това имам шанс предполагам да разреша проблема.
- znainainai
- Мнения: 5287
- Регистриран на: Пон 04 дек 2006 21:24
- Автомобил: Golf4
- Двигател: MK 4 98 AHF
- Местоположение: Русе
Re: Проблем с комфорт модула Пасат 1989г
Айде сега кажи каква ти е болката та да ти кажат хората решението 

-
b.todorov
- Мнения: 16
- Регистриран на: Сря 22 апр 2009 9:22
- Автомобил:
- Двигател:
- Местоположение: Sofia
Re: Проблем с комфорт модула Пасат 1989г
pas1.8mi написа:Мисълта ми беше да снимаш реално конекторите с проводниците,а не изображението върху кутията!
Болката ми е:
Осъмва ми колата с паднало до долу дясно стъкло.Изгаря писта от платката на комфорт модула предполагам масата и предпазителя който захранва модула.Те това ми е болката.Хич ама хич не е добре да пътуваш лятото с вдигнати стъкла и не можеш да изполжваш екстрите на ел.съклата на автомобила.Добре,че имам шибидах,но проблема се надявам все някога да го реша.
- znainainai
- Мнения: 5287
- Регистриран на: Пон 04 дек 2006 21:24
- Автомобил: Golf4
- Двигател: MK 4 98 AHF
- Местоположение: Русе
Re: Проблем с комфорт модула Пасат Б3 1989 г.
Този модул трябва да заспи след затваряне на шофьорската врата. Провери си окабеляването към въпросната врата. Много често се напуква изолацията на кабелите във частта между купето и вратата.
-
b.todorov
- Мнения: 16
- Регистриран на: Сря 22 апр 2009 9:22
- Автомобил:
- Двигател:
- Местоположение: Sofia
Re: Проблем с комфорт модула Пасат Б3 1989 г.
znainainai написа:Този модул трябва да заспи след затваряне на шофьорската врата. Провери си окабеляването към въпросната врата. Много често се напуква изолацията на кабелите във частта между купето и вратата.
Това е проверено колега, наричам Ви така защото сме във този форум.
- ivchoto
- Мнения: 341
- Регистриран на: Сря 11 ное 2009 14:24
- Автомобил: SUBARU OUTBACK
- Двигател: 2000
- Местоположение: bg okolo plovdiv
Re: Проблем с комфорт модула Пасат Б3 1989 г.
Имах почти същия проблем само че с предно ляво(мойто
).Както си стои колата и оп стъклото долу,вдигна го,а то пак
,накрая с един уред прозваних всички кабели до комфорта и един от тях се оказа аут,а преди това проверих всички маншончета по вратите да няма скъсан кабел или протрит.И тъй като не можах да намеря каде е прекъснат просто пуснах нов от копчето до модула а стария отрязах. 
,накрая с един уред прозваних всички кабели до комфорта и един от тях се оказа аут,а преди това проверих всички маншончета по вратите да няма скъсан кабел или протрит.И тъй като не можах да намеря каде е прекъснат просто пуснах нов от копчето до модула а стария отрязах. 
Кой е на линия
Потребители, разглеждащи този форум: Няма регистрирани потребители и 41 госта