Пасат 1.8Т-98год теч от гарнитурата на капака на клапаните
- markoscbr
- Мнения: 87
- Регистриран на: Пон 19 ное 2012 19:32
- Автомобил:
- Двигател:
- Местоположение: Stara Zagora
Пасат 1.8Т-98год теч от гарнитурата на капака на клапаните
здравейте колеги имам проблем с гърнетурата на капака на клапаните на пасат 1.8Т-98год някой сблъскал ли се е този проблем и да го е решил благодаря ви
- refresh4o
- !!!ИЗМАМНИК!!!
- Мнения: 762
- Регистриран на: Съб 09 апр 2011 20:59
- Автомобил: VW POLO B5188PP
- Двигател: AEX 1996
- Местоположение: Варна
Re: теч от гарнитурата на капака на клапаните на пасатБ5 по
вземи си коркова или намажи сегашната ако още не се е спекла със силикон като я изчистиш и обезмаслиш добре
- pas1.8mi
- Мнения: 5208
- Регистриран на: Нед 10 окт 2004 14:08
- Автомобил: Passat B5
- Двигател: 1.8T AEB 1999
- Местоположение: София,Плевен
Re: теч от гарнитурата на капака на клапаните на пасатБ5 по
Гарнитурата там е единствено гумена! Купуваш нова и сменяш!
П.П Смяната не е толкова лесна,като при 1.8 моно!
П.П Смяната не е толкова лесна,като при 1.8 моно!
- markoscbr
- Мнения: 87
- Регистриран на: Пон 19 ное 2012 19:32
- Автомобил:
- Двигател:
- Местоположение: Stara Zagora
Re: теч от гарнитурата на капака на клапаните на пасатБ5 по
благодаря ви много колеги най много на Радостинчо които ми даде изчерпателен отговор та дори и ми каза модела на селикота който трябва да си взема , на всички колего с подобен проблем 2 пъти купувах гарнетури на капака на пасат Б5 все си таи-тече сега като остана в отпуск в средата на месеца и отивам да си купя силикон ВИКТОР РЕИНЗ вадя отново старата изчиствам я обезмаслявам я и я мажа с този селикон изчаквам 30минути и си го нагласям на затваряне
- KGL
- Мнения: 802
- Регистриран на: Вто 22 ное 2005 13:59
- Автомобил: Passat B8 Alltr BMT 176kW TDI
- Двигател: CUAA 2016
- Местоположение: София
- Контакти:
Re: Пасат 1.8Т-98год теч от гарнитурата на капака на клапан
Ако я пренатягаш е нормално да ти протича!
- kris11
- VW експерт

- Мнения: 13560
- Регистриран на: Нед 06 фев 2005 23:04
- Автомобил: VW Sharan 7M8
- Двигател: ADY_DBU_LPG LANDIRENZO OMEGAS
- Местоположение: Варна
- Контакти:
Re: теч от гарнитурата на капака на клапаните на пасатБ5 по
refresh4o написа:или намажи сегашната ако още не се е спекла със силикон като я изчистиш и обезмаслиш добре
По добре не давай такъв съвет .В такъв филм множе да се вкара с люспа от силикон в маслената магистрала,че ........

Re: Пасат 1.8Т-98год теч от гарнитурата на капака на клапан
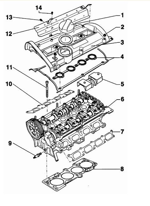
Гарнитурите са две - една която уплътнява външната част на капака, и една по-малка, която се намира върху отворите за свещите(когато протече от там, свещите потъват в масло).В самата гарнитура има метални шайби, там където се стяга. С времето гарнитурата остарява, втвърдява се и започва да се напуква. Ако се опиташ да я стегнеш няма да има ефект, защото капака опира в тези метални шайби. Най добре си купи нова гарнитура. Или ако ти се занимава свали старата внимателно(тя не е в една равнина, предната част е извита нагоре), препили металните части внимателно, сложи я обратно и вече можеш да я натегнеш повече. Това би трябвало да помогне, но колко време ще има ефект не е сигурно.
- KGL
- Мнения: 802
- Регистриран на: Вто 22 ное 2005 13:59
- Автомобил: Passat B8 Alltr BMT 176kW TDI
- Двигател: CUAA 2016
- Местоположение: София
- Контакти:
Re: Пасат 1.8Т-98год теч от гарнитурата на капака на клапан
Една нова гарнитура на Реинз е 36 кинта, какво ще се занимава с почистване, силикони и тем подобни със съмнителен успех?!
Кой е на линия
Потребители, разглеждащи този форум: Plamenom и 37 госта