Passat b4 1.8 90к.с. Пробка до двата датчика за налягането на маслото, над масленият филтър
-
radich_58
- Мнения: 55
- Регистриран на: Нед 20 ное 2011 12:38
- Автомобил:
- Двигател:
- Местоположение: с.Бяла река,общ.Първомай
Passat b4 1.8 90к.с. Пробка до двата датчика за налягането на маслото, над масленият филтър
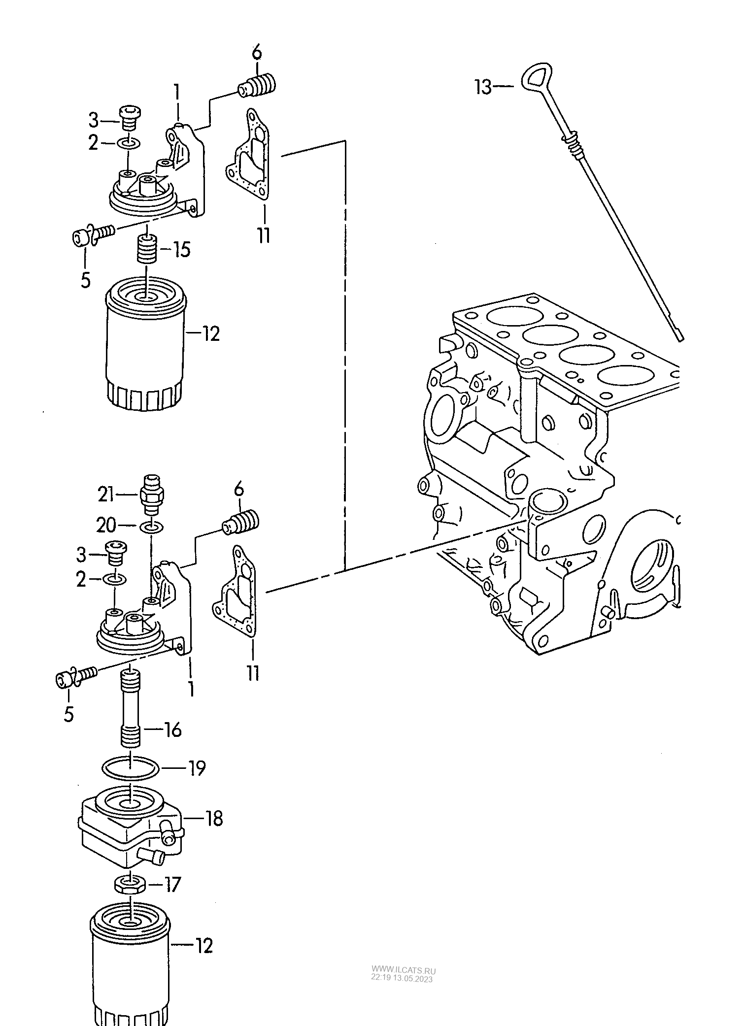
За какво служи пробката до двата датчика за налягането на маслото, над масленият филтър, с 5 мм шестостенен отвор за отвиване и завиване!? Резбата на стъпката на пробката е 10×1, същата както и на датчика за маслото! От отворът на пробката може ли да се използва както отворът на датчика за проверка с уред за налягането в маслената система? Предварително благодаря.
- radotom
- Модератор

- Мнения: 19731
- Регистриран на: Пет 10 мар 2006 19:42
- Автомобил: Passat B6
- Двигател: CBBB
- Местоположение: Пловдив
Re: Пробка до двата датчика за налягането на маслото, над масленият филтър!
А колата сигурно е Волга гАз 52?


-
radich_58
- Мнения: 55
- Регистриран на: Нед 20 ное 2011 12:38
- Автомобил:
- Двигател:
- Местоположение: с.Бяла река,общ.Първомай
Re: Пробка до двата датчика за налягането на маслото, над масленият филтър!
Извинявам се, моят VW е Passat b4 1.8 90к.с., но същото е и при VW Passat b3 . Специалистите, майсторите съм сигурен че знаят за какво служи тази пробка!
- radotom
- Модератор

- Мнения: 19731
- Регистриран на: Пет 10 мар 2006 19:42
- Автомобил: Passat B6
- Двигател: CBBB
- Местоположение: Пловдив
Re: Пробка до двата датчика за налягането на маслото, над масленият филтър!
Тия, дето не сме специалисти майстори също знаем - за квото се сетиш!
Може да е за датчик за температурата на маслото, ако имаш МФА.
Може да е за мазане на турбината/компресора, ако имаш такива.
При мен служеше за 2 неща - за датчик за налягане на маслото и за датчик за температура на маслото.
Защото, както вероятно си видял - отворите са 3 броя.
При мен, на 2Е, качено на В3, имаше само датчика за налягане на маслото, който си е фабричния. За зумера.
Аз си добавих аналогови датчици за температура и за налягане.
А иначе, конзолите на масления филтър са еднакви. Просто на различните коли, според оборудването, различни неща има накичени.
Излишните са затворени с тапи (това, с отвора за имбуса)
Може да е за датчик за температурата на маслото, ако имаш МФА.
Може да е за мазане на турбината/компресора, ако имаш такива.
При мен служеше за 2 неща - за датчик за налягане на маслото и за датчик за температура на маслото.
Защото, както вероятно си видял - отворите са 3 броя.
При мен, на 2Е, качено на В3, имаше само датчика за налягане на маслото, който си е фабричния. За зумера.
Аз си добавих аналогови датчици за температура и за налягане.
А иначе, конзолите на масления филтър са еднакви. Просто на различните коли, според оборудването, различни неща има накичени.
Излишните са затворени с тапи (това, с отвора за имбуса)
- Ивайло Димов
- предупреждение за БАН
- Мнения: 1519
- Регистриран на: Пон 31 май 2021 19:02
- Автомобил: Seat Toledo
- Двигател: 1800 -20V -AGN -1999
- Местоположение: Шумен
Re: Пробка до двата датчика за налягането на маслото, над масленият филтър!
1,8 има различни модификации може да е там този отвор за датчик но под друг номер двигател .На това ли мяза ?
- Прикачени файлове
-
- s-l640.jpg (10.3 KиБ) Видяна 1142 пъти
-
radich_58
- Мнения: 55
- Регистриран на: Нед 20 ное 2011 12:38
- Автомобил:
- Двигател:
- Местоположение: с.Бяла река,общ.Първомай
Re: Пробка до двата датчика за налягането на маслото, над масленият филтър!
Не не е така, а е 5 мм шестостен лимбус!
- Ивайло Димов
- предупреждение за БАН
- Мнения: 1519
- Регистриран на: Пон 31 май 2021 19:02
- Автомобил: Seat Toledo
- Двигател: 1800 -20V -AGN -1999
- Местоположение: Шумен
Re: Пробка до двата датчика за налягането на маслото, над масленият филтър!
Ти понеже не снимаш и няма как да гадая ,тук виждаш ли го това нещо
- Прикачени файлове
-
- getImage.png
- (56.99 KиБ) Все още не е свален
-
radich_58
- Мнения: 55
- Регистриран на: Нед 20 ное 2011 12:38
- Автомобил:
- Двигател:
- Местоположение: с.Бяла река,общ.Първомай
Re: Пробка до двата датчика за налягането на маслото, над масленият филтър!
Цифрата 3 (е пробката), а цифрата 2 (е медната дифтунгата-уплътнението)!
- Ивайло Димов
- предупреждение за БАН
- Мнения: 1519
- Регистриран на: Пон 31 май 2021 19:02
- Автомобил: Seat Toledo
- Двигател: 1800 -20V -AGN -1999
- Местоположение: Шумен
Re: Пробка до двата датчика за налягането на маслото, над масленият филтър!
Точно така се и води .........за какво е оставена там ,напълно е възможно за мерене на налягането защото я има и при дизела и при бензина .
- radotom
- Модератор

- Мнения: 19731
- Регистриран на: Пет 10 мар 2006 19:42
- Автомобил: Passat B6
- Двигател: CBBB
- Местоположение: Пловдив
Re: Пробка до двата датчика за налягането на маслото, над масленият филтър!
radotom написа:А иначе, конзолите на масления филтър са еднакви. Просто на различните коли, според оборудването, различни неща има накичени.
Излишните са затворени с тапи (това, с отвора за имбуса)
И на RP, и на PG и на 1Z - се са еднакви конзолите.
Вече за наклонените напред малолитражки не съм много убеден
Кой е на линия
Потребители, разглеждащи този форум: Няма регистрирани потребители и 77 госта