
Изгорял резистор
- betaserk
- Мнения: 1261
- Регистриран на: Нед 09 мар 2014 9:57
- Автомобил: Renault Zoe
- Двигател: electric 2014
- Контакти:
Изгорял резистор
Колеги, на една нощна лампа е тази платка с регулиране на светлината, много ми е удобна, но изгоря! Извадих платката и видях, че е изгорял тоя резистор, тъй като е овъглен не знам какъв резистор да му сложа, има ли значение какъв ще е? Ако сложа какъвто и да е дали ще изгори нещо друго?


- stefarata
- Мнения: 1908
- Регистриран на: Нед 13 сеп 2009 10:56
- Автомобил: Ford S Max MK1
- Двигател: TDCI
- Местоположение: Карнобат
Re: Изгорял резистор
Гледай новият резистор да е с близка стойност, може и малко по-голяма. А ти провери ли го дали е изгорял или видимо си личи?
- betaserk
- Мнения: 1261
- Регистриран на: Нед 09 мар 2014 9:57
- Автомобил: Renault Zoe
- Двигател: electric 2014
- Контакти:
Re: Изгорял резистор
Това е, че не му се виждат тези линии за да намеря по тях същия. Видимо е изгорял, вижда се на снимката! Ако някой е по на ти от мен и знае точно как работи това намаляне на светлината, едно на ум е потенциометъра, но другото какво точно прави не знам! Та ако го разбира някой като гледа схемата, но ще пробвам и това е. Ако светне светне, ако не предпазителя на стената ще изключи, ако не аз ще светна 
- Mihailov78
- Мнения: 1112
- Регистриран на: Пет 30 апр 2010 11:15
- Автомобил: T3 Caravelle
- Двигател: DG 1900cc Petrol
- Местоположение: Sofia
Re: Изгорял резистор
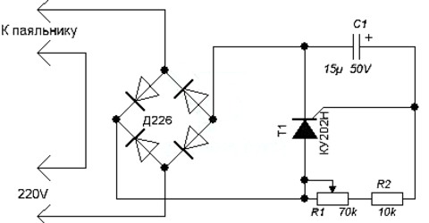
Имам подозрения, че това е тиристорен регулатор на мощност от подобен вид като този на приложената схема. Обаче колега, ако можеш направи повече снимки, отдолу и отгоре на платката, както и препиши какво пише на черното нещо (тиристора). Не е проблем да се оправи, но имам съмнения че не е само резистора. Възможно е самият тиристор да се е предал (черното нещо). Иначе за спорта, слагай 10 килоома и пускай, ако е тиристора изгорял пак ще се опече този резистор.
- Scarchu
- Мнения: 687
- Регистриран на: Пон 29 май 2006 10:21
- Автомобил: Black
- Двигател: with internal combustion
- Местоположение: София
- Контакти:
Re: Изгорял резистор
Според мен, от снимката, на тиристора видимо му липсва парче от корпуса!
- pas1.8mi
- Мнения: 5208
- Регистриран на: Нед 10 окт 2004 14:08
- Автомобил: Passat B5
- Двигател: 1.8T AEB 1999
- Местоположение: София,Плевен
Re: Изгорял резистор
Това повреденото от първата снимка мога да го оправя! 

- LILO&STICH
- ябълката на раздора
- Мнения: 13068
- Регистриран на: Сря 17 авг 2005 15:15
- Автомобил:
- Двигател:
- Местоположение: София
Re: Изгорял резистор
pas1.8mi написа:Това повреденото от първата снимка мога да го оправя!
Със сигурност можеш

- betaserk
- Мнения: 1261
- Регистриран на: Нед 09 мар 2014 9:57
- Автомобил: Renault Zoe
- Двигател: electric 2014
- Контакти:
Re: Изгорял резистор
Отказах се да го правя, колеги! Направих го с копче на жицата и няма да мога да меня светлината за по-романтично осветление по време на секс
Ще налягам на светло, хем цици мици имат по-добра видимост
Иначе имам много платки с такива елементи, но не ми се занимава, платката остава за части.
Иначе имам много платки с такива елементи, но не ми се занимава, платката остава за части.Re: Изгорял резистор
Бравос, добро решение...
. Ако ти е прекалено светло можеш да ползваш слънчеви очила или каска за електрожен. 
. Ако ти е прекалено светло можеш да ползваш слънчеви очила или каска за електрожен. 
Върни се в “ОФФ-Топик - електроника, техника, обзавеждане”
Кой е на линия
Потребители, разглеждащи този форум: Няма регистрирани потребители и 52 госта